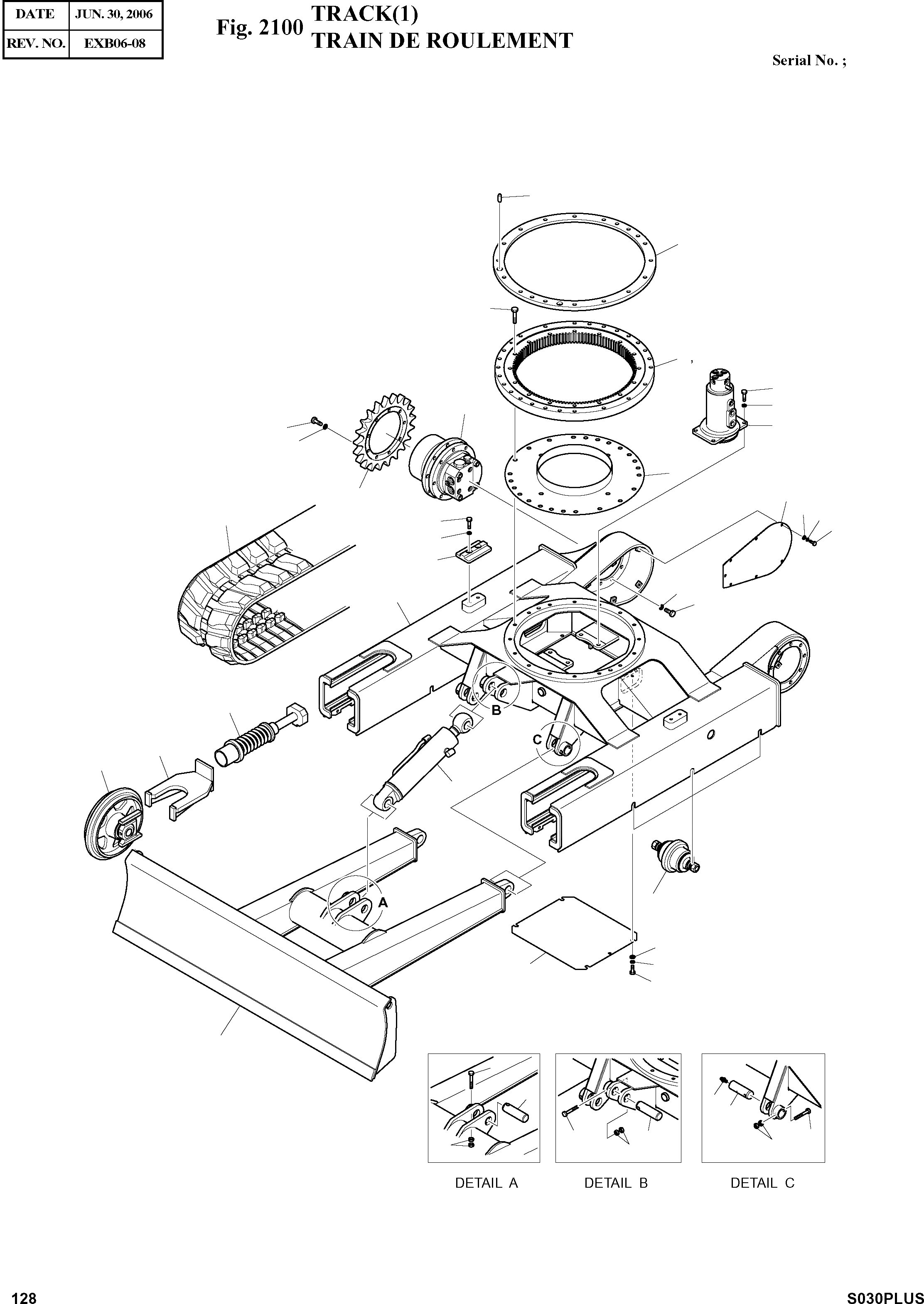
Запчасти Doosan Daewoo TRACK(1) UNDER STRUCTURE

9A
13
12
14
9
52
36
51
50
35
15
8
30
34
33
32
22
31
28
29
27
15
1
35
23
25
26
20
21
19
18
16
17
2
7
6
5
3
6
7
7
37
37
37
FIT
1:1
100%

Артикул

Название

Примечание

Количество

-

600-00107A

TRACK FRAME ASS'Y

SC: D

-2шт.

1

604-00162B

FRAME;TRACK

desc: TRAIN DE ROULEMENT

1шт.

2

2608-1046J

DOZER

desc: DOZER

1шт.

3

2123-2168C

PIN(L.H)

desc: GOUPILLE

2шт.

5

S6710152

NIPPLE;GREASE

desc: GRAISSEUR

2шт.

6

2123-2170B

PIN

desc: GOUPILLE

2шт.

7

S0558953

BOLT M10X1.5X70

desc: BOULON A 6PANS

4шт.

8

2251-1002C

BATH;GREASE

desc: BATH;GREASE

1шт.

9

2109-9073B

BEARING;SWING

desc: PALIER

1шт.

9A

180-00297D2

SEAL

desc: . JOINT

1шт.

12

2412-1062A

RING;TURNING

SERIAL: 20001-20528

1шт.

12

2412-1062B

RING;TURNING

SERIAL: 20529

1шт.

13

2123-2132

PIN

SERIAL: 20001-20528

2шт.

13

K1013936

PIN

SERIAL: 20529

2шт.

14

S0560961

BOLT M12X1.75X60

desc: BOULON A 6PANS

16шт.

15

S5102703

WASHER;SPRING

desc: RONDELLE ELASTIQUE

36шт.

16

2621-3333C

COVER;SWIVEL

desc: COUVERCLE

1шт.

17

S0511853

BOLT M10X1.5X20

desc: BOULON A 6PANS

4шт.

18

S5102603

WASHER;SPRING

desc: RONDELLE ELASTIQUE

4шт.

19

S5010613

WASHER

desc: RONDELLE PLATE

4шт.

20

2440-9301E

DOZER CYLINDER

desc: VERIN DE DOZER

1шт.

21

270-00012B

TRACK ROLLER ASS'Y

desc: GALET

6шт.

22

273-00003

RUBBER CRAWLER ASS'Y

desc: CAOUTCHOUC

2шт.

23

2440-9316B

ADJUST CYLINDER ASS'Y

desc: AJUSTEZ LE CYLINDRE

2шт.

25

2157-1027C

YORK

desc: FOURCHETTE

2шт.

26

270-00011A

FRONT IDLER ASS'Y

desc: BARBOTIN

2шт.

27

2627-1115A

PLATE;SLIDE

desc: PLAQUE

2шт.

28

S0512053

BOLT M10X1.5X40

desc: BOULON A 6PANS

4шт.

29

S5102603

WASHER;SPRING

desc: RONDELLE ELASTIQUE

4шт.

30

2197-1291E

COVER;MOTOR CASE

desc: COUVERCLE

2шт.

31

S0508853

BOLT M8X1.25X20

desc: BOULON A 6PANS

12шт.

32

S5102503

WASHER;SPRING

desc: RONDELLE ELASTIQUE

12шт.

33

S5010513

WASHER

desc: RONDELLE

12шт.

34

108-00006A

SPROCKET

desc: COURONNE DENTEE

2шт.

35

S0515361

BOLT

desc: BOULON A 6PANS

36шт.

36

401-00265A

MOTOR;TRAVEL

desc: MOTEUR DE TRANSLATION

2шт.

37

S4012633

NUT M10X1.5

desc: ECROU

8шт.

50

2480-1016

CENTER JOINT

desc: TOURILLON PIVOTANT

1шт.

51

S5102703

WASHER;SPRING

desc: RONDELLE ELASTIQUE

4шт.

52

S0515253

BOLT

desc: BOULON A 6PANS

4шт.

Выбрано товаров: 40