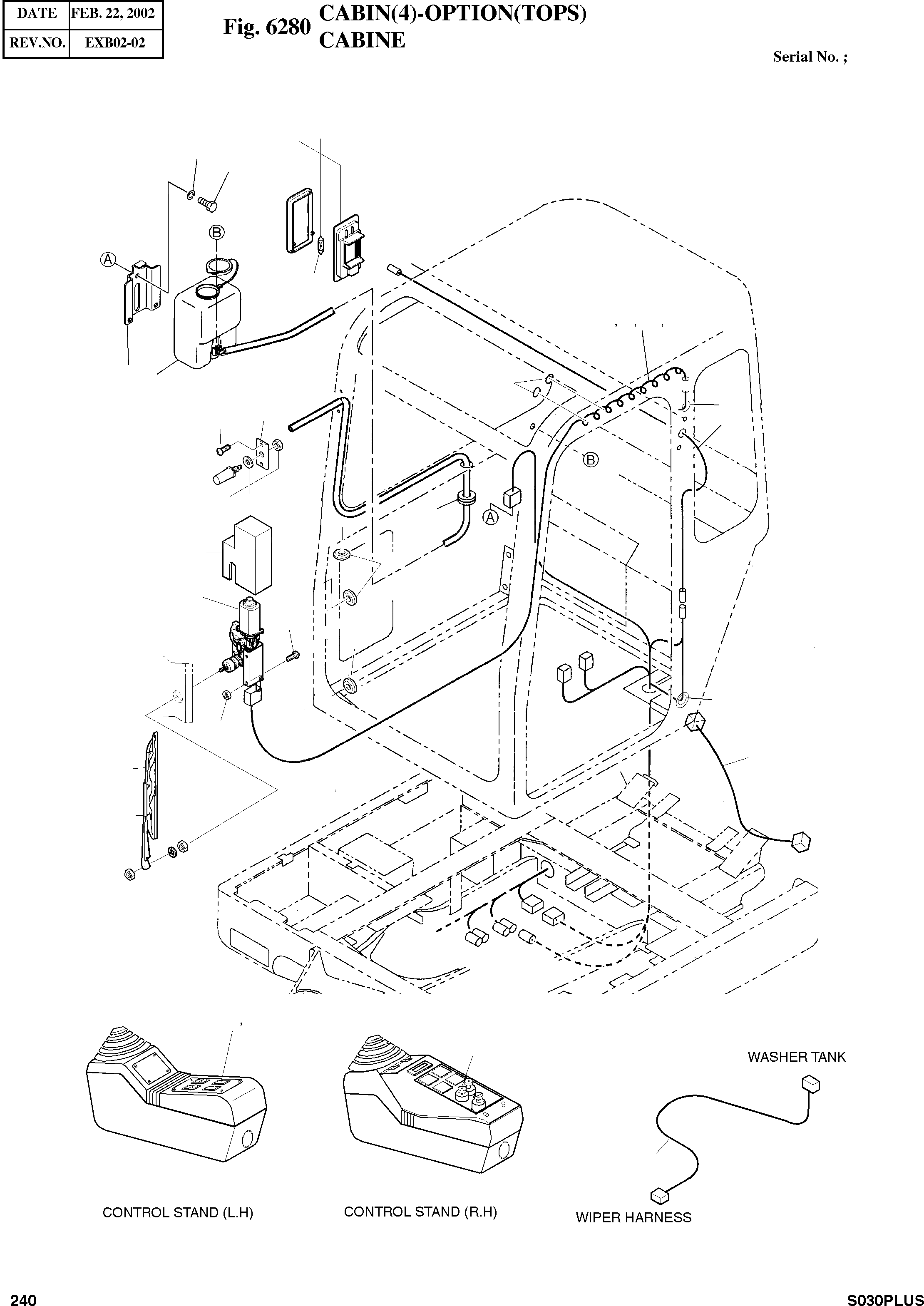
Запчасти Doosan Daewoo CABIN(4)-OPTION(TOPS) OPTIONAL PARTS

25-1
63-5
63-6
63-30
63-27
63-4
63-7
25
39
38
60
68
100
101
96
64
71
72
67
68
61
65
66
66
66
72
114
111
113
112
110
FIT
1:1
100%

Артикул

Название

Примечание

Количество

-

622-00230

CABIN ASS'Y

desc: CABINE

1шт.

25

2534-9068

LAMP;ROOM

desc: LAMPE

1шт.

25-1

2515-1021D6

BULB

desc: . AMPOULE

1шт.

38

S0504453

BOLT M6X1.0X12

desc: BOULON A 6 PANS

2шт.

39

S5102303

WASHER;SPRING M6

desc: RONDELLE ELASTIQUE

2шт.

60

2124-1620

CLIP

desc: ATTACHE

4шт.

61

2530-1623A

HARNESS;ROOM LAMP

desc: FAISCEAU

1шт.

63-4

538-00005

MOTOR;WIPER

desc: . MOTEUR

1шт.

63-5

2541-6021

ARM;WIPER

desc: . BALANCIER

1шт.

63-6

2507-6006

BLADE;WIPER

desc: . LAME

1шт.

63-7

2403-1053

COVER

desc: . COUVERCLE

1шт.

63-27

S3452823

SCREW M5X0.8X10

desc: . VIS

2шт.

63-30

S4012233

NUT M5X0.8

desc: . ECROU

2шт.

64

2916-9002A

TANK;WASHER

desc: LAVE-GLACE

1шт.

65

2415-9001A

NOZZLE

desc: INJECTEUR

1шт.

66

2160-1004D9

GROMMET

desc: MANCHON CAOUTCHOUC

4шт.

67

2891-1229

PLATE

desc: PLAQUE

1шт.

68

S3654183

SCREW;TAPPING

desc: VIS

3шт.

71

2546-1002

RING

desc: BAGUE

2шт.

72

2160-1004D10

GROMMET

desc: MANCHON CAOUTCHOUC

2шт.

96

2195-1534

BRACKET

desc: SUPPORT

1шт.

100

S3450823

SCREW M5X0.8X10

desc: VIS

1шт.

101

S3654333

SCREW;TAPPING

desc: VIS

2шт.

110

2530-1658B

HARNESS;CABIN

desc: FAISCEAU

1шт.

111

2549-9114

SWITCH;WIPER&WASHER

desc: INTERRUPTEUR

2шт.

112

545-00002

CIGAR LIGHT

desc: ALLUMEUR DE CIGARE

1шт.

113

2190-2036D14

INSERT;WIPER&WASHER

desc: INSERTION

1шт.

114

2530-1659

HARNESS

desc: FAISCEAU

1шт.

Выбрано товаров: 0