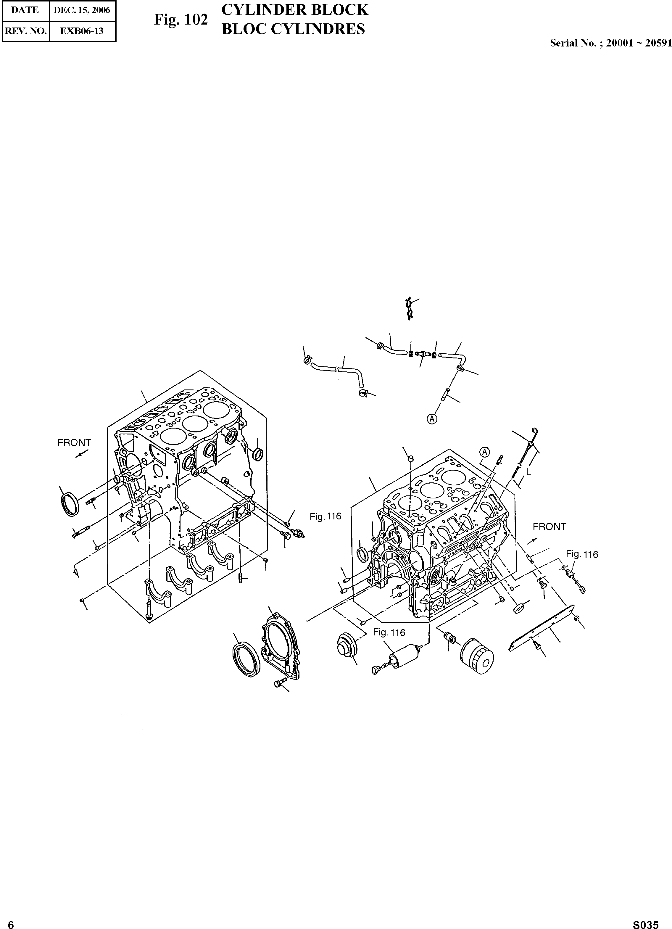
Запчасти Doosan Daewoo CYLINDER BLOCK ENGINE PARTS

13-1
9-1
57
55
54
59
59
56
54
53
58
54
1
54
52
38
3
29
4
32
1
8
5
36
5
37
5
24
3
19
5
11
24
28
12
26
60
12
13
7
5
2
44
27
23
25
25
45
17
14
21
18
47
FIT
1:1
100%

Артикул

Название

Примечание

Количество

1

897231-5394

CYLINDER BLOCK ASS'Y

desc: ENSEMBLE BLOC-CYLINDRES

1шт.

2

894167-4701

BOLT;METAL CAP FIX

desc: BOULON A 6PANS

8шт.

3

894229-8530

CUP;SEALING D=35

desc: COUPELLE

4шт.

4

897209-6090

CUP;SEALING D=22

desc: COUPELLE

1шт.

5

509600-0130

CUP;SEALING D=12

desc: COUPELLE

4шт.

7

109600-0121

CUP;SEALING D=32

desc: COUPELLE

1шт.

8

897047-0560

BEARING;NEEDLE CAM CENT

desc: PALIER

1шт.

9-1

897047-1421

PLUG;THRUST CAM

SC: C

1шт.

11

909664-0010

PLUG;WASHER DRAIN PT1/4

desc: BOUCHON

1шт.

12

109605-0500

PLUG;OILGALLERY PT1/8

desc: BOUCHON

1шт.

13

909204-5100

PLUG;OILGALLERY M10

desc: BOUCHON

1шт.

13-1

109605-0190

PLUG;OILGALLERY PT1/8

desc: BOUCHON

1шт.

14

897106-2042

COVER;INJ PUMP HOUSING

desc: COUVERCLE

1шт.

17

897137-8360

NUT;COVER FIX

desc: ECROU

2шт.

18

028080-6140

BOLT;COVER FIX

desc: BOULON A 6PANS

2шт.

19

897262-1481

STUD;INJ.PUMP HSG COV

desc: GOUJON

1шт.

19

897262-1471

STUD;INJ.PUMP HSG COV

desc: GOUJON

1шт.

21

894325-5950

STUD;INJ FILTER L1=12

desc: GOUJON

1шт.

23

897039-4953

PIN;CONTROL LINK

desc: BROCHE

2шт.

24

908160-8160

PIN;STRAIGHT HOUSING

desc: BROCHE

2шт.

25

911229-0581

DOWEL;OIL PUMP

desc: GOUJON

2шт.

26

908160-6160

PIN;STRAIGHT RETAINER

desc: BROCHE

3шт.

27

509604-0160

PLUG;CYL BLOCK M14

desc: BOUCHON

1шт.

28

909572-0140

PACKING;PLUG

desc: JOINT

1шт.

29

894200-8190

DOWEL;CYL HEAD

desc: GOUJON

2шт.

32

109305-0050

STUD;INJ PUMP FIX L=20

desc: GOUJON

6шт.

36

897262-1451

STUD;WATER PUMP

desc: GOUJON

1шт.

37

897262-1461

STUD;TIMING CASE L=62

desc: GOUJON

1шт.

38

894405-0650

GAUGE;LEVEL;OIL L=143

desc: GAUGE

1шт.

44

897231-0302

RETAINER;CRANK REAR

desc: ARRETOIR

1шт.

45

509625-0940

SEAL;OIL CRANK REAR

desc: JOINT

1шт.

47

028080-6200

BOLT;RETAINER FIX

desc: BOULON A 6PANS

8шт.

52

511179-0520

CONNECTOR;PCV

desc: RACCORD

1шт.

53

897102-5171

HOSE;PCV

desc: TUYAU FLEXIBLE

1шт.

54

509707-0051

CLIP;PCV HOSE

desc: ATTACHE

4шт.

55

897102-5191

HOSE

desc: TUYAU FLEXIBLE

1шт.

56

897102-5181

HOSE

desc: TUYAU FLEXIBLE

1шт.

57

894127-1440

CLIP;HOSE

desc: CLIP

1шт.

58

894249-3171

VALVE;CHECK

desc: VANNE

1шт.

59

109707-0870

CLIP

desc: CLIP

2шт.

60

904110-6160

STUD;INJ.PUMP HSG L1

desc: GOUJON

1шт.

Выбрано товаров: 41