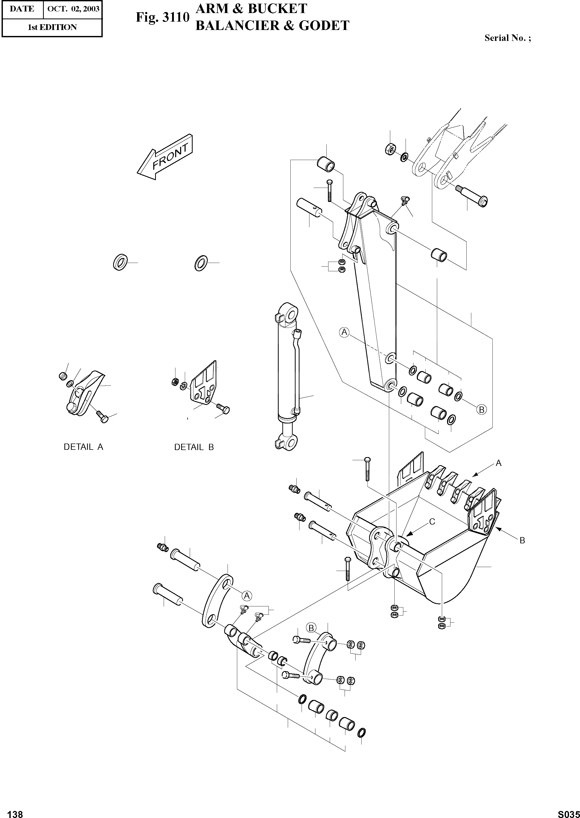
Запчасти Doosan Daewoo ARM & BUCKET FRONT ATTACHMENTS

31
30
37
29
7
32
41
42
40
1
11
4
16
43
15
4
9
44
5
10
12
13
14
5
38
33
36
33
33
34
36
22
8
38
28
40
35
23
40
38
40
38
40
5
24
5
24C
24B
24B
24A
1A
1A
1B
1B
1A
1A
FIT
1:1
100%

Артикул

Название

Примечание

Количество

-

2700-7075

WORK EQUIPMENT

SC: D

-2шт.

1

2701-1365L

ARM ASS'Y

desc: BALANCIER

1шт.

1A

2110-1313

BUSH

desc: . COUSSINET

4шт.

1B

2110-1312

BUSH

desc: . COUSSINET

2шт.

4

2180-1106D21

SEAL;DUST

desc: JOINT PARE-POUSSIERES

2шт.

5

S8000651

O-RING

desc: JONT TORIQUE

4шт.

7

S6710150

NIPPLE;GREASE 45'

desc: GRAISSEUR

1шт.

8

2704-1325E

BUCKET

desc: GODET

1шт.

9

2713-1208

TOOTH

desc: CHEVILLE DE DENT

4шт.

10

2120-2138A

BOLT

desc: BOULON A 6PANS

8шт.

11

2121-1301

NUT

desc: ECROU

8шт.

12

2713-1206A

CUTTER;SIDE(R.H)

desc: COIN DE GODET DROIT

1шт.

13

2713-1207A

CUTTER;SIDE(L.H)

desc: COIN DE GODET GAUCHE

1шт.

14

S0515253

BOLT M12X1.75X30

desc: BOULON A 6PANS

6шт.

15

S5102703

WASHER;SPRING M12

desc: RONDELLE ELASTIQUE

6шт.

16

S4012733

NUT M12X1.75

desc: ECROU

6шт.

22

2155-1273B

LINK;BUCKET(R.H)

desc: ARTICULATION

1шт.

23

2155-1272B

LINK;BUCKET(L.H)

desc: ARTICULATION

1шт.

24

2155-1271E

DUMP LINK ASS'Y

desc: MAILLON

1шт.

24A

2114-1787

COLLAR

desc: . COLLIER

1шт.

24B

2110-1313A

BUSH

desc: . DOUILLE

2шт.

24C

2110-1287A

BUSH

desc: . DOUILLE

2шт.

28

S6710150

NIPPLE;GREASE 90'

desc: GRAISSEUR

2шт.

29

2123-2120G

PIN

desc: BROCHE

1шт.

30

2114-1058D60

WASHER

desc: RONDELLE PLATE

1шт.

31

2121-9017

NUT;SELF LOCKING

desc: ECROU

1шт.

32

2123-2118B

PIN

desc: BROCHE

1шт.

33

S6710040

NIPPLE;GREASE

desc: GRAISSEUR

3шт.

34

2123-2112C

PIN

desc: BROCHE

1шт.

35

2123-2117C

PIN

desc: BROCHE

1шт.

36

2123-2113B

PIN

desc: GOUPILLE

2шт.

37

S0558953

BOLT M10X1.5X70

desc: BOULON A 6PANS

1шт.

38

S0559153

BOLT M10X1.5X80

desc: BOULON A 6PANS

4шт.

40

S4012633

NUT M10X1.5

desc: ECROU

10шт.

41

2114-1059D212

SHIM

desc: CALE

24шт.

42

2114-1059D186

SHIM

desc: CALE

10шт.

43

S5102901

WASHER;SPRING M16

desc: RONDELLE ELASTIQUE

8шт.

44

2440-9206A

CYLINDER;BUCKET

desc: VERIN DE GODET

1шт.

Выбрано товаров: 38