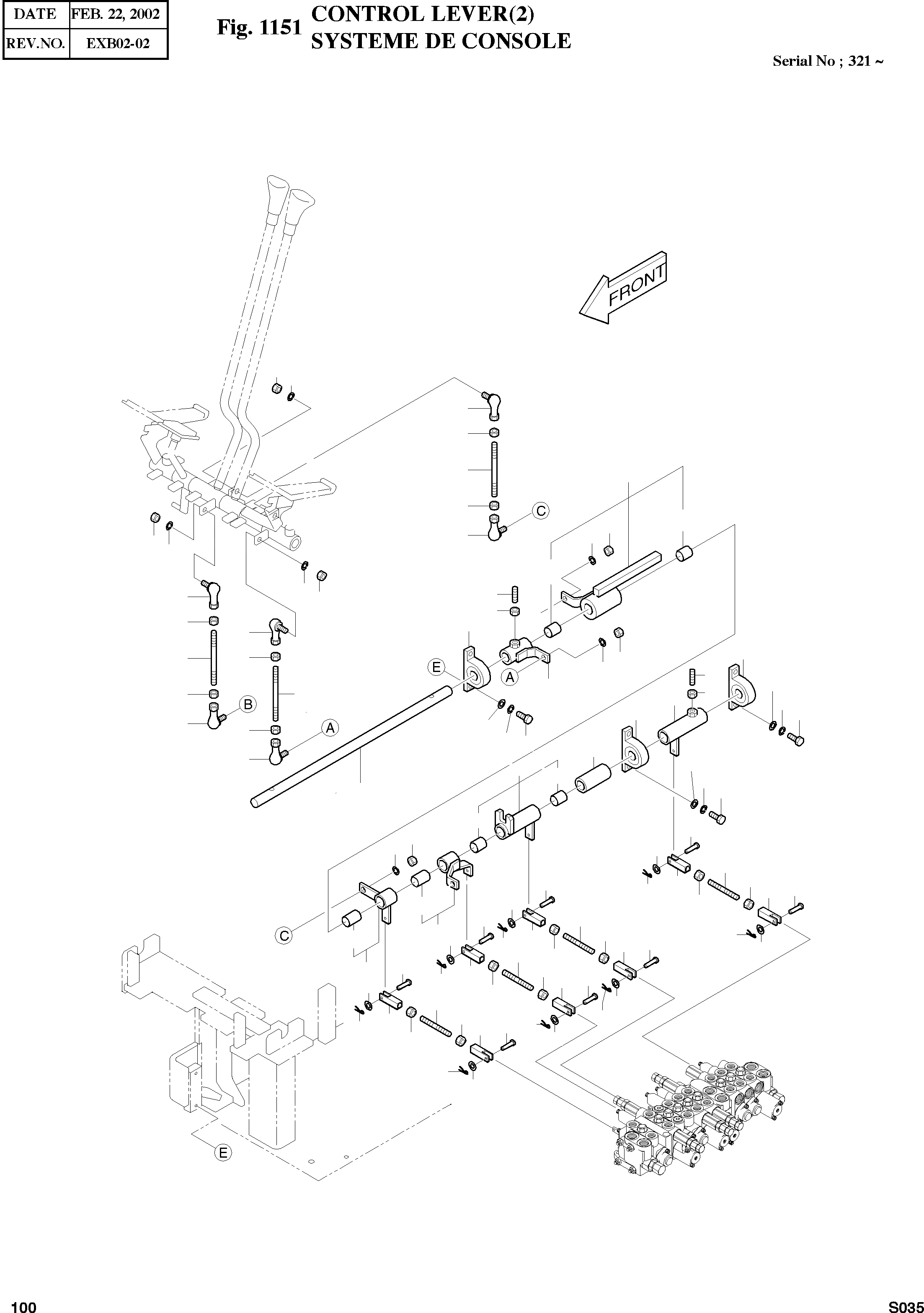
Запчасти Doosan Daewoo CONTROL LEVER(2) BODY PARTS

79
80
75
76
74
62
61
78
68A
66A
79
77
64A
80
81
79
80
80
75
79
60
76
55
75
55
76
81
74
79
80
73
71
58
59
72
78
74
57
56
55
77
78
58
62A
57
56
70
77
58
68A
68
57
56
54
88
86
79
80
87
84
86
83
86
85
88
87
82
86
81
81
66
84
88
87
83
86
85
62A
88
87
82
86
84
64
83
86
85
88
87
82
87
84
88
83
86
85
88
87
82
88
87
FIT
1:1
100%

Артикул

Название

Примечание

Количество

-

2133-2117

CONTROL LEVER

SERIAL: 321

-1шт.

54

2112-1221A

SHAFT

desc: ARBRE

1шт.

55

30640-60005

UNIT;PILLOW

desc: UNITE

3шт.

56

S0509053

BOLT M8X1.25X25

desc: BOULON A 6 PANS

6шт.

57

S5102503

WASHER;SPRING M8

desc: RONDELLE ELASTIQUE

6шт.

58

S5010513

WASHER;PLAIN M8

desc: RONDELLE PLATE

6шт.

59

2137-1180A

LINK;DRIVE

desc: ARTICULATION

1шт.

60

S4012633

NUT M10X1.5

desc: ECROU

1шт.

61

S3524901

SCREW;SET

desc: VIS DE REGLAGE

1шт.

62

2137-1181B

LINK

desc: ARTICULATION

1шт.

62A

2110-1184D38

BUSH 23/20-20L

desc: . COUSSINET

2шт.

64

2137-1199A

LINK;DRIVE

desc: ARTICULATION

1шт.

64A

2110-1184D40

BUSH

desc: . COUSSINET

2шт.

66

137-00001

LINK;PTO

desc: ARTICULATION

1шт.

66A

2110-1184D40

BUSH 23/20-20L

desc: . COUSSINET

2шт.

68

2137-1200A

LINK

desc: ARTICULATION

1шт.

68A

2110-1184D38

BUSH 23/20-20L

desc: . COUSSINET

2шт.

70

2114-1750A

COLLAR

desc: COLLIER

1шт.

71

2137-1201A

LINK

desc: ARTICULATION

1шт.

72

S4012633

NUT M10X1.5

desc: ECROU

1шт.

73

S3524901

SCREW;SET

desc: VIS DE REGLAGE

1шт.

74

2136-1419

ROD(E)

SERIAL: 321-866

3шт.

74

2136-1419A

ROD(E)

SERIAL: 867

3шт.

75

2138-9018

BALL;LINK(L.H)

desc: BILLE

3шт.

76

2121-1298

NUT(L.H) M10X1.5

desc: ECROU

3шт.

77

2138-9017

BALL;LINK

desc: BILLE

3шт.

78

S4012633

NUT M10X1.5

desc: ECROU

3шт.

79

S4012633

NUT M10X1.5

desc: ECROU

6шт.

80

S5102603

WASHER;SPRING M10

desc: RONDELLE ELASTIQUE

6шт.

81

2136-1448

ROD

SERIAL: 321-866

4шт.

81

2136-1448A

ROD

SERIAL: 867

4шт.

82

2121-1298

NUT(L.H) M10X1.5

desc: ECROU

4шт.

83

2138-1032

END;ROD(L.H)

desc: BOUCHON

4шт.

84

S4012633

NUT M10X1.5

desc: ECROU

4шт.

85

2138-1033

END;ROD(L.H)

desc: BOUCHON

4шт.

86

2123-2093

PIN;CLEVIS

desc: BROCHE

8шт.

87

S5000213

WASHER;PLAIN M5

desc: RONDELLE PLATE

8шт.

88

S5735051

PIN;SPLIT

desc: GOUPILLE FENDUE

8шт.

Выбрано товаров: 38