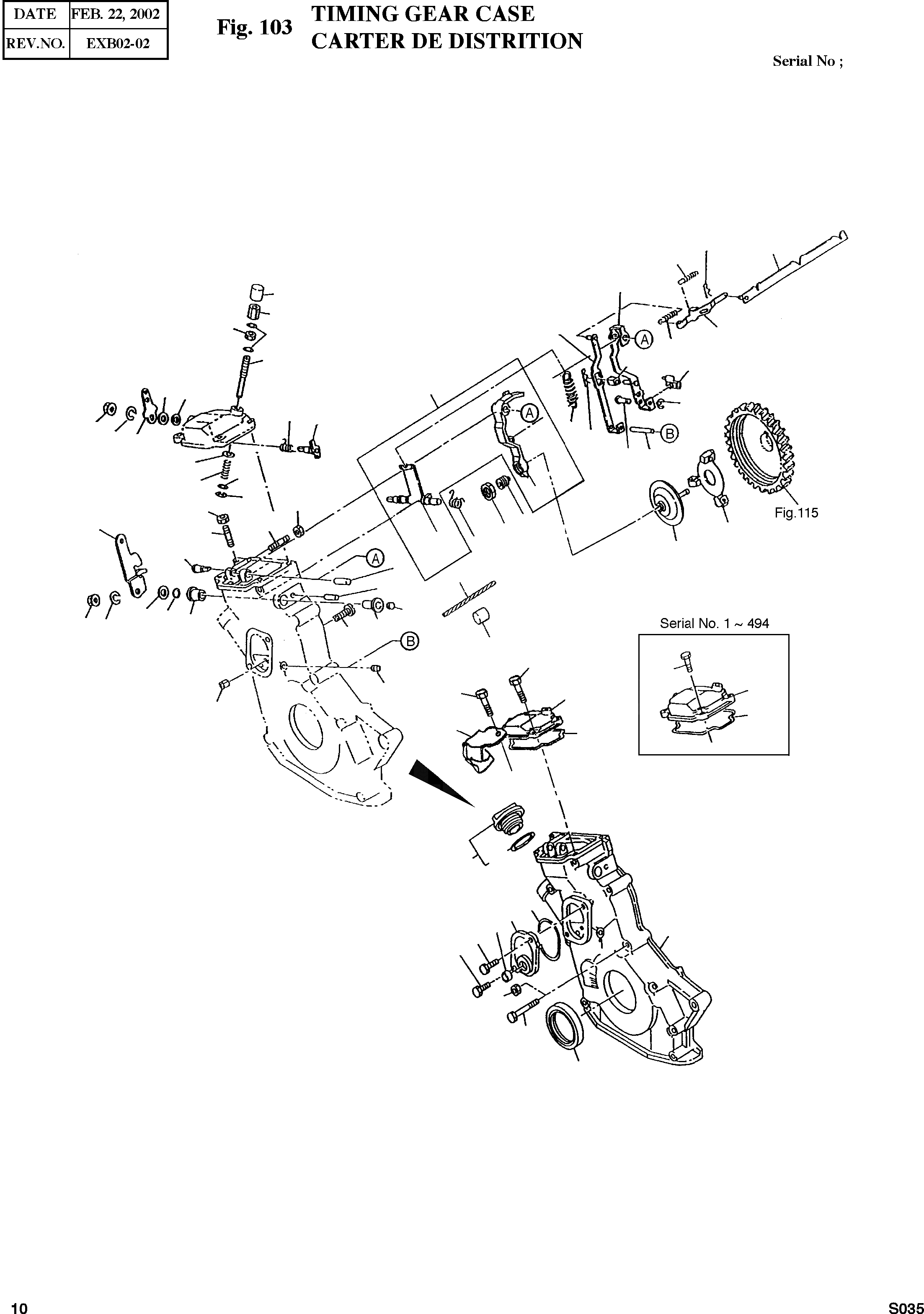
Запчасти Doosan Daewoo TIMING GEAR CASE ENGINE PARTS

27
26
23
5
55
53
54
16
22
52
24
19
48
6
9
61
60
8
58
57
14
62
20
63
59
7
17
50
49
56
10
51
41
41
12
40
34
1
40
13
11
30
46
2
4
65
38
33
36
35
31
37
39
32
43
64
69
69
67
18
99
67
44
68
98
68
97
96
92
90
91
71
93
94
82
81
83
FIT
1:1
100%

Артикул

Название

Примечание

Количество

1

897045-6175

FLY WEIGHT ASS'Y

SC: A

1шт.

2

897084-9771

SLEEVE ASS'Y

SC: A

1шт.

4

908160-8500

SHAFT;LEVER D=8 L=50

SC: A

1шт.

5

897034-5945

LEVER;ASS'Y GUIDE

SC: A

1шт.

6

897034-6382

SHIFTER;GOVERNOR

SC: A

1шт.

7

908213-6250

SHAFT;SHIFTER D=6 L=2

SC: A

1шт.

8

909185-4040

RING;SNAP

SC: A

1шт.

9

897093-5491

LEVER KIT;GOVERNOR

SC: A

1шт.

10

897034-6374

LEVER;TEN'SION GOV

SC: A

1шт.

11

897034-6422

LEVER;MAIN SPRING

SC: A

1шт.

12

897094-4710

ANGLEICH KIT

SC: A

1шт.

13

894130-4380

NUT;HOLDER

SC: A

1шт.

14

897069-8911

SPRING;MAIN 1.7K

SC: A

1шт.

16

897062-4222

LEVER ASS'Y;FLOATING

SC: A

1шт.

17

908160-5450

SHAFT;FLOATING LEVER

SC: A

1шт.

18

109605-0500

PLUG;SHAFT PT1/8

SC: A

1шт.

19

897112-2650

PIECE;GUIDE PIN G/LEVER

SC: A

1шт.

20

109747-0020

PIN;SPRIT G/LEVER

SC: A

1шт.

22

897034-6393

PLATE;LINK LEVER-PUMP

SC: A

1шт.

23

897084-3250

SPRING;START

SC: A

1шт.

24

897083-7140

SPRING;SET

SC: A

1шт.

26

897106-2070

LINK ASS'Y;CONTROL L=217

SC: A

1шт.

27

109747-0020

PIN;SNAP LINK PLATE

SC: A

1шт.

30

897016-9400

SPRING;RETURN

SC: A

1шт.

31

894369-5450

BUSH;LEVER MAIN SPRING

SC: A

1шт.

32

897038-8021

BUSH;LEVER MAIN SPRING

SC: A

1шт.

33

894454-6150

CUP;SEALING BUSH D=10

SC: A

1шт.

34

897049-3280

LEVER;GOVERNOR CONTROL

SC: A

1шт.

35

109623-0550

O-RING;CONTROL SPEED SE

SC: A

1шт.

36

509503-1350

WASHER;THRUST

SC: A

1шт.

37

909110-5080

NUT;LEVER TO SHAFT

SC: A

1шт.

38

908160-4360

PIN;CONTROL SPRING

SC: A

1шт.

39

909150-5080

WASHER;SPRING

SC: A

1шт.

40

894317-6381

SCREW CONTROL SPEED SET

SC: A

2шт.

41

909110-4060

NUT;SCREW

SC: A

2шт.

43

897039-5841

SCREW SET FULL LOAD

SC: A

1шт.

44

909110-4060

NUT;SCREW

SC: A

1шт.

46

515729-2391

EYE;START SPRING

SC: A

1шт.

48

897016-4410

SCREW;SET IDLE SPRING

SC: A

1шт.

49

909160-5040

WASHER;IDLE SPR LOWER

SC: A

1шт.

50

909160-7040

WASHER;IDLE SPR UPPER

SC: A

1шт.

51

909185-4030

RING;SNAP IDLE SPR

SC: A

1шт.

52

509503-1320

PACKING;SET SCREW

SC: A

2шт.

53

509400-0480

NUT;CAP SET SCREW

SC: A

1шт.

54

909111-4060

NUT;SET SCREW

SC: A

1шт.

55

515669-0021

CAP;IDLE SET

SC: A

1шт.

56

897082-1140

SPRING;IDLE

SC: A

1шт.

57

897016-4460

SHAFT ASS'Y;FUEL CUT

SC: A

1шт.

58

897039-5461

SPRING;RETURN FUEL CUT

SC: A

1шт.

59

897016-4492

LEVER;FUEL CUT

SC: A

1шт.

60

109623-0550

O-RING;SHAFT

SC: A

1шт.

61

509503-1350

WASHER;THRUST

SC: A

1шт.

62

909110-5080

NUT;SHAFT-LEVER

SC: A

1шт.

63

909150-5080

WASHER;SPRING

SC: A

1шт.

64

115739-0020

SEAL;LEAD

SC: A

2шт.

65

981325-4460

WIRE;LEAD SEAL

SC: A

2шт.

65

981325-4460

WIRE;LEAD SEAL

SC: A

1шт.

67

897034-6362

COVER;GOVERNOR LEVER

SC: A

1шт.

68

897064-6881

PACKING;COCER FIX

SC: A

1шт.

69

028080-6200

BOLT;COCER FIX

SERIAL: 0001-0494

4шт.

69

028080-6200

BOLT;COCER FIX

SERIAL: 0495

3шт.

71

897085-1331

CASE;GEAR TIMIMG

SC: A

1шт.

81

028080-8800

BOLT;TIMIMG CASE-BLOCK

SC: A

2шт.

81

028080-8600

BOLT;TIMIMG CASE-BLOCK

SC: A

6шт.

81

028090-8600

BOLT;TIMIMG CASE-BLOCK

SC: A

6шт.

82

091150-2080

NUT;TIMIMG CASE FIX

SC: A

1шт.

83

897049-1450

SEAL;OIL CRANKSAFT FRT

SC: A

1шт.

90

897039-2644

COVER;ANGLEICH

SC: A

1шт.

91

511129-0060

CUP;SEALING D=16

SC: A

1шт.

92

909561-2530

O-RING;COVER ANGLEICH

SC: A

1шт.

93

028080-6140

BOLT;COVER FIX

SC: A

1шт.

94

897072-8300

BOLT;W/DETENT HOLE L=1

SC: A

1шт.

96

894425-6852

CAP ASS'Y;OIL FILLER

SC: A

1шт.

97

894123-6231

PACKING;CAP

SC: A

1шт.

98

897125-9740

COVER;EPA

SERIAL: 0495

1шт.

99

897132-2911

BOLT M6X16

SERIAL: 0495

1шт.

Выбрано товаров: 76