Качественные детали и логистика
Оригинальные и аналоговые запчасти с доставкой по России, Казахстану и Беларуси
©2022 PartSell ООО "Система" ИНН 2463123282 ОГРН 1212400004838
Центральный офис: г. Красноярск, Академика Киренского, д.87, пом.4
Телефон: 8 (800) 777-65-74 Email: zakaz@partsell.ru
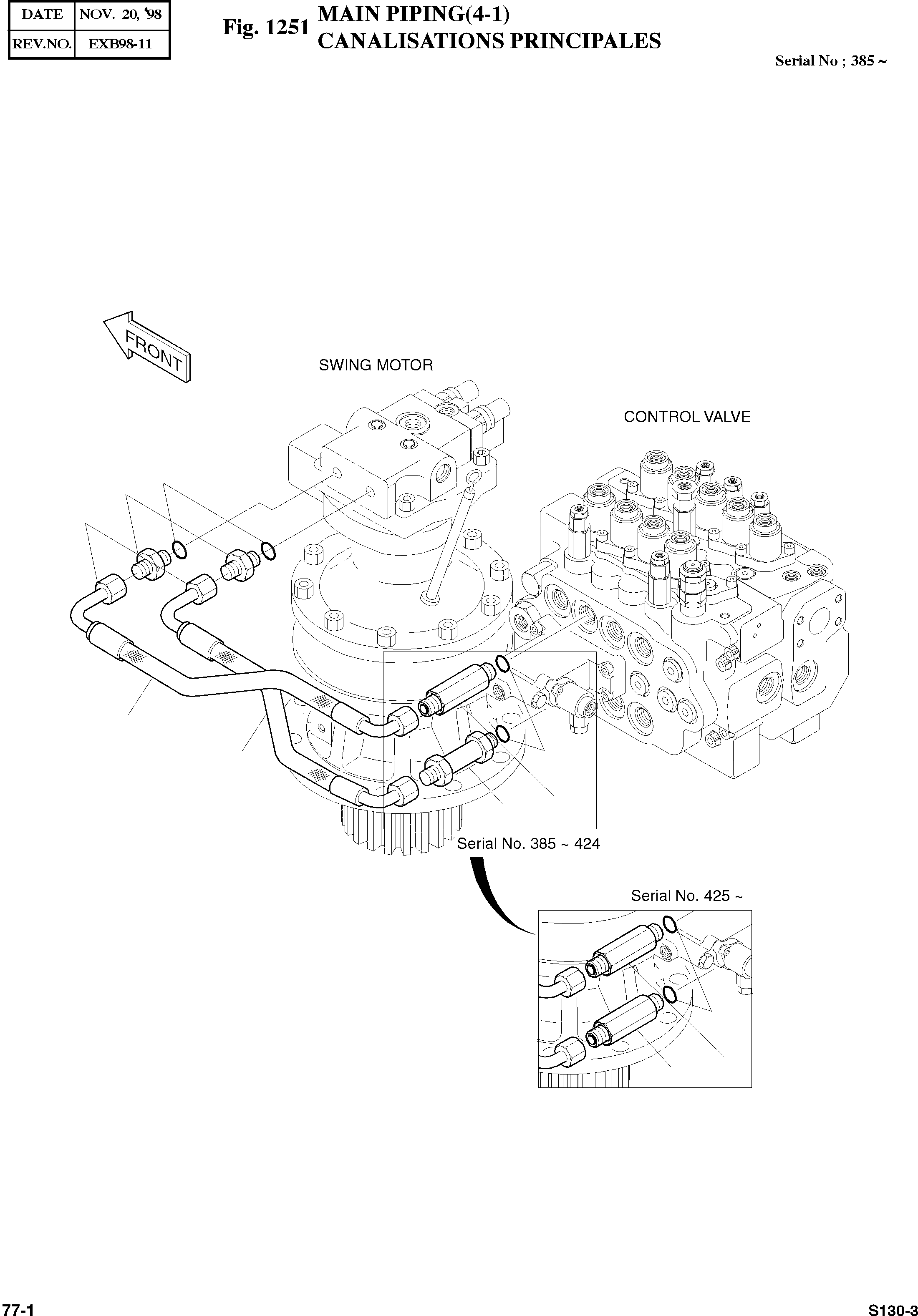
MAIN PIPING(4-1)
№
Артикул
Название
Примечание
Количество
-
2400-1640A
MAIN PIPING
SERIAL: 385
-2шт.
24
S8000241
O-RING 3/4
SERIAL: 1-572
2шт.
S8000231
O-RING P22.4
SERIAL: 573
31
2181-1564
ADAPTER PFO 3/4. PF 1/2
SERIAL: 385-424
1шт.
34
2184-1198D42
HOSE(BOOM) UNF1 3/16-500L
desc: TUYAU FLEXIBLE
35
2184-1198D43
HOSE(BOOM) UNF1 3/16-600L
60
2181-4133D11
ADAPTER
SERIAL: 425-572
2181-2627D9
ADAPTER PFO3/4. PFO1 3/16-12
61
O-RING P23
REP_PNO: 0207-001
62
S8030081
O-RING F08
desc: JOINT TORIQUE
63
2181-2627D2
ADAPTER UNF13/16-PF3/4
desc: RACCORD
Выбрано товаров: 0