Запчасти Doosan Daewoo AIR CLEANER ASSY BODY PARTS

15
3
16
4
14
5
3
7
4
8
9
6
8
3
13
3
11
4
4
8
12
10
1
2
FIT
1:1
100%

Артикул

Название

Примечание

Количество

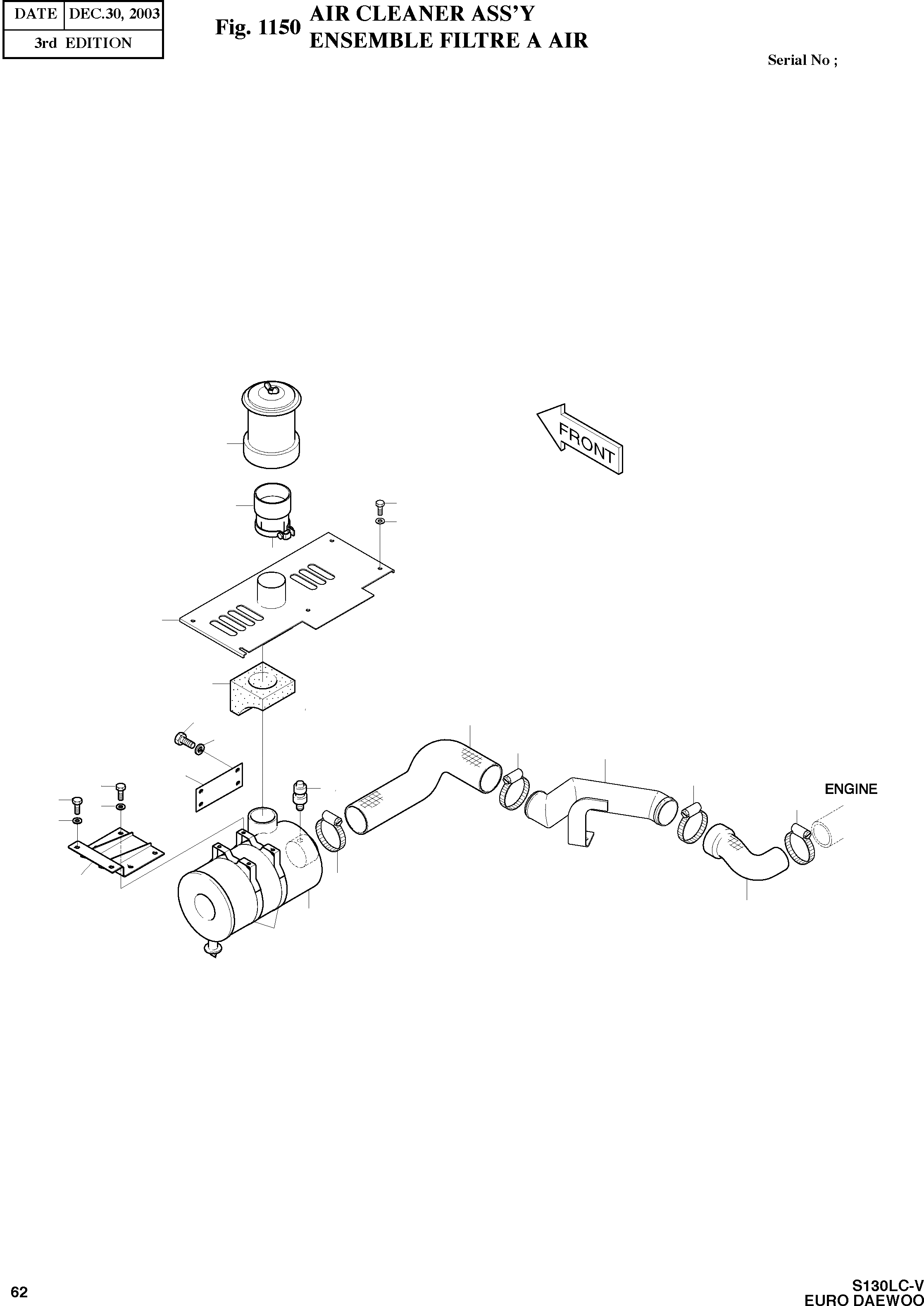
-

2204-2023

AIR CLEANER ASS'Y

SC: D

-2шт.

1

2204-9039

CLEANER;AIR

desc: FILTRE A AIR

1шт.

2

2124-1593A

BAND;AIR CLEANER

desc: ATTACHE DE TUYAU

2шт.

3

S0512053

BOLT M10X1.5X25

desc: BOULON A 6 PANS

15шт.

4

2114-1058D10

WASHER;PLAIN

desc: RONDELLE PLATE

15шт.

5

2161-2152A

SPONGE

desc: EPONGE

1шт.

6

2621-3916

COVER

desc: COUVERCLE

1шт.

7

2185-1654A

HOSE;AIR

desc: TUYAU FLEXIBLE

1шт.

8

S8450105

CLAMP;HOSE

desc: COLLIER

3шт.

9

2193-1374B

PIPE;AIR

desc: TUYAU

1шт.

10

2185-1646A

HOSE;AIR

desc: TUYAU FLEXIBLE

1шт.

11

S8450082

CLAMP;HOSE

desc: COLLIER

1шт.

12

2197-1517

BRACKET

SERIAL: 1-50610

1шт.

12

2197-1517A

BRACKET

SERIAL: 50611

1шт.

13

2170-9005

INDICATOR;AIR CLEANER

desc: INDICATEUR

1шт.

14

2621-3915E

COVER

ICA: Y

1шт.

14

2621-3915G

COVER

desc: COUVERCLE

1шт.

15

2204-9031

PRE-CLEANER

ICA: Y

1шт.

15

2204-9037

PRE-CLEANER

desc: PRE-FILTRE A AIR

1шт.

16

4182-1569A

PIPE AIR CLEANER

ICA: Y

1шт.

16

2182-1833

PIPE AIR CLEANER

desc: CONDUITE

1шт.

Выбрано товаров: 21