Запчасти Doosan Daewoo MAIN PIPING(2) BODY PARTS

27
34
27
49
50
52
33
25
25
52
27
60
58
60
59
59
34
33
34
33
FIT
1:1
100%

Артикул

Название

Примечание

Количество

-

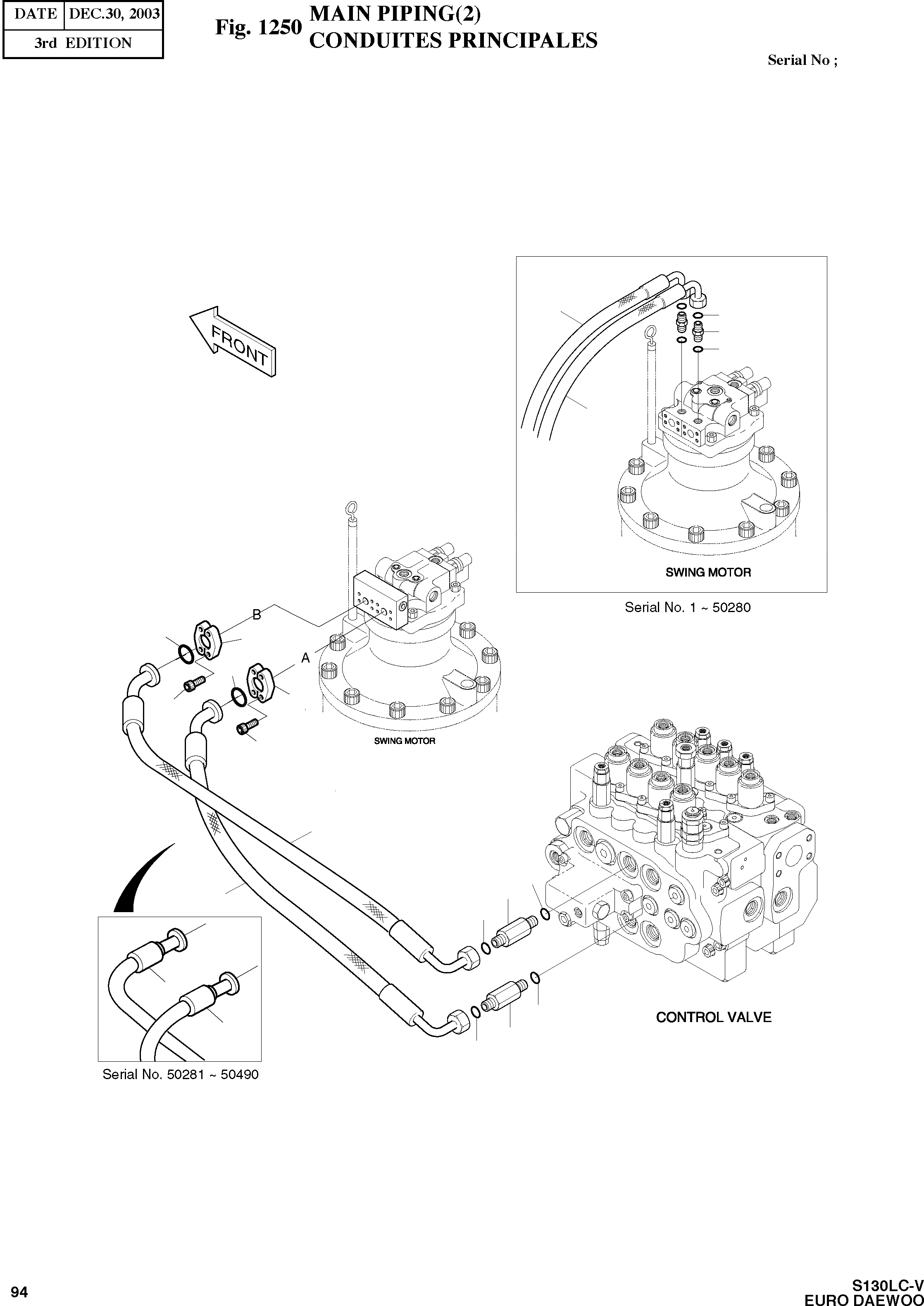
2400-1800A

MAIN PIPING

SERIAL: 1-50500

-2шт.

-

9400-1122A

MAIN PIPING

SERIAL: 50501

-2шт.

25

S8000231

O-RING

desc: JOINT TORIQUE

2шт.

27

S8030081

O-RING

SERIAL: 1-50280

4шт.

27

S8030081

O-RING

SERIAL: 50281

2шт.

33

2184-1198D40

HOSE;SWING(R) PF1/2-430L

SERIAL: 1-50280

1шт.

33

2184-1198D27

HOSE;SWING(L) PF1/2-450L

SERIAL: 50281-50490

1шт.

33

2184-1198D17

HOSE;SWING(L) PF1/2-450L

SERIAL: 50491

1шт.

34

2184-1198D41

HOSE; SWING(L)PF1/2-500L

SERIAL: 1-50280

1шт.

34

2184-1198D28

HOSE; SWING(R)PF1/2-550L

SERIAL: 50281-50490

1шт.

34

2184-1198D18

HOSE; SWING(R)PF1/2-550L

SERIAL: 50491

1шт.

49

2181-4133D3

ADAPTER PFO1/2-ORS 1/2

desc: RACCORD

2шт.

50

S8000181

O-RING

SERIAL: 50281

2шт.

52

2181-2627D8

ADAPTER PFO3/4-PF1/2

desc: RACCORD

2шт.

58

2181-9089

FLANGE;SPLIT

SERIAL: 50281

4шт.

59

S2209961

BOLT;SOCKET

SERIAL: 50281-50490

8шт.

59

S2209966

BOLT;SOCKET

SERIAL: 50491

8шт.

60

2180-1026D30

O-RING

SERIAL: 50281

2шт.

Выбрано товаров: 18