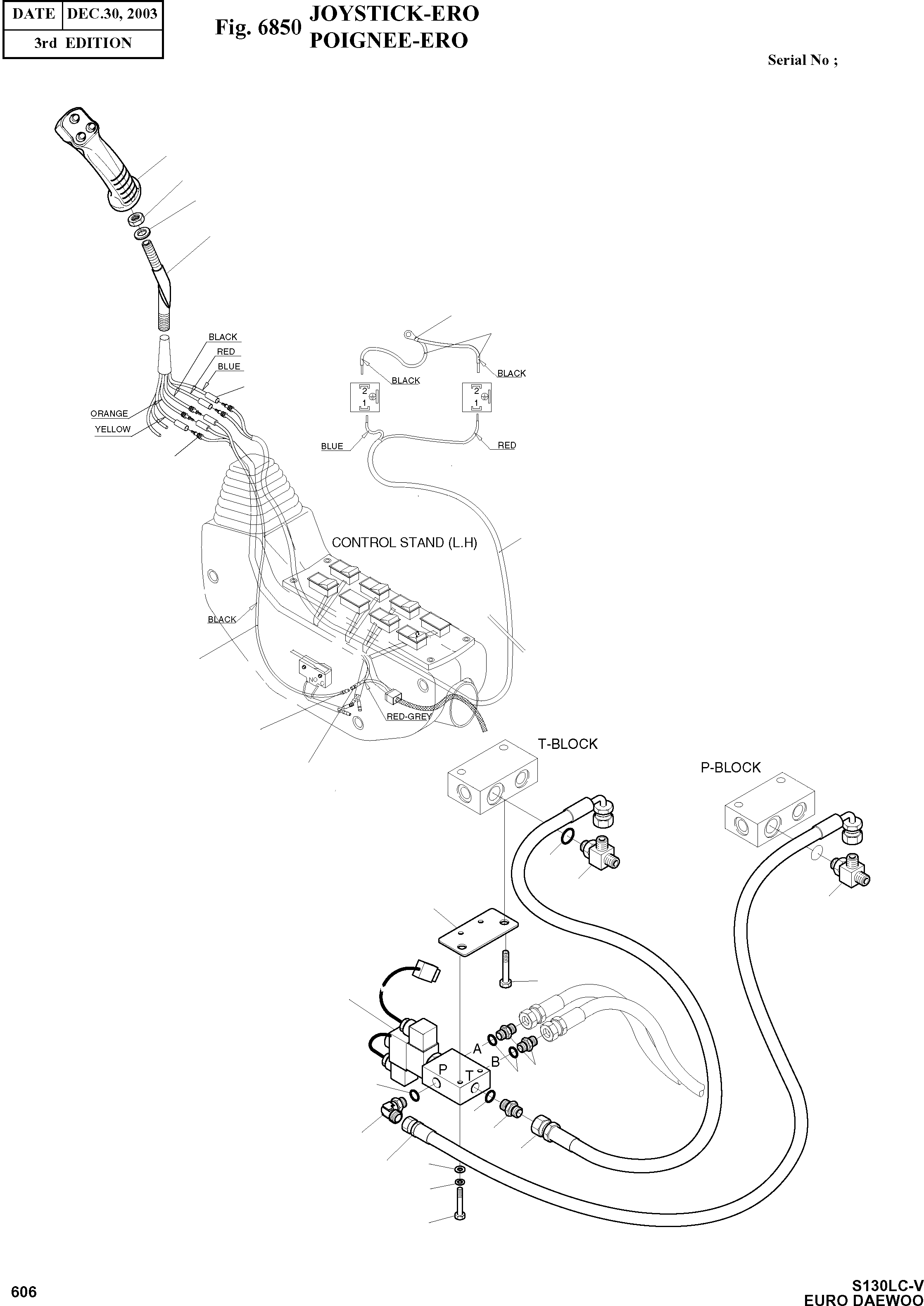
Запчасти Doosan Daewoo JOYSTICK-ERO OPTION PARTS

11
14
13
12
17
18
16
15
20
19
15
16
10
7
2
8
21
1
5
9
9
9
6
4
3
24
3
23
22
FIT
1:1
100%

Артикул

Название

Примечание

Количество

-

9400-1210

JOYSTICK-ERO

SC: D

-2шт.

1

9426-9003

VALVE;SOLENOID

desc: SOUPAPE A SOLENOIDE

1шт.

2

9195-1265

BRACKET

desc: SUPPORT

1шт.

3

2184-1048D198

HOSE

desc: TUYAU FLEXIBLE

2шт.

4

2181-1702D4

ELBOW

desc: COUDE

1шт.

5

2181-1126D89

ADAPTER

desc: ADAPTEUR

2шт.

6

2181-1126D14

ADAPTER

desc: ADAPTEUR

1шт.

7

2181-1951D19

TEE

desc: TE

1шт.

8

2181-4125

TEE

desc: TE

1шт.

9

S8000111

O-RING

desc: JONT TORIQUE

4шт.

10

S8000181

O-RING

desc: JONT TORIQUE

1шт.

11

132-00012

JOYSTICK

desc: POIGNEE

2шт.

12

731-00002

BAR;HANDLE

desc: RALLONGE

2шт.

13

S5010803

WASHER;PLAIN

desc: RONDELLE

2шт.

14

S4032833

NUT

desc: ECROU

2шт.

15

S800140H

TERMINAL

desc: TERMIANL

5шт.

16

S801140H

TERMINAL

desc: TERMIANL

5шт.

17

9550-9001

TERMINAL;MB

desc: TERMIANL

1шт.

18

9400-1210-18

WIRE

desc: CABLE

2шт.

19

9400-1210-19

WIRE

desc: CABLE

1шт.

20

9400-1210-20

WIRE

desc: CABLE

1шт.

21

S0558753

BOLT

desc: BOULON A 6PANS

2шт.

22

S0553553

BOLT

desc: BOULON A 6PANS

2шт.

23

S5102303

WASHER;SPRING

desc: RONDELLE ELASTIQUE

2шт.

24

S5010313

WASHER;PLAIN

desc: RONDELLE

2шт.

Выбрано товаров: 0