Запчасти Doosan Daewoo MAIN PIPING(2) BODY PARTS

27
52
52
27
25
25
34
27
49
50
33
60
58
60
58
59
59
34
33
34
33
FIT
1:1
100%

Артикул

Название

Примечание

Количество

-

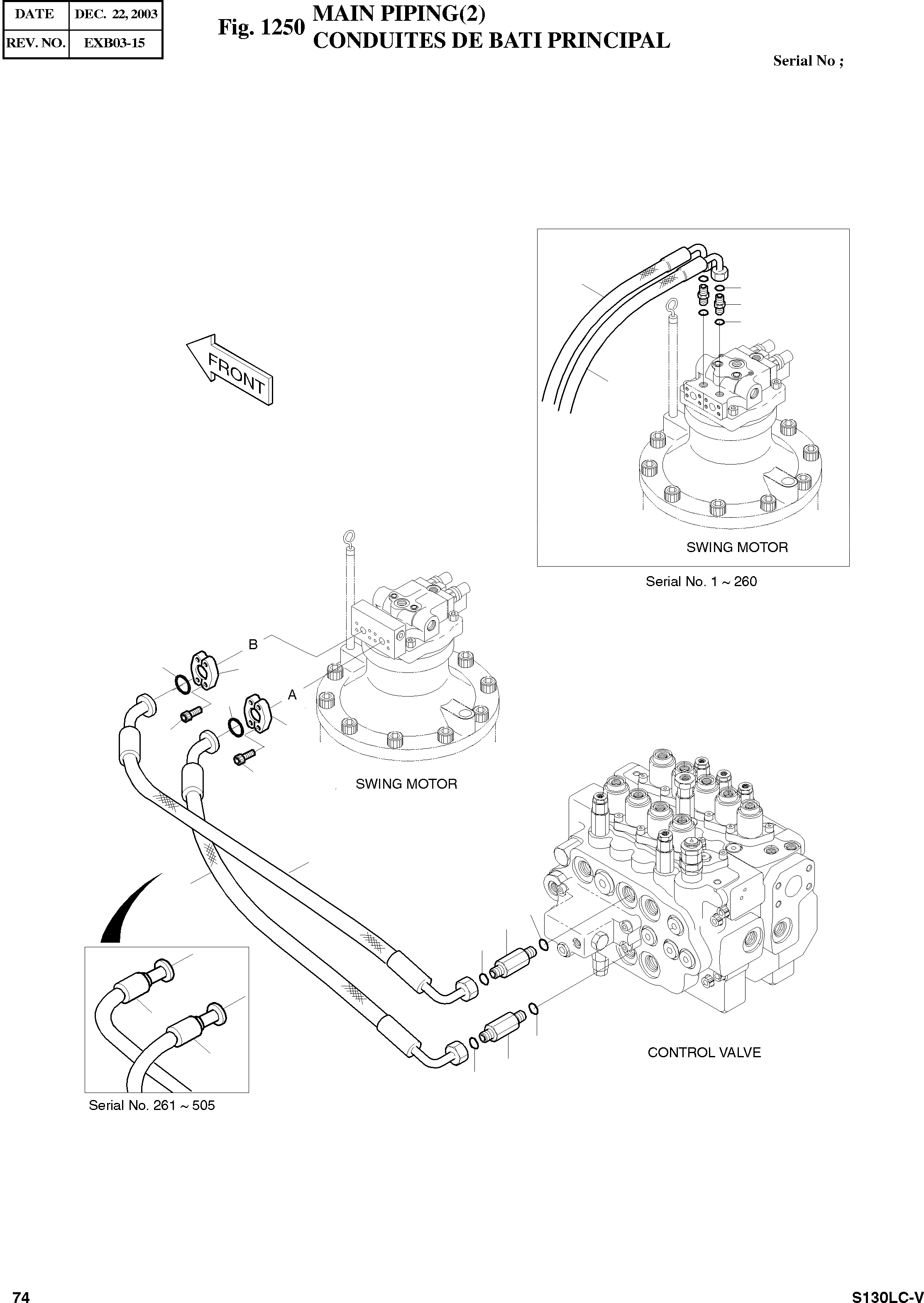
2400-1800A

MAIN PIPING

SC: D

-2шт.

25

S8000231

O-RING

desc: JOINT TORIQUE

2шт.

27

S8030081

O-RING

SERIAL: 1-260

4шт.

27

S8030081

O-RING

SERIAL: 261

2шт.

33

2184-1198D40

HOSE;SWING(R) PF1/2-430L

SERIAL: 1-260

1шт.

33

2184-1201D27

HOSE;SWING(R) PF1/2-450L

SERIAL: 261-505

1шт.

33

2184-1216D17

HOSE;SWING(R) PF1/2-420L

SERIAL: 506

1шт.

34

2184-1198D41

HOSE;SWING(L) PF1/2-500L

SERIAL: 1-260

1шт.

34

2184-1201D28

HOSE;SWING(L) PF1/2-550L

SERIAL: 261-505

1шт.

34

2184-1216D18

HOSE;SWING(L) PF1/2-500L

SERIAL: 506

1шт.

49

2181-4133D3

ADAPTER PFO1/2

SERIAL: 1-260

2шт.

50

S8000181

O-RING

SERIAL: 1-260

2шт.

52

2181-2627D8

ADAPTER PFO3/4-PF1/2

desc: RACCORD ADAPTATEUR

2шт.

58

2181-9089

FLANGE

SERIAL: 261

4шт.

59

S2209961

BOLT;SOCKET M8X1.25X65

SERIAL: 261-711

8шт.

59

S2209966

BOLT;SOCKET M8X1.25X65

SERIAL: 712

8шт.

60

2180-1026D30

O-RING

SERIAL: 261

2шт.

Выбрано товаров: 17