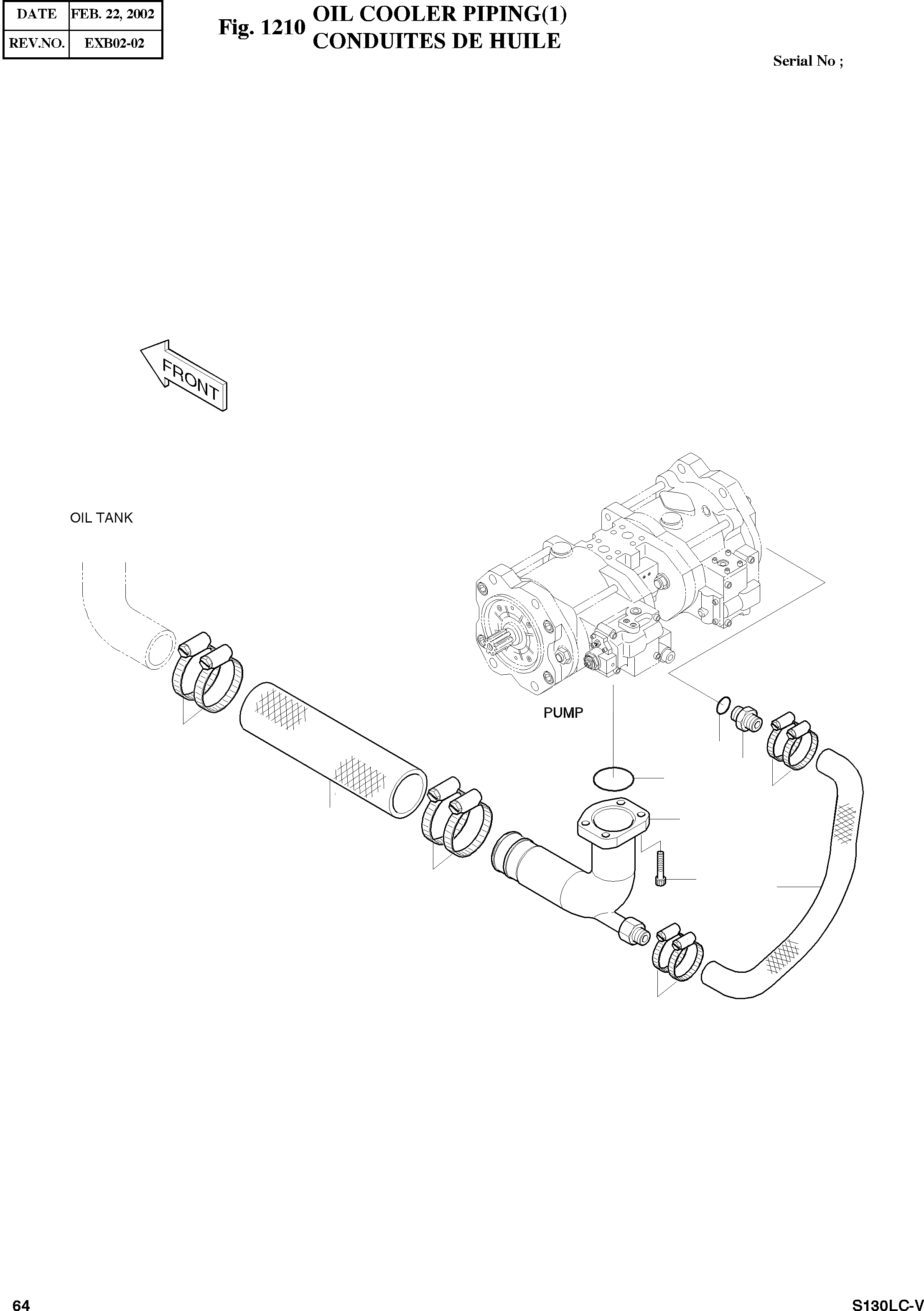
Запчасти Doosan Daewoo OIL COOLER PIPING(1) BODY PARTS

1
38
46
49
27
45
8
38
28
29
45
FIT
1:1
100%

Артикул

Название

Примечание

Количество

-

2400-1799A

OIL COOLER PIPING

SC: D

-2шт.

1

2140-1275B

PIPE;SUCTION

desc: TUYAU

1шт.

8

2185-1002D105

HOSE

desc: TUYAU FLEXIBLE

1шт.

27

2180-1026D31

O-RING

desc: JOINT TORIQUE

1шт.

28

S2215361

BOLT;SOCKET M12X1.75X35

SERIAL: 1-711

4шт.

28

S2215366

BOLT;SOCKET M12X1.75X35

SERIAL: 712

4шт.

29

2185-1002D109

HOSE 680L

SERIAL: 1-13

1шт.

29

2185-1002D122

HOSE 740L

SERIAL: 14

1шт.

38

S8450082

CLAMP;HOSE

desc: COLLIER

4шт.

45

S8450035

CLAMP;HOSE

desc: COLLIER

4шт.

46

S8000241

O-RING

desc: JOINT TORIQUE

1шт.

49

2181-2693

ADAPTER PFO3/4

SERIAL: 1-32

1шт.

49

2181-2693A

ADAPTER

SERIAL: 33

1шт.

Выбрано товаров: 13