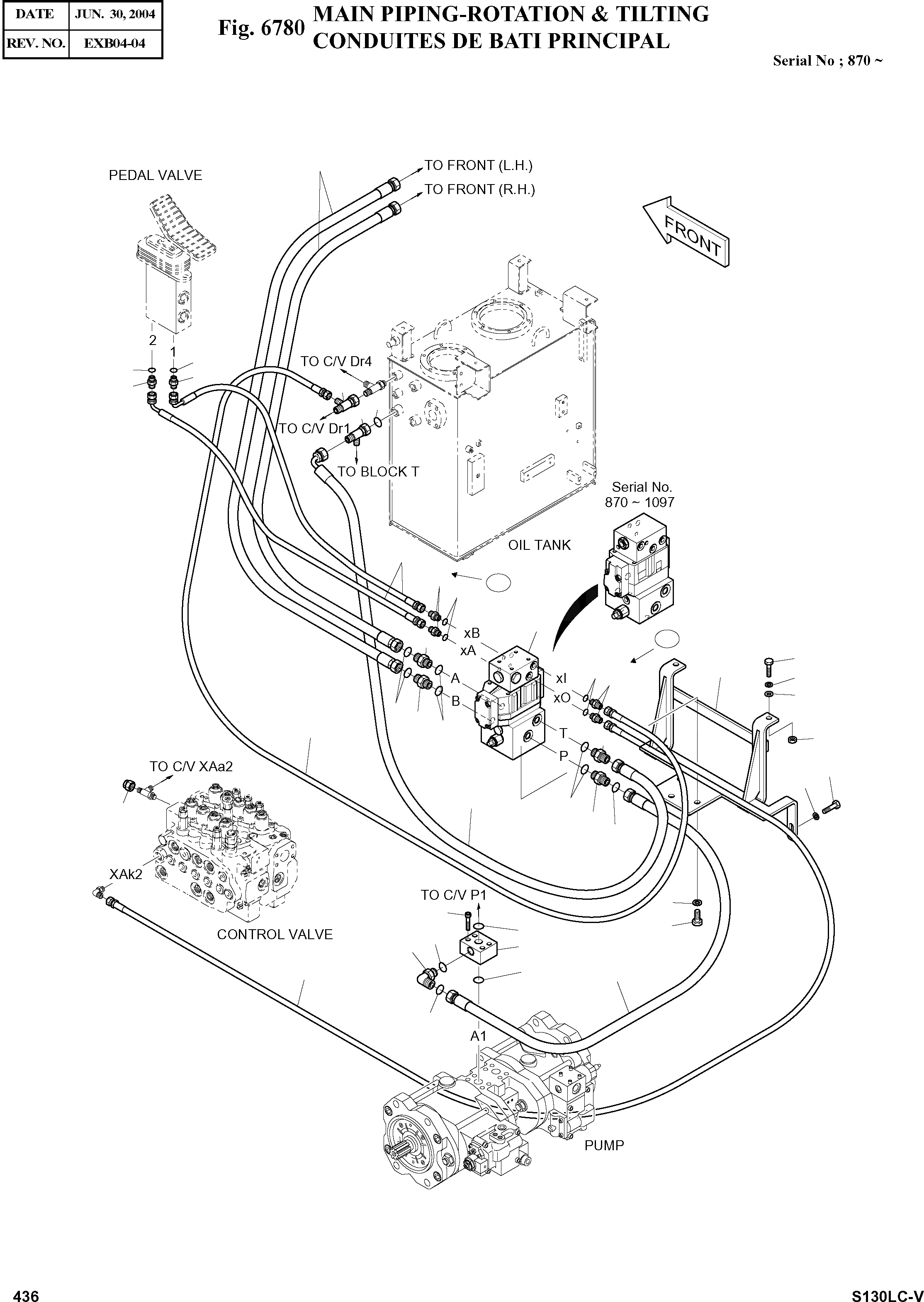
Запчасти Doosan Daewoo MAIN PIPING-ROTATION & TILTING OPTION PARTS

1
9
9
8
11
8
26
10
4
29
8
9
13
8
6
16
15
9
29
17
24
7
27
26
5
23
25
16
17
3
26
22
27
7
19
20
18
21
26
12
14
28
21
2
7
FIT
1:1
100%

Артикул

Название

Примечание

Количество

-

400-00861

MAIN PIPING-ROTATION & TILTING

SC: D

-2шт.

1

DS2011304

HOSE ORS1/2-2700L

desc: TUYAU FLEXIBLE

2шт.

2

2184-1196D129

HOSE ORFS1/2-800L

desc: TUYAU FLEXIBLE

1шт.

3

2184-1036D319

HOSE PF1/2-2200L

desc: TUYAU FLEXIBLE

1шт.

4

2184-1046D186

HOSE PF1/4-3900L

SERIAL: 870-1097

2шт.

4

2184-1046D266

HOSE PF3/8-3900L

SERIAL: 1098

2шт.

5

2184-1045D152

HOSE PF1/4-2000L

desc: TUYAU FLEXIBLE

1шт.

6

2181-4133D3

ADAPTER ORS1/2-PF1/2

desc: RACCORD ADAPTATEUR

1шт.

7

S8030081

O-RING

desc: JONT TORIQUE

4шт.

8

2181-1126D14

ADAPTER

SERIAL: 870-1097

6шт.

8

2181-1126D14

ADAPTER

SERIAL: 1098

2шт.

9

S8000111

O-RING

desc: JONT TORIQUE

6шт.

10

2181-1951D5

TEE PFO1/2-2PF1/2

desc: TE

1шт.

11

181-00673D3

TEE;UNION

desc: TE

1шт.

12

2181-2815D3

ELBOW ORS1/2-PF1/2

desc: COUDE

1шт.

13

420-00322

VALVE;OPTION

SERIAL: 870-1097

1шт.

13

420-00322B

VALVE;OPTION

SERIAL: 1098-1129

1шт.

13

420-00322C

VALVE;OPTION

SERIAL: 1130

1шт.

14

423-00122

BLOCK

desc: BLOC

1шт.

15

195-01835A

BRACKET

desc: SUPPORT

1шт.

16

S0512453

BOLT M10X1.5X40

desc: BOULON A 6PANS

3шт.

17

S5102603

WASHER;SPRING M10

desc: RONDELLE ELASTIQUE

3шт.

18

S0515253

BOLT M12X1.75X30

SERIAL: 870-1097

3шт.

18

S0515053

BOLT M12X1.75X25

SERIAL: 1098

3шт.

19

S5102703

WASHER;SPRING M12

desc: RONDELLE ELASTIQUE

3шт.

20

S2213066

BOLT;SOCKET M10X1.5X70

desc: BOULON A 6 PANS CREUX

4шт.

21

2180-1026D2

O-RING

desc: JONT TORIQUE

2шт.

22

2181-2820D1

PLUG

desc: BOUCHON

1шт.

23

S4012633

NUT

desc: ECROU

2шт.

24

S5010613

WASHER;PLAIN

desc: RONDELLE PLATE

2шт.

25

2181-1126D6

ADAPTER

desc: RACCORD ADAPTATEUR

1шт.

26

S8000181

O-RING

desc: JONT TORIQUE

6шт.

27

2181-4133D37

ADAPTER

desc: RACCORD ADAPTATEUR

2шт.

28

2184-1045D131

HOSE PF1/4-2700L

desc: TUYAU FLEXIBLE

1шт.

29

2181-1126D89

ADAPTER PF1/4XPF3/8

SERIAL: 1098

4шт.

Выбрано товаров: 0