Качественные детали и логистика
Оригинальные и аналоговые запчасти с доставкой по России, Казахстану и Беларуси
©2022 PartSell ООО "Система" ИНН 2463123282 ОГРН 1212400004838
Центральный офис: г. Красноярск, Академика Киренского, д.87, пом.4
Телефон: 8 (800) 777-65-74 Email: zakaz@partsell.ru
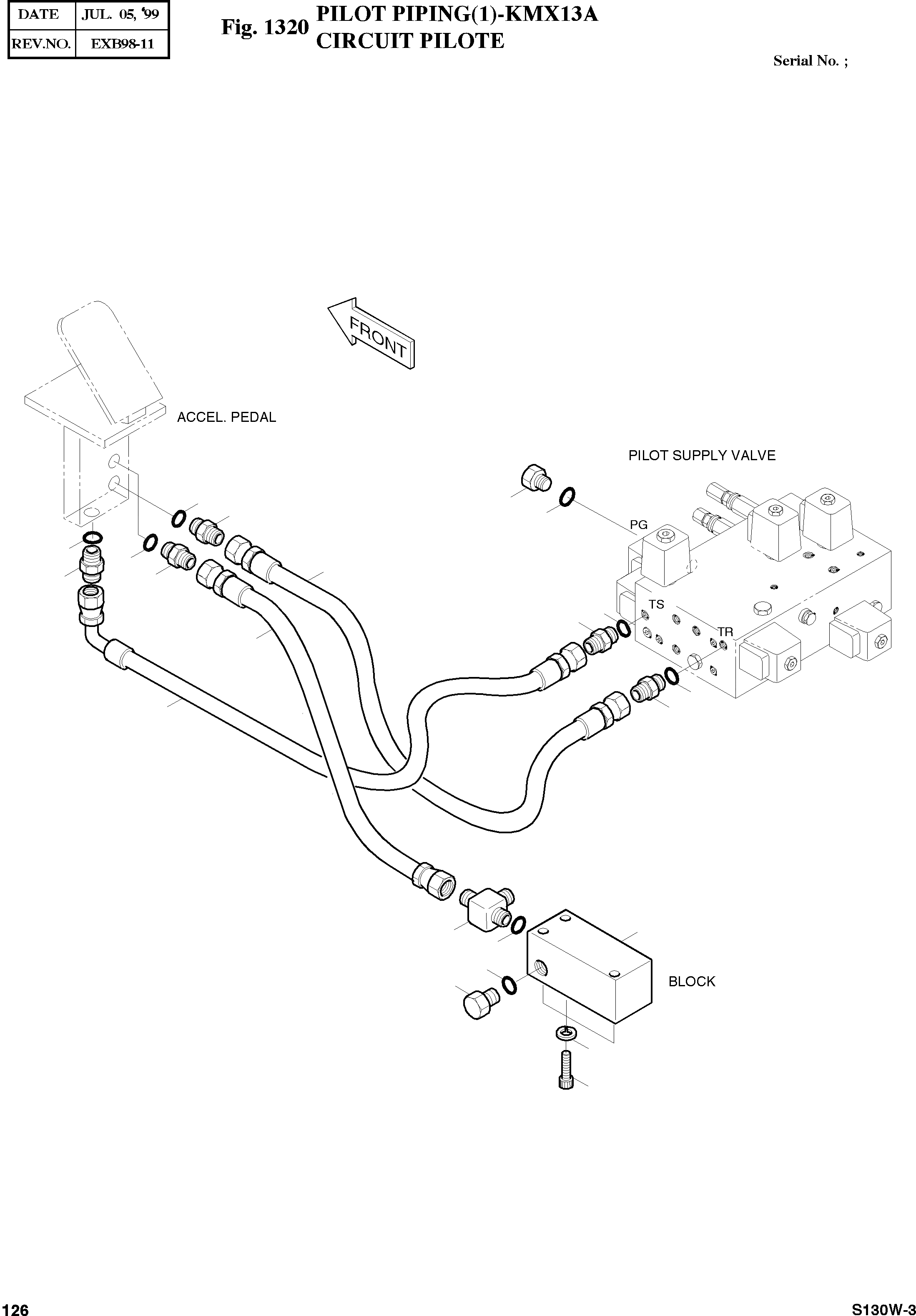
PILOT PIPING(1)-KMX13A
№
Артикул
Название
Примечание
Количество
-
2400-1411
PILOT PIPING
desc: CIRCUIT PILOTE(D28 C/V)
-2шт.
1
2181-1126D14
ADAPTER 2PF1/4
desc: RACCORD ADAPTATEUR
5шт.
2
S8000111
O-RING P11
REP_PNO: 8202-009
8шт.
17
S5102303
WASHER;SPRING M6
desc: RONDELLE ELASTIQUE
3шт.
42
2181-1951D1
TEE PFO1/4-2-PF1/4
desc: TE
1шт.
54
2181-1950D1
PLUG PF1/4
desc: BOUCHON
2шт.
65
2423-1330
BLOCK
desc: BLOC
66
S2205661
BOLT;SOCKET M6X1.0X50
desc: BOULON A 6 PANS CREUX
69
2184-1045D64
HOSE(S-S) 1/4-920L
desc: TUYAU FLEXIBLE
70
2184-1045D152
HOSE(S-S) 1/4-2000L
71
2184-1046D219
HOSE(S-90) 1/4-2100L
Выбрано товаров: 0