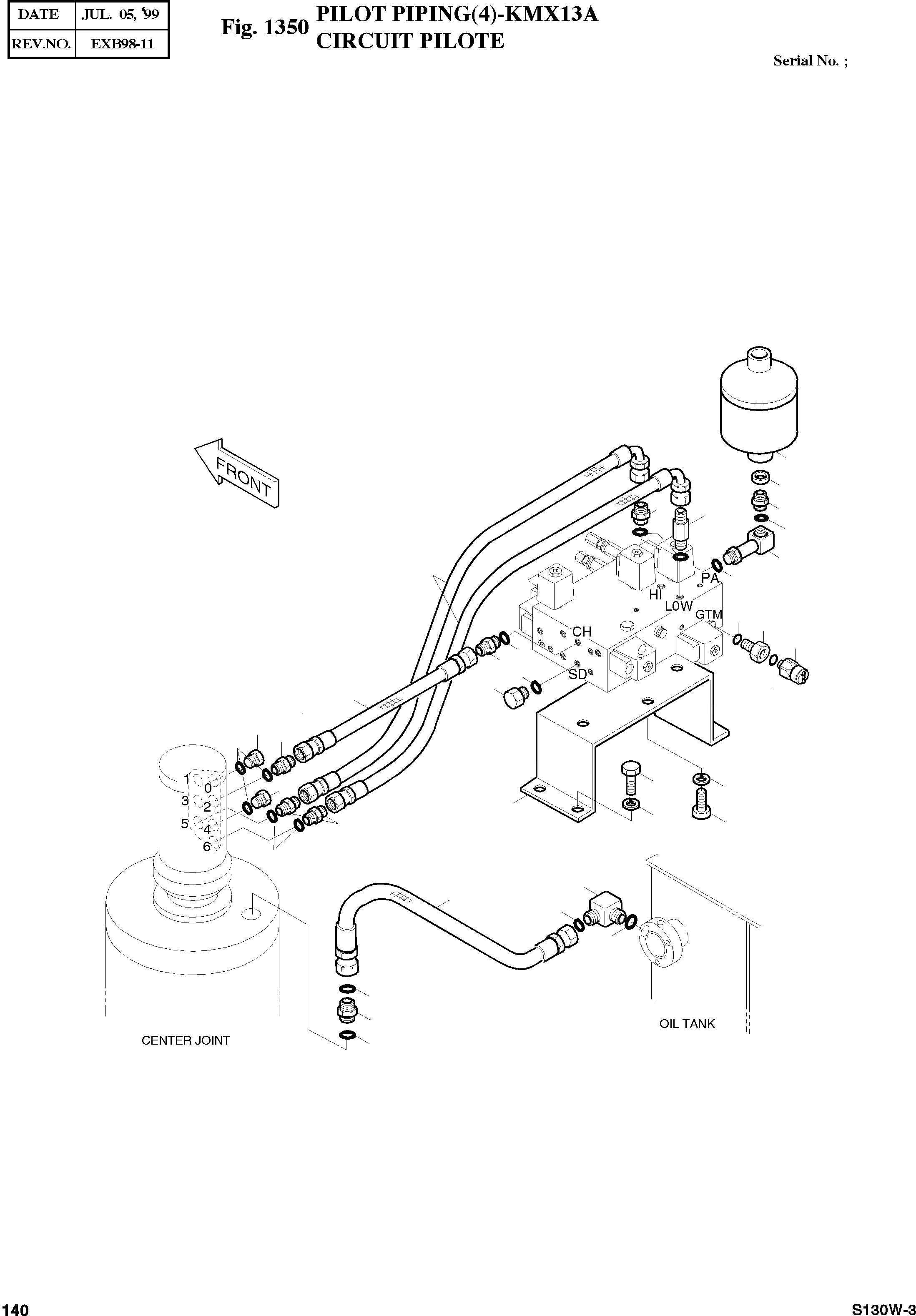
Запчасти Doosan Daewoo PILOT PIPING(4)-KMX13A BODY PARTS

83
85
6
84
81
7
7
82
80
7
2
102
100
2
1
2
54
101
79
54
1
2
96
54
33
91
33
96
6
7
58
87
86
89
86
88
89
FIT
1:1
100%

Артикул

Название

Примечание

Количество

-

2400-1411

PILOT PIPING

desc: CIRCUIT PILOTE

-2шт.

1

2181-1126D14

ADAPTER 2PF1/4

desc: RACCORD ADAPTATEUR

4шт.

2

S8000111

O-RING P11

REP_PNO: 8202-009

3шт.

6

2181-1126D7

ADAPTER PFO3/8-PF3/8

desc: RACCORD ADAPTATEUR

3шт.

7

S8000141

O-RING P14

REP_PNO: 8202-011

6шт.

33

S5102603

WASHER;SPRING M10

desc: RONDELLE ELASTIQUE

7шт.

54

2181-1950D1

PLUG PF1/4

desc: BOUCHON

3шт.

58

2181-2294D2

ELBOW UNF1 3/16-12XPF3/4

desc: COUDE

1шт.

79

2184-1045D38

HOSE(S-S) 1/4-425L

desc: TUYAU FLEXIBLE

2шт.

80

2184-1036D274

HOSE(S-90) 3/8-550L

desc: TUYAU FLEXIBLE

2шт.

81

2181-1126D28

ADAPTER PFO3/8

desc: RACCORD ADAPTATEUR

1шт.

82

2181-2295D3

ELBOW PFO3/8

desc: COUDE

1шт.

83

2460-9015A

ACCUMULATOR 0.7L

ICA: Y

1шт.

83

2460-9035

ACCUMULATOR 0.75L

desc: RESERVOIR

1шт.

84

2181-1938D10

ADAPTER M18X1.5 PF3/8

desc: RACCORD ADAPTATEUR

1шт.

85

S8180291

PACKING M18

desc: RONDELLE D'ETANCHEITE

1шт.

86

S8030121

O-RING F12

desc: JOINT TORIQUE

2шт.

87

2184-1196D43

HOSE(S-45) 3/4-900L

desc: TUYAU FLEXIBLE

1шт.

88

2181-4133D5

ADAPTER UNF1 3/16-12XPF3/4

desc: RACCORD ADAPTATEUR

2шт.

89

S8000241

O-RING P24

desc: JOINT TORIQUE

2шт.

91

2195-3281

BRACKET

desc: SUPPORT

1шт.

96

S0511853

BOLT M10X1.5X20

desc: BOULON A 6 PANS

7шт.

100

2549-1135D3

SWITCH;PRESSURE 26BAR

desc: INTERRUPTEUR

1шт.

101

S8180161

PACKING M10

desc: RONDELLE D'ETANCHEITE

1шт.

102

2181-2489

REDUCER PF1/4-M10X1.0

desc: REDUCTEUR

1шт.

Выбрано товаров: 25