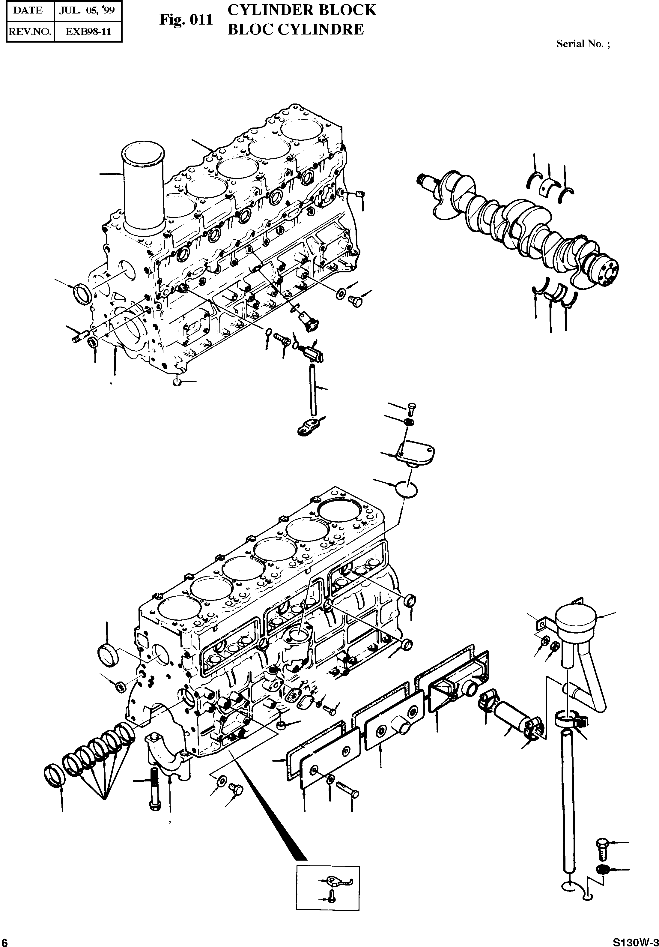
Запчасти Doosan Daewoo CYLINDER BLOCK ENGINE PARTS

11
1
32
31
32
2
17
24-1
9
14
13
47
46
32
19
51
49
32
31
51
50
16
3
4
15
52
21
53
22
20
45
34
33
9
36
10
35
16
57
58
60
59
5
38
25
37
54
38
44
6
39
62
8
30
61
3
4
29
24
7
41
42
55
40
56
FIT
1:1
100%

Артикул

Название

Примечание

Количество

-

65.01101-6051

CYLINDER BLOCK ASS'Y

desc: ENSEMBLE BLOC-CYLINDRES

1шт.

1

65.01101-0030

BLOCK;CYLINDER

desc: . BLOC CYLINDRES

1шт.

2

65.01201-0029

LINER;CYLINDER

desc: . CHEMISE DE CYLINDRE

6шт.

3

65.01105-1004

CAP;BEARING(F.M.R)

SC: D

6шт.

4

65.01105-1003

CAP;BEARING(NO.4)

SC: D

1шт.

5

65.91710-0001

RING;BEARING CAP STOPPER

desc: . BAGUE DE SOUTIEN

2шт.

6

65.90020-0029

BOLT;HEX. BEARING CAP

desc: . BOULON A 6 PANS

14шт.

7

65.04410-0007

BUSH;CAM SHAFT

desc: . DOUILLE

1шт.

8

65.04410-0006

BUSH;CAM SHAFT

desc: . DOUILLE

5шт.

9

65.90302-0009

PLUG;CORE

desc: . BOUCHON DE DESSABLAGE

2шт.

10

06.15091-0319

PLUG;CORE B28D

desc: . BOUCHON

2шт.

11

06.15091-0322

PLUG;CORE

desc: . BOUCHON DE DESSABLAGE

3шт.

13

65.90310-0030

SCREW;PLUG M12X1.25

desc: VIS

1шт.

14

06.56190-0704

RING;SEAL A12X18

desc: BAGUE D'ETANCHEITE A16x20

1шт.

15

65.90320-0019

SCREW;PLUG PT3/8

desc: VIS

1шт.

16

06.15091-0313

PLUG;CORE

desc: BOUCHON B28D

2шт.

17

65.90320-0022

SCREW;PLUG PT1/8

desc: VIS

9шт.

19

65.90201-0058

BOLT;STUD M14X12.5X45

desc: BOULON A 6 PANS

1шт.

20

65.91605-0001

COVER

SERIAL: 500009

1шт.

20

65.91605-0001C

COVER

SERIAL: 500010

1шт.

21

06.01283-7113

BOLT;HEX. M8X20

SERIAL: 309999

2шт.

21

06.01913-3113

BOLT ASS'Y M8X20

SERIAL: 400001

2шт.

22

06.16731-2107

WASHER;SPRING

SERIAL: 309999

2шт.

22

06.16731-2107

WASHER;SPRING

SERIAL: 400001

24

65.01112-0021

COVER;PUSH ROD CHAMBER

SERIAL: 400151

1шт.

24

65.01112-0021

COVER;PUSH ROD CHAMBER

SERIAL: 400152

2шт.

24-1

65.01112-5018

COVER;PUSH ROD CHAMBER

desc: COUVERCLE

1шт.

25

65.01112-6003

COVER;PUSH ROD CHAMBER

SERIAL: 400151

1шт.

25

65.01112-6003

COVER;PUSH ROD CHAMBER

SERIAL: 400152

29

65.90020-0049

BOLT;HEX

desc: BOULON A 6 PANS

6шт.

30

65.96507-0007

PACKING

desc: RONDELLE D'ETANCHEITE

6шт.

31

65.01110-6090

METAL;CRANK

desc: PALIER

7шт.

32

65.01150-6010

WASHER;THRUST

desc: RONDELLE DE BUTEE

2шт.

33

65.01801-5030

BREATHER PIPE ASS'Y

SERIAL: 400151

1шт.

33

65.01801-5030

BREATHER PIPE ASS'Y

SERIAL: 400152

34

06.67020-0106

CLAMP;HOSE

SERIAL: 400151

1шт.

34

06.67020-0106

CLAMP;HOSE

SERIAL: 400152

35

06.11063-8214

NUT;HEX. M8

desc: ECROU 6 PANS M8

2шт.

36

06.16731-2107

WASHER;SPRING

desc: RONDELLE ELASTIQUE

2шт.

37

65.96301-0135

HOSE;RUBBER

SERIAL: 400151

1шт.

37

65.96301-0135

HOSE;RUBBER

SERIAL: 400152

38

06.67020-0110

CLAMP;HOSE

SERIAL: 400151

2шт.

38

06.67020-0110

CLAMP;HOSE

SERIAL: 400152

39

65.96901-0006

PIPE;VINYL

SERIAL: 400151

1шт.

39

65.96901-0006

PIPE;VINYL

SERIAL: 400152

40

65.97401-0049

CLIP;PIPE

SERIAL: 400151

1шт.

40

65.97401-0049

CLIP;PIPE

SERIAL: 400152

41

06.01283-7111

BOLT;HEX. M8X16

SERIAL: 400151

1шт.

41

06.01283-7111

BOLT;HEX. M8X16

SERIAL: 400152

42

06.16731-2107

WASHER;SPRING

SERIAL: 400151

1шт.

42

06.16731-2107

WASHER;SPRING

SERIAL: 400152

44

65.01901-0004

GASKET;CHAMBER COVER

desc: JOINT

3шт.

45

06.56021-0106

O-RING G50

desc: JOINT TORIQUE G50

1шт.

46

65.05401-5002

RELIEF VALVE ASS'Y

desc: CLAPET DE DECHARGE

1шт.

47

06.56021-0102

O-RING G30

desc: JOINT TORIQUE G30

1шт.

49

65.06310-6003

PLUG;DRAIN

desc: BOUCHON DE VIDANGE

1шт.

50

65.98130-0040

ADAPTER

desc: RACCORD ADAPTATEUR

1шт.

51

06.56190-0713

RING;SEAL A18X24

desc: BAGUE D'ETANCHEITE

2шт.

52

04.50010-0811

HOSE;VINYL

desc: TUYAU FLEXIBLE PVC

1шт.

53

65.97401-0050

CLIP;HOSE

desc: CLIP

1шт.

54

06.67020-0106

CLAMP;HOSE

SERIAL: 400151

1шт.

54

06.67020-0106

CLAMP;HOSE

SERIAL: 400152

55

65.01601-5008

OIL JET PIPE ASS'Y

desc: REFROIDISSEUR D'HUILE

6шт.

55

65.01601-5010

OIL JET PIPE ASS'Y

desc: REFROIDISSEUR D'HUILE

6шт.

56

65.05401-5015

RELIEF VALVE ASS'Y

desc: CLAPET DE DECHARGE

6шт.

57

65.05903-0013

GASKET

desc: JOINT

1шт.

58

65.91615-0011

COVER;BLIND

desc: COUVERCLE BORGNE

1шт.

59

06.01283-7113

BOLT;HEX. M8X20

SERIAL: 309999

2шт.

59

06.01913-3113

BOLT ASS'Y M8X20

SERIAL: 400001

2шт.

60

06.16731-2107

WASHER;SPRING

SERIAL: 309999

2шт.

60

06.16731-2107

WASHER;SPRING

SERIAL: 400001

61

06.08092-0204

SCREW;PLUG M14X1.5

desc: BOUCHON A VIS

1шт.

61

65.90310-0135

SCREW;PLUG M14X1.5

desc: BOUCHON A VIS

1шт.

62

06.56190-0706

RING;SEAL A14X20

desc: BAGUE D'ETANCHEITE

1шт.

Выбрано товаров: 74