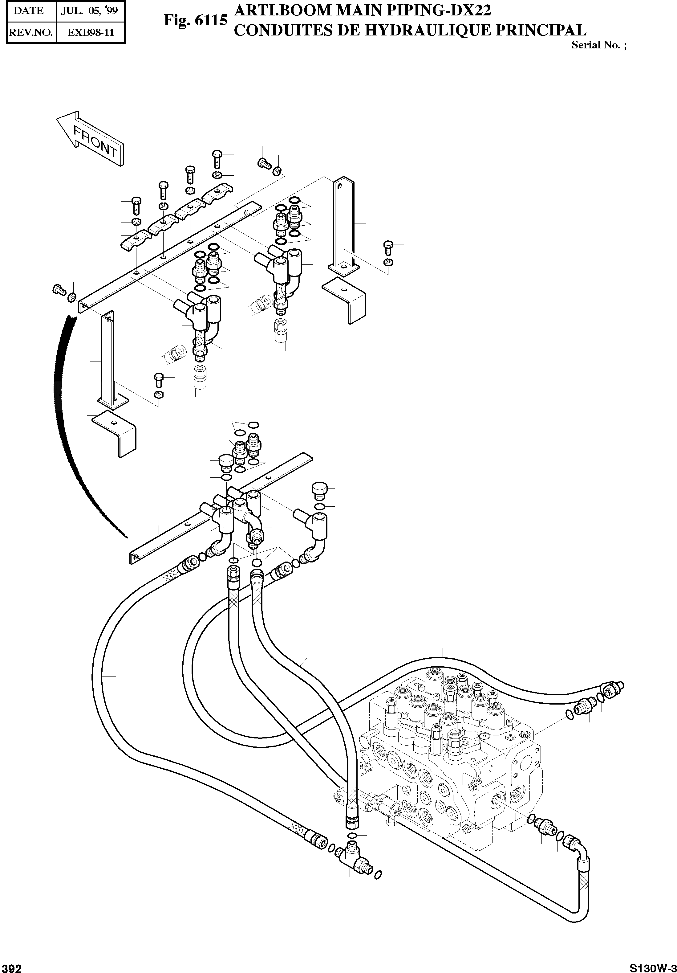
Запчасти Doosan Daewoo ARTI.BOOM MAIN PIPING-DX22 OPTION PARTS

18
20
20
25
20
9
23
24
25
20
7
18
23
20
2
24
26
2
18
1
1
8
1
12
20
15
26
25
23
22
24
24
22
24
2
7
5
25
25
13
14
25
23
24
25
24
23
25
25
24
16
19
21
19
21
18
1
FIT
1:1
100%

Артикул

Название

Примечание

Количество

-

2400-1656

ARTICULATION BOOM PIPING

SC: D

-2шт.

1

2183-3474

PIPE

desc: CONDUITE

4шт.

2

2183-3470

PIPE

desc: CONDUITE

3шт.

5

2183-3473

PIPE

desc: CONDUITE

1шт.

7

2295-1117

SUPPORT

desc: SUPPORT

1шт.

8

2195-3273

SUPPORT

desc: SUPPORT

1шт.

9

2195-3274

SUPPORT

desc: SUPPORT

1шт.

12

2184-1196D24

HOSE 3/4-1000L

desc: TUYAU FLEXIBLE

1шт.

13

2184-1197D5

HOSE 1 3/16"12UN-28 1300L

SERIAL: 1351

1шт.

14

2184-1197D7

HOSE(BUCKET) UNF1 3/16-12-1500L

desc: TUYAU FLEXIBLE

1шт.

15

2184-1196D19

HOSE 3/4-1300L

desc: TUYAU FLEXIBLE

1шт.

16

2181-2293D1

TEE UNF1 3/16-12XPF3/4

desc: TE

1шт.

18

S0515053

BOLT M12X1.75X25

desc: BOULON A 6 PANS

4шт.

19

S0560853

BOLT M12X1.75X55

desc: BOULON A 6 PANS

4шт.

20

S5102703

WASHER;SPRING M12

desc: RONDELLE ELASTIQUE

8шт.

21

2124-1025D3

CLAMP;PIPE

desc: ATTACHE DE TUBE

4шт.

22

2181-1950D5

PLUG PF3/4

desc: BOUCHON

2шт.

23

2181-4133D5

ADAPTER UNF1 3/16-12XPF3/4

desc: RACCORD ADAPTATEUR

8шт.

24

S8000241

O-RING P24

desc: JOINT TORIQUE

11шт.

25

S8030121

O-RING F12

desc: JOINT TORIQUE

14шт.

26

2195-3577

BRACKET

desc: SUPPORT

2шт.

Выбрано товаров: 21