Качественные детали и логистика
Оригинальные и аналоговые запчасти с доставкой по России, Казахстану и Беларуси
©2022 PartSell ООО "Система" ИНН 2463123282 ОГРН 1212400004838
Центральный офис: г. Красноярск, Академика Киренского, д.87, пом.4
Телефон: 8 (800) 777-65-74 Email: zakaz@partsell.ru
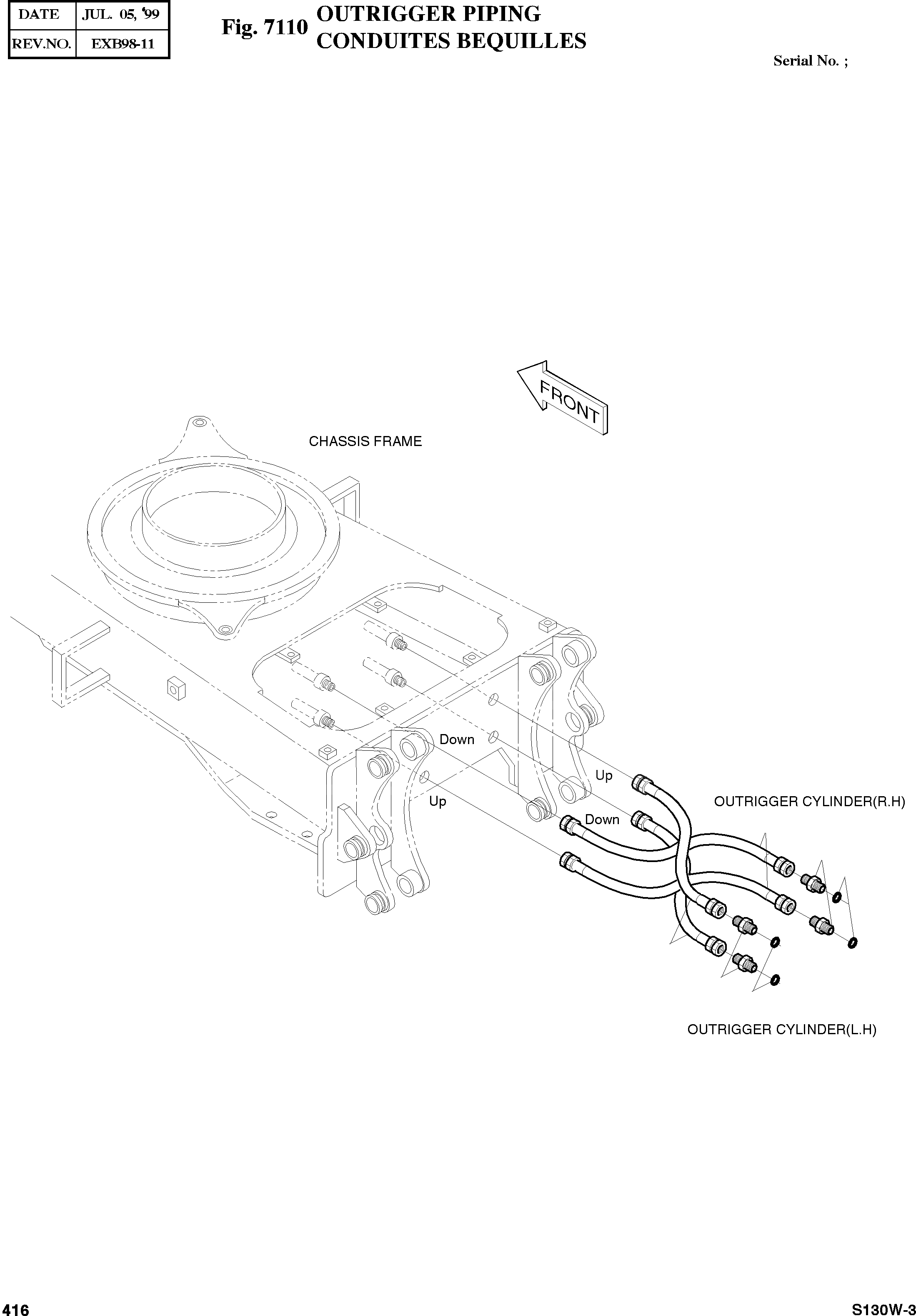
OUTRIGGER PIPING
№
Артикул
Название
Примечание
Количество
-
2400-4011
desc: ENSEMBLE DE BEQUILLES
-2шт.
1
2184-1054D21
HOSE 3/8-800
desc: TUYAU FLEXIBLE
4шт.
2
2181-1126D8
ADAPTER;UNF3/4-PF3/8
desc: RACCORD ADAPTATEUR
3
2180-1026D13
O-RING SAE3/4
desc: JOINT TORIQUE
Выбрано товаров: 0