Запчасти Doosan Daewoo DOZER & OUTRIGGER PIPING POWER TRAIN

4
3
7
6
1
4
4
3
7
6
2
8
9
18
11
11
19
14
18
9
13
17
18
9
17
20
16
15
13
FIT
1:1
100%

Артикул

Название

Примечание

Количество

-

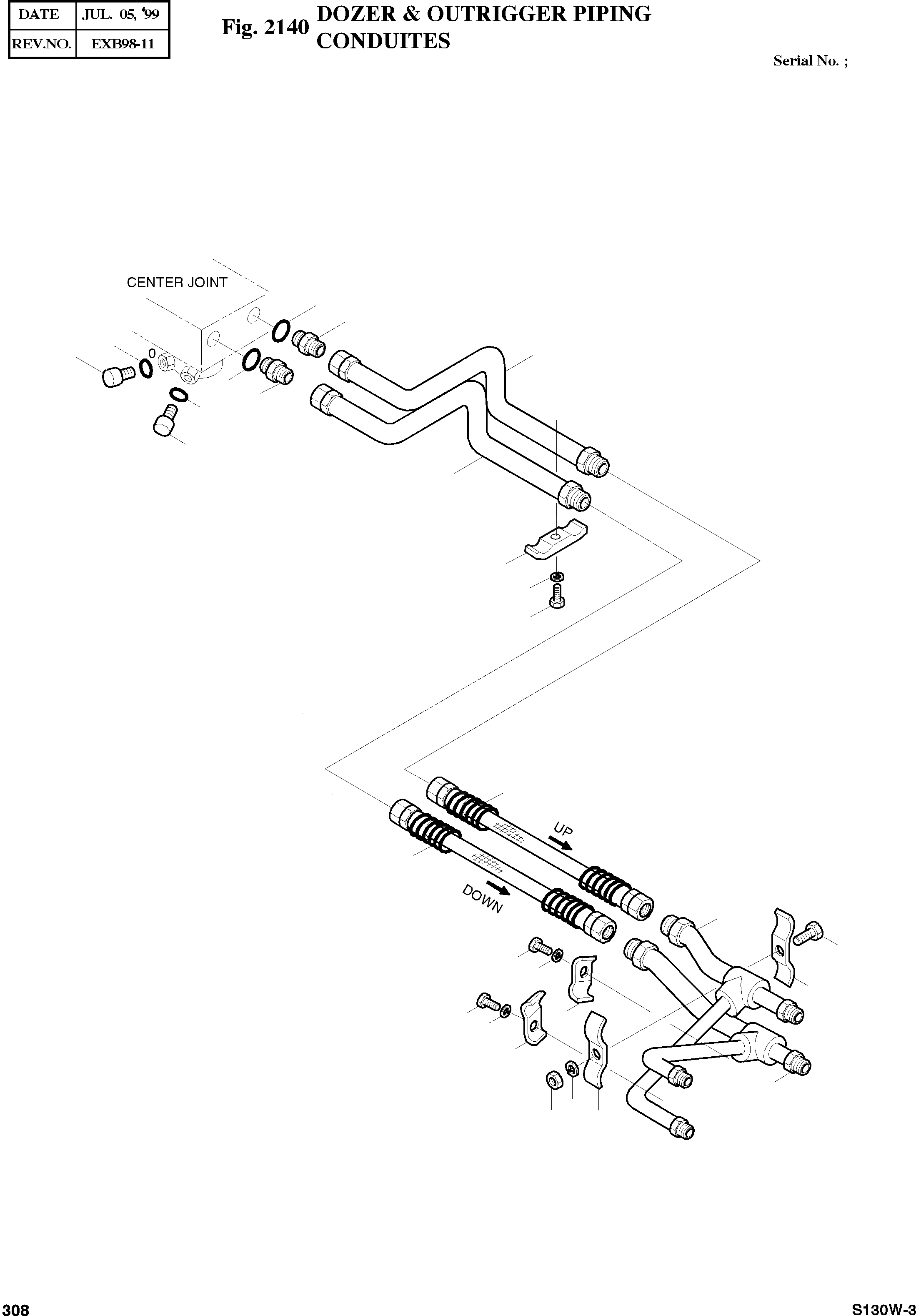
2400-1432

DOZER & OUTRIGGER PIPING

desc: DOZER

-2шт.

1

2183-3816A

PIPE

SERIAL: 1-756

1шт.

1

2183-3816B

PIPE

SERIAL: 757

1шт.

2

2183-3817A

PIPE

SERIAL: 1-756

1шт.

2

2183-3817B

PIPE

SERIAL: 757

1шт.

3

2181-1126D6

ADAPTER PFO1/2-PF1/2

desc: RACCORD ADAPTATEUR

2шт.

4

S8000181

O-RING P18

REP_PNO: 8202-014

2шт.

6

2181-1950D1

PLUG PF1/4

SERIAL: 1-73

2шт.

7

S8000111

O-RING P11

SERIAL: 1-73

1шт.

8

2124-1025D2

CLAMP;PIPE 1/2

desc: COLLIER

1шт.

9

S5102603

WASHER;SPRING M10

desc: RONDELLE ELASTIQUE

3шт.

11

2184-1054D43

HOSE 1/2-400

desc: TUYAU FLEXIBLE

2шт.

13

2124-1340D9

CLAMP

desc: COLLIER

2шт.

14

S0560653

BOLT M12X1.75X45

desc: BOULON A 6 PANS

1шт.

15

S4012733

NUT M12X1.75

desc: ECROU

1шт.

16

S5102703

WASHER;SPRING M12

desc: RONDELLE ELASTIQUE

1шт.

17

2124-1224D10

CLAMP;PIPE 3/8

desc: ATTACHE DE TUBE

2шт.

18

S0558453

BOLT M10X1.5X40

desc: BOULON A 6 PANS

3шт.

19

2183-3818

PIPE

desc: CONDUITE

1шт.

20

2183-3819

PIPE

desc: CONDUITE

1шт.

Выбрано товаров: 20