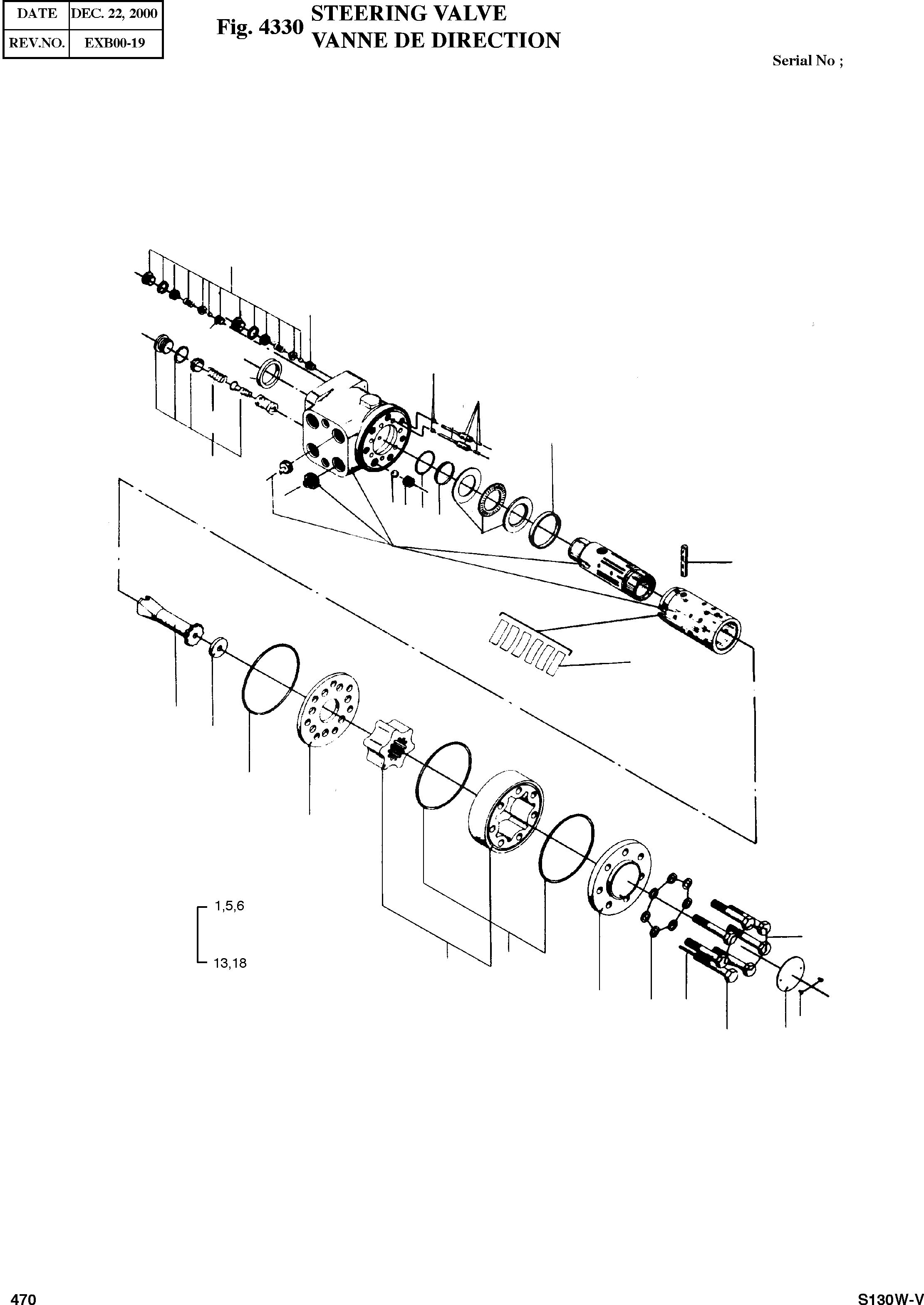
Запчасти Doosan Daewoo STEERING VALVE STEERING ASSY

25
26
2
2
27
1
29
24
8
3
4
5
6
7
2
9
12
11
10
13
14
30
21
16
15
17
18
19
23
20
22
FIT
1:1
100%

Артикул

Название

Примечание

Количество

-

2420-9405

VALVE;STEERING

desc: VANNE

1шт.

1

633B9002

RING;DUST SEAL

SC: K

1шт.

2

-

SPOOL HOUSING ASS'Y

SC: D

1шт.

3

689X1031

BALL

desc: . BILLE

1шт.

4

150-0304

BUSHING;THREAD

desc: . MANCHON

1шт.

5

633B1205

O-RING

SC: K

1шт.

6

633B9007

KIN-RING

SC: K

1шт.

7

150-4262

BEARING ASS'Y

desc: . PALIER

1шт.

8

150-0310

RING

desc: . BAGUE

1шт.

9

150-0305

PIN;CROSS

desc: . BROCHE

1шт.

10

150-0439

SPACER

desc: . DOUILLE D'ESPACEMENT

1шт.

11

150-0442

DRIVE

desc: . TOURNEVIS

1шт.

12

150-4209

SET;SPRING

desc: . VIS DE REGLAGE

1шт.

13

633B1202

O-RING

SC: K

1шт.

14

150-0301

PLATE;DISTRIBUTOR

desc: . PLAQUE

1шт.

15

150-4255

SET;GEAR WHEEL

desc: . VIS DE REGLAGE

1шт.

16

633B1173

O-RING

desc: . JOINT TORIQUE

2шт.

17

150-0328

COVER;END

desc: . COUVERCLE

1шт.

18

648X2481

WASHER

SC: K

7шт.

19

632L3058

PIN;ROLLED

desc: . BROCHE

1шт.

20

150-0324

SCREW;WITH BORE

desc: . VIS

1шт.

21

681X1581

SCREW

desc: . VIS

6шт.

22

150A0000

PLATE;NAME

desc: . PLAQUE D'IDENTIFICATION

1шт.

23

681Z1011

SCREW;DRIVE

desc: . VIS

2шт.

24

150-4272

RELIEF VALVE ASS'Y

desc: . ENSEMBLE DE CLAPET DE DECHARGE

1шт.

25

663X1802

SPRING;WIRE

desc: . RESSORT

1шт.

26

150-4268

SHOCK VALVE ASS'Y

desc: . VANNE

2шт.

27

689X1005

BALL

desc: . BILLE

2шт.

29

150-4080

PIN;ROLLED

desc: . BROCHE

2шт.

30

150-4206

KIT;SEAL(1.5.6.13.18)

SC: S

1шт.

Выбрано товаров: 30