Запчасти Doosan Daewoo DUCT COVER ASSY BODY PARTS

22
17
2
22
17
1
3
21
20
17
16
4
26
16
23
3
24
12
18
13
10
25
16
17
5
19
7
25
16
17
16
17
19
9
14
16
17
6
11
11
8
14
16
17
FIT
1:1
100%

Артикул

Название

Примечание

Количество

-

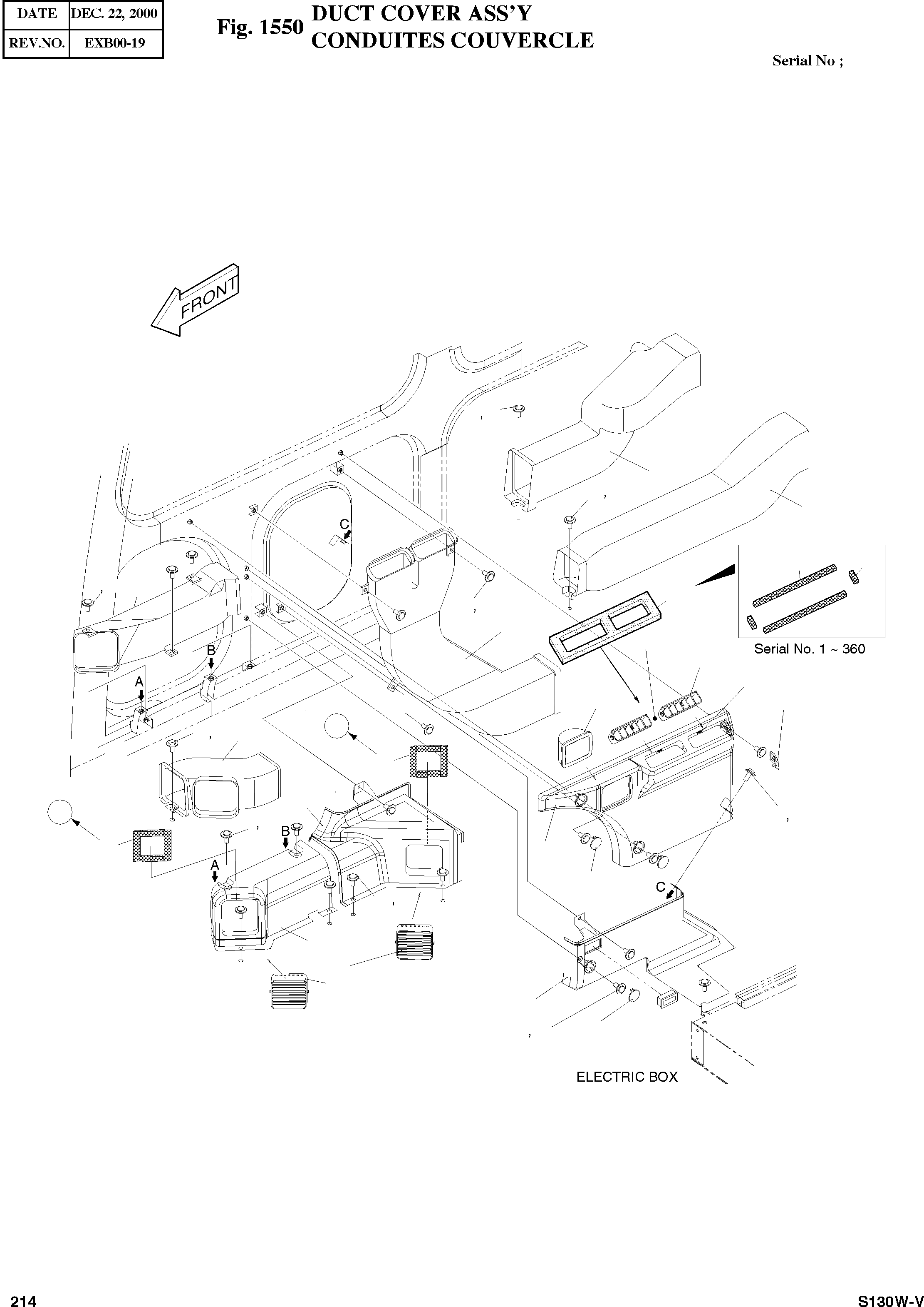
2621-3877B

DUCT COVER ASS'Y

SC: D

-2шт.

1

2213-1097

DUCT;FOOT REAR

desc: COUVERCLE

1шт.

2

2213-1095

DUCT;FACE REAR

desc: COUVERCLE

1шт.

3

2213-1096A

DUCT;FACE UPPER

desc: COUVERCLE

1шт.

4

2213-1094

DUCT;DEFROST

SERIAL: 1-360

1шт.

4

2213-1094A

DUCT;DEFROST

SERIAL: 361

1шт.

5

2213-9002

DUCT;FOOT

desc: COUVERCLE

1шт.

6

2621-3777A

COVER;DUCT DEFROST

desc: COUVERCLE

1шт.

7

2621-3776A

COVER;DUCT FOOT

desc: COUVERCLE

1шт.

8

2621-3779

COVER;DUCT FACE LOWER

desc: COUVERCLE

1шт.

9

2621-3778A

COVER;DUCT FACE UPPER

desc: COUVERCLE

1шт.

10

2906-9005

ASHTRAY

desc: CENDRIER

1шт.

11

2415-1014

LOUVER;DEF & FOOT

desc: COUVERCLE

2шт.

12

2415-1015

LOUVER;DEF & VENT

SERIAL: 1-360

2шт.

12

2415-1015A

LOUVER;DEF & VENT

SERIAL: 361

2шт.

13

2621-3781

HOLE COVER

desc: COUVERCLE

1шт.

14

2621-3780

HOLE COVER

desc: COUVERCLE

3шт.

16

2120-2166D7

SCREW

SERIAL: 1-360

21шт.

16

2120-2166D10

SCREW

SERIAL: 361

21шт.

17

2114-1898D3

WASHER

SERIAL: 1-360

23шт.

17

2114-1898D3

WASHER

SERIAL: 361

2шт.

18

2161-2290

SPONGE

SERIAL: 1-360

2шт.

19

2161-2296

SPONGE

SERIAL: 1-360

8шт.

20

2161-2297

SPONGE

SERIAL: 1-360

2шт.

21

2161-2298

SPONGE

SERIAL: 1-360

2шт.

22

2120-2166D6

BOLT M6X1.0X16

desc: BOULON A 6 PANS

2шт.

23

2114-1898D5

WASHER

SERIAL: 361

3шт.

24

2160-1329

BUSHING

SERIAL: 361

2шт.

25

2161-2398

RUBBER;CUSHION

SERIAL: 361

2шт.

26

2161-2397

RUBBER;CUSHION

SERIAL: 361

1шт.

Выбрано товаров: 30