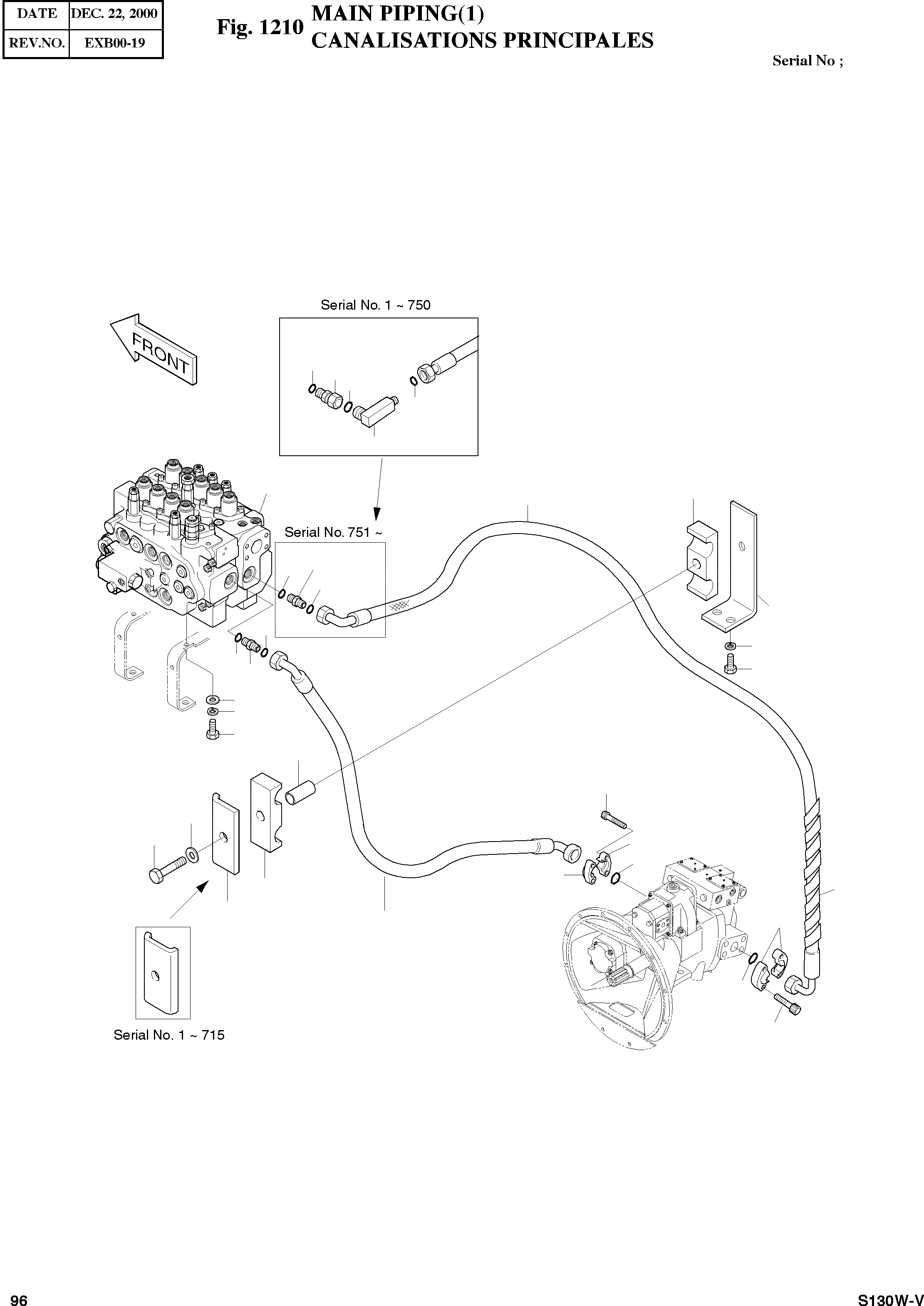
Запчасти Doosan Daewoo MAIN PIPING(1) BODY PARTS

24
26
24
58
25
1
25
23
24
24
25
23
14
13
12
38
2
39
47
46
17
20
20
19
20
68
19
22
22
61
60
59
46
18
FIT
1:1
100%

Артикул

Название

Примечание

Количество

-

2400-1782A

MAIN PIPING

SC: D

-2шт.

1

2420-9504

VALVE;CONTROL DX22

SERIAL: 1-344

1шт.

1

2420-9504A

VALVE;CONTROL DX22

SERIAL: 345-620

1шт.

1

2426-1220A

VALVE;CONTROL DX22

SERIAL: 621-970

1шт.

1

2426-1240

VALVE;CONTROL DX22

SERIAL: 971-1127

1шт.

1

2426-1240A

VALVE;CONTROL DX22

SERIAL: 1128-1254

1шт.

1

426-00076

VALVE;CONTROL (DOMESTIC)

SERIAL: 1255

1шт.

1

426-E0076

VALVE;CONTROL (EXPORT)

SERIAL: 1255

1шт.

2

S5010913

WASHER;PLAIN M16

desc: RONDELLE

1шт.

12

S0515353

BOLT M12X1.75X35

desc: BOULON A 6 PANS

4шт.

13

S5102703

WASHER;SPRING M12

desc: RONDELLE ELASTIQUE M12

4шт.

14

S5010713

WASHER M12

desc: RONDELLE

4шт.

17

2184-1202D48

HOSE PF3/4-1170L

SERIAL: 1-55

1шт.

17

2184-1202D58

HOSE PF3/4-1140L

SERIAL: 56-1367

1шт.

17

184-00053

HOSE PF3/4-1140L

SERIAL: 1368

1шт.

18

2184-1200D3

HOSE PF3/4-1350L

SERIAL: 1-750

1шт.

18

2184-1202D63

HOSE PF3/4-1450L

SERIAL: 751-1367

1шт.

18

184-00054

HOSE PF3/4-1470L

SERIAL: 1368

1шт.

19

2180-1026D2

O-RING SAE3/4

desc: JOINT TORIQUE

2шт.

20

2181-9079

FLANGE;SPLIT SAE3/4

desc: FLASQUE EN DEUX PARTIES

4шт.

22

S2212061

BOLT;SOCKET M10X1.5X25

desc: BOULON A 6 PANS CREUX

8шт.

23

2181-2627D1

ADAPTER PFO.ORS3/4

SERIAL: 1-750

1шт.

23

2181-2627D1

ADAPTER PFO.ORS3/4

SERIAL: 751

2шт.

24

S8030121

O-RING 1 3/16-12

SERIAL: 1-750

3шт.

24

S8030121

O-RING 1 3/16-12

SERIAL: 751

2шт.

25

S8000231

O-RING 3/4

desc: JOINT TORIQUE

2шт.

26

2181-2686

ELBOW UNF 1 3/16-12

SERIAL: 1-570

1шт.

26

2181-2752

ELBOW UNF 1 3/16-12

SERIAL: 571-750

1шт.

38

2114-1808

SPACER

desc: BAGUE D'ECARTEMENT

1шт.

39

S0565861

BOLT M16X2.0X80

desc: BOULON A 6 PANS

1шт.

46

2124-1548

CLAMP;HOSE

desc: COLLIER

2шт.

47

2191-3705

PLATE

SERIAL: 1-270

1шт.

47

2191-3705A

PLATE

SERIAL: 271-715

1шт.

47

2191-3705B

PLATE

SERIAL: 716

1шт.

58

2181-2687

ADAPTER PFO.ORS3/4

SERIAL: 1-270

1шт.

58

2181-2720

ADAPTER PFO.ORS3/4

SERIAL: 271-570

1шт.

58

2181-2751

ADAPTER PFO.ORS3/4

SERIAL: 571-750

1шт.

59

2116-1563

PLATE

SERIAL: 751-1367

1шт.

59

2116-1563A

PLATE

SERIAL: 1368

1шт.

60

S5102603

WASHER;SPRING

SERIAL: 751

2шт.

61

S0512063

BOLT M10X1.5X25

SERIAL: 751

2шт.

68

2158-1003D8

PROTECTOR;HOSE

SERIAL: 888

1шт.

Выбрано товаров: 42