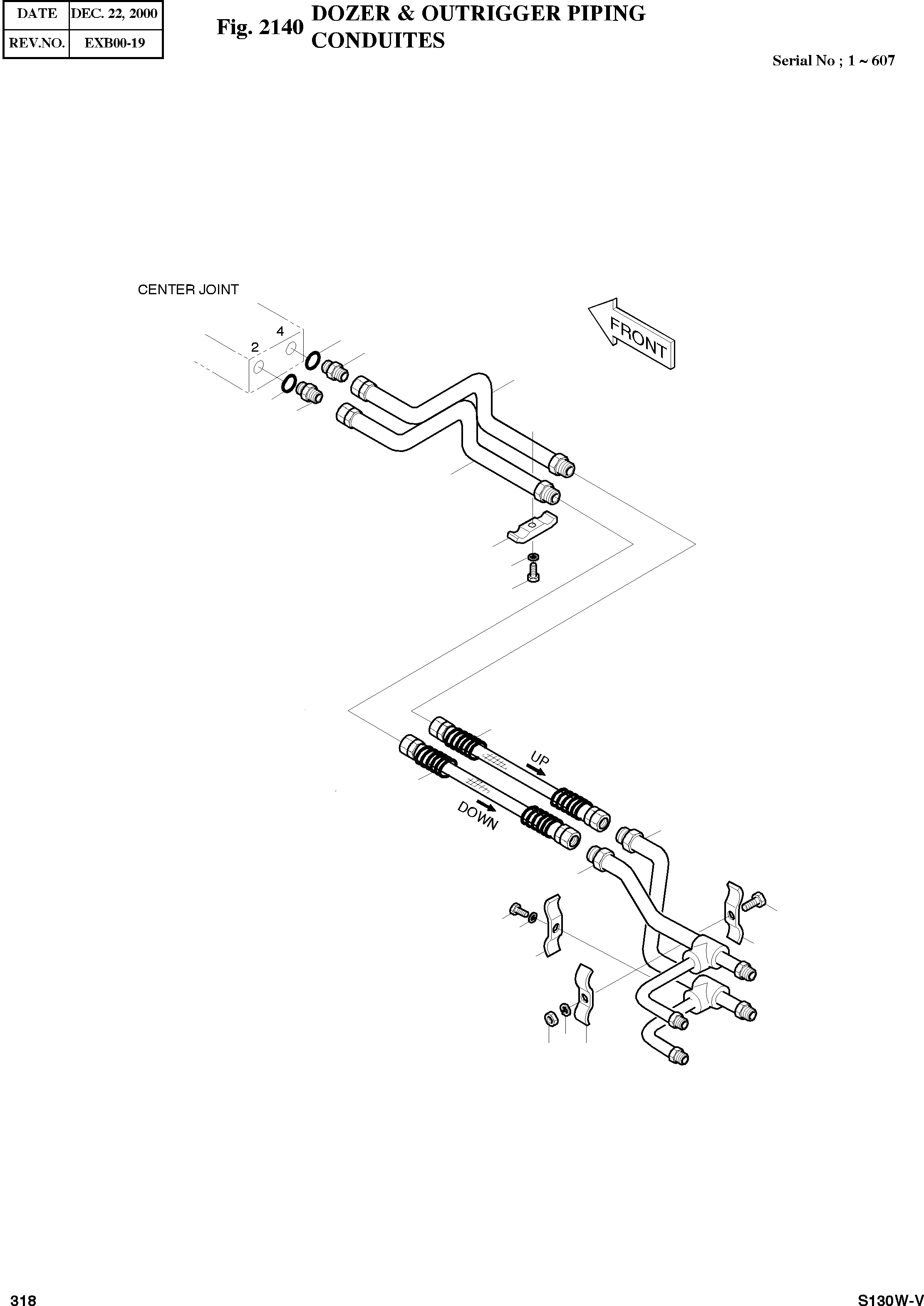
Запчасти Doosan Daewoo DOZER & OUTRIGGER PIPING TRACK PARTS

4
3
1
4
3
2
8
9
18
11
11
19
20
14
21
16
13
13
16
15
13
FIT
1:1
100%

Артикул

Название

Примечание

Количество

-

2400-1855

DOZER & OUTRIGGER PIPING

SERIAL: 1-607

-2шт.

1

2183-3816B

PIPE

desc: CONDUITE

1шт.

2

2183-3817B

PIPE

desc: CONDUITE

1шт.

3

2181-1126D6

ADAPTER PFI1/2.PF1/2

desc: RACCORD ADAPTATEUR

2шт.

4

S8000181

O-RING

desc: JOINT TORIQUE

2шт.

8

2124-1025D2

CLAMP;PIPE

desc: COLLIER

1шт.

9

S5102603

WASHER;SPRING M10

desc: RONDELLE ELASTIQUE M10

1шт.

11

2184-1054D43

HOSE PF1/2-400L

SERIAL: 1-344

2шт.

11

2184-1054D69

HOSE PF1/2-410L

SERIAL: 345

2шт.

13

2124-1340D9

CLAMP

desc: COLLIER

3шт.

14

S0560653

BOLT M12X1.75X45

desc: BOULON A 6 PANS

1шт.

15

S4012733

NUT M12X1.75

desc: ECROU

1шт.

16

S5102703

WASHER;SPRING M12

desc: RONDELLE ELASTIQUE M12

2шт.

18

S0558453

BOLT M10X1.5X40

desc: BOULON A 6 PANS

1шт.

19

2140-1373

PIPE

desc: TUYAU

1шт.

20

2140-1372

PIPE

desc: TUYAU

1шт.

21

S0560553

BOLT M12X1.75X40

desc: BOULON A 6 PANS

1шт.

Выбрано товаров: 17