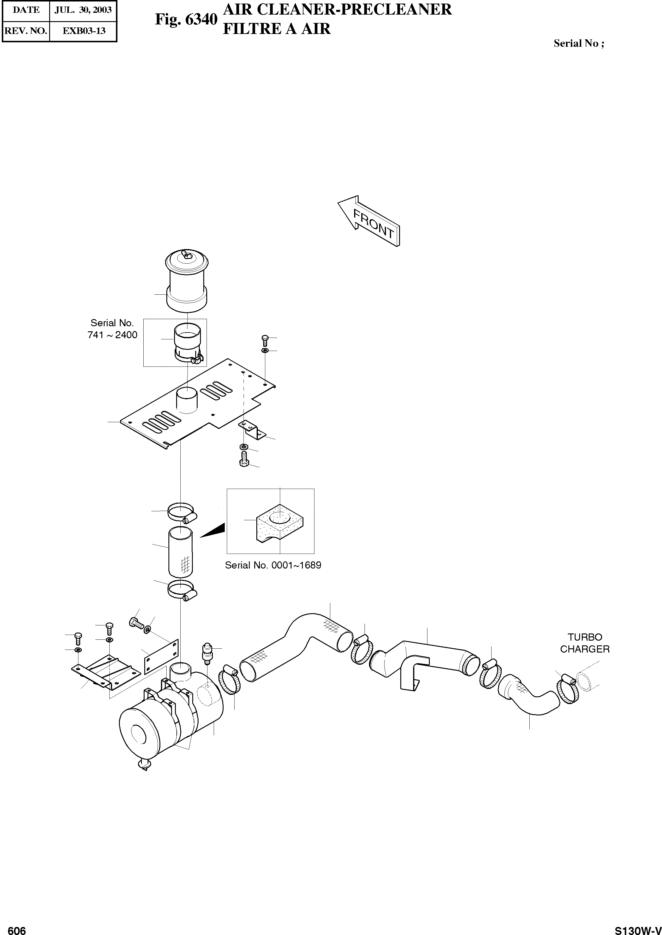
Запчасти Doosan Daewoo AIR CLEANER-PRE CLEANER OPTION PARTS

15
3
19
4
14
18
17
16
8
5
20
8
7
3
4
8
9
3
3
4
8
6
13
4
11
12
8
10
1
2
FIT
1:1
100%

Артикул

Название

Примечание

Количество

-

2204-2023

AIR CLEANER ASS'Y

SERIAL: 1-607

-2шт.

-

2204-2034

AIR CLEANER ASS'Y

SERIAL: 608

-2шт.

1

2204-9039

CLEANER;AIR

SERIAL: 1-1322

1шт.

1

2204-9039A

CLEANER;AIR

SERIAL: 1323

1шт.

1A

2474-9053

ELEMENT;OUTER

SERIAL: 1-1322

1шт.

1A

2474-9053A

ELEMENT;OUTER

SERIAL: 1323

1шт.

1B

2474-9054

ELEMENT;INNER

SERIAL: 1-1322

1шт.

1B

2474-9054A

ELEMENT;INNER

SERIAL: 1323

1шт.

2

2124-1593A

BAND;AIR CLEANER

desc: ATTACHE DE TUYAU

2шт.

3

S0512053

BOLT M10X1.5X25

SERIAL: 1-607

15шт.

3

S0512053

BOLT M10X1.5X25

SERIAL: 608

11шт.

4

2114-1058D10

WASHER

SERIAL: 1-607

15шт.

4

2114-1058D10

WASHER

SERIAL: 608

11шт.

5

2161-2152A

SPONGE

SERIAL: 1-1689

1шт.

6

2621-3916

COVER

desc: COUVERCLE

1шт.

7

2185-1654A

HOSE;AIR

desc: TUYAU FLEXIBLE

1шт.

8

S8450105

CLAMP;HOSE

SERIAL: 1-1689

3шт.

8

S8450105

CLAMP;HOSE

SERIAL: 1690

5шт.

9

2193-1374C

PIPE;AIR

desc: TUYAU

1шт.

10

2185-1646A

HOSE;AIR

desc: TUYAU FLEXIBLE

1шт.

11

S8450082

CLAMP;HOSE

desc: COLLIER

1шт.

12

2197-1517

BRACKET

SERIAL: 1-3037

1шт.

12

2197-1517A

BRACKET

SERIAL: 3038

1шт.

13

2170-9005

INDICATOR

desc: INDICATEUR

1шт.

14

2621-3915A

COVER

SERIAL: 1-344

1шт.

14

2621-3915E

COVER

SERIAL: 345-607

1шт.

14

2627-1228

COVER

SERIAL: 608-750

1шт.

14

2627-1228A

COVER

SERIAL: 751-970

1шт.

14

2627-1228C

COVER

SERIAL: 971-1689

1шт.

14

2627-1228E

COVER

SERIAL: 1690-2070

1шт.

14

2627-1228G

COVER

SERIAL: 2071-2400

1шт.

14

627-00050

COVER

SERIAL: 2401

1шт.

15

2204-9004A

PRE CLEANER

SERIAL: 1-607

1шт.

15

2204-9031

PRE-CLEANER

SERIAL: 608-750

1шт.

15

2204-9037

PRE-CLEANER

SERIAL: 751

1шт.

16

S0512053

BOLT M10X1.5X25

SERIAL: 608

2шт.

17

S5010613

WASHER

SERIAL: 608

2шт.

18

2891-1373

PLATE;RUBBER

SERIAL: 608-970

1шт.

18

2891-1913

PLATE;RUBBER

SERIAL: 971

1шт.

19

2182-1833

PIPE

SERIAL: 741-2400

1шт.

20

185-00020

HOSE;AIR

SERIAL: 1690

1шт.

Выбрано товаров: 0