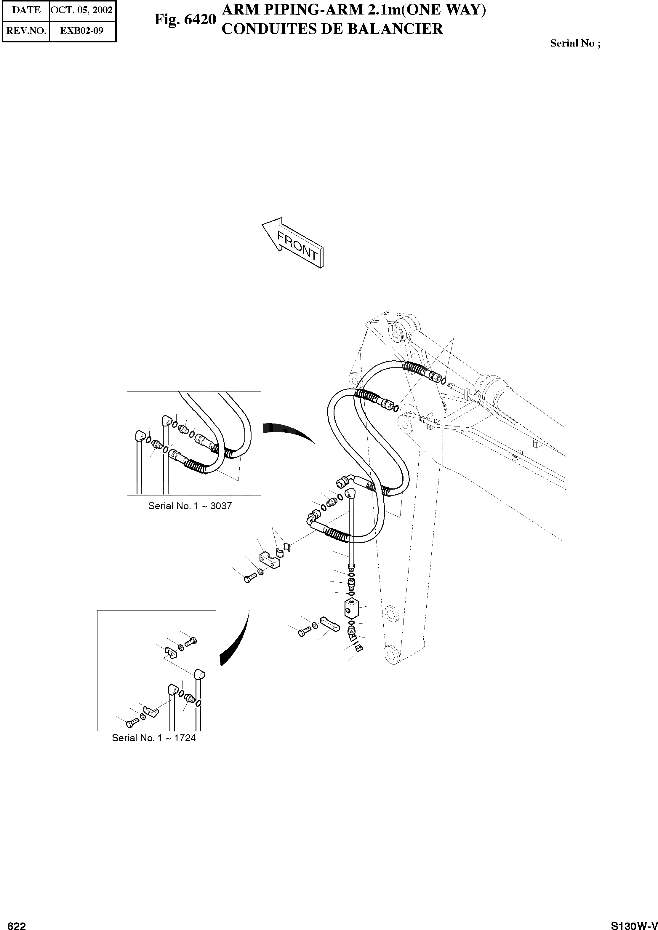
Запчасти Doosan Daewoo ARM PIPING-ARM 2.1M(ONE WAY) OPTION PARTS

7
6
14
6
7
7
14
6
2
14
7
15
2
9
1
13
11
6
3
7
13
12
6
11
13
4
9
10
7
5
6
9
13
11
14
8
FIT
1:1
100%

Артикул

Название

Примечание

Количество

-

2400-2143

ARM(2.1m) PIPING-BREAKER

SC: D

-2шт.

1

2140-1666

PIPE;ARM

SERIAL: 1-2349

2шт.

1

2140-1666A

PIPE;ARM

SERIAL: 2350

2шт.

2

2184-1196D80

HOSE 3/4-1600L

SERIAL: 1-1367

2шт.

2

2184-1196D57

HOSE 3/4-1600L

SERIAL: 1368-3037

2шт.

2

2184-1197D13

HOSE 3/4-1300L

SERIAL: 3038

2шт.

3

2181-2566D10

ADAPTER;UNION

desc: RACCORD ADAPTATEUR

2шт.

4

2181-2816D1

ELBOW PF3/4-ORS3/4

desc: COUDE

2шт.

5

2181-2817D1

CAP

desc: CHAPEAU

2шт.

6

S8000231

O-RING

desc: JOINT TORIQUE

6шт.

7

S8030121

O-RING

desc: JOINT TORIQUE

8шт.

8

2420-9629

VALVE;STOP

SERIAL: 1-1993

2шт.

8

2420-9629A

VALVE;STOP

SERIAL: 1994

2шт.

9

2124-1026D2

CLAMP;PIPE

SERIAL: 1-1724

4шт.

9

2124-1694

CLAMP;PIPE

SERIAL: 1725

4шт.

10

2124-1695

CLAMP;STOP

desc: ATTACHE DE TUYAU

2шт.

11

S0560753

BOLT M12X1.75X50

SERIAL: 1-1724

4шт.

11

S0560753

BOLT M12X1.75X50

SERIAL: 1725

8шт.

12

S0561253

BOLT M12X1.75X75

desc: BOULON A 6 PANS

4шт.

13

S5102703

WASHER;SPRING M12

SERIAL: 1-1724

8шт.

13

S5102703

WASHER;SPRING M12

SERIAL: 1725

12шт.

14

2181-2627D1

ADAPTER PF3/4

desc: RACCORD

2шт.

15

2161-2250A

RUBBER

SERIAL: 1725

8шт.

Выбрано товаров: 23