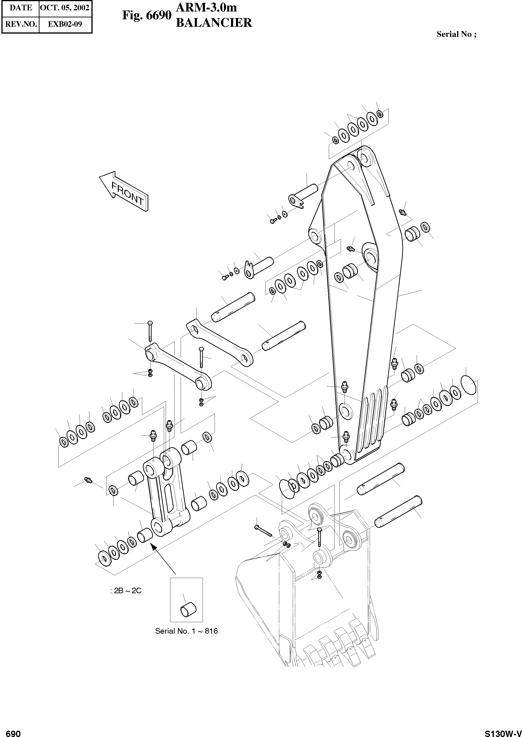
Запчасти Doosan Daewoo ARM-3.0M OPTION PARTS

18
10
23
13
23
10
6
19
14
16
15
19
10
7
14
16
15
11
22
1
8
10
12
3
22
11
8
2C
4
19
11
18
20
17
22
24
11
12
22
19
19
12
11
17
11
11
12
11
22
19
11
19
19
11
11
12
25
24
22
22
20
12
11
9
19
11
18
9
11
12
22
25
18
17
17
2
2B
1C
1C
2C
2C
2C
1D
1D
1B
1B
FIT
1:1
100%

Артикул

Название

Примечание

Количество

-

2701-1457C

ARM ASS'Y-3.0m

SERIAL: 1-1200

-2шт.

-

2701-1457E

ARM ASS'Y-3.0m

SERIAL: 1201

-2шт.

1

2701-1458C

ARM SUB ASS'Y-3.0m

SERIAL: 1-850

1шт.

1

2701-1458E

ARM SUB ASS'Y-3.0m

SERIAL: 851-1200

1шт.

1

2701-1458G

ARM SUB ASS'Y-3.0m

SERIAL: 1201

1шт.

1

2701-1458H

ARM SUB ASS'Y-3.0m

desc: BALANCIER

1шт.

1

2701-1458J

ARM SUB ASS'Y-3.0m

SERIAL: 1725-2429

1шт.

1

2701-1458K

ARM SUB ASS'Y-3.0m

SERIAL: 2430

1шт.

1B

2110-1328A

BUSHING

SERIAL: 1-1200

2шт.

1B

110-00059

BUSHING

SERIAL: 1201-2429

2шт.

1B

2110-1328A

BUSHING

SERIAL: 2430

2шт.

1C

2110-1329A

BUSHING

SERIAL: 1-1436

2шт.

1C

110-00102

BUSHING

SERIAL: 1437-2429

2шт.

1C

2110-1329A

BUSHING

SERIAL: 2430

2шт.

1D

2110-1330A

BUSHING

SERIAL: 1-1436

2шт.

1D

110-00101

BUSHING

SERIAL: 1437-2429

2шт.

1D

2110-1330A

BUSHING

SERIAL: 2430

2шт.

2

2155-1339C

LINK;PUSH ASS'Y

SERIAL: 1-816

1шт.

2

2155-1339E

LINK;PUSH ASS'Y

SERIAL: 817

1шт.

2B

2110-1367B

BUSHING

SERIAL: 1-816

2шт.

2C

2110-1366A

BUSHING

SERIAL: 1-816

2шт.

2C

2110-1366A

BUSHING

SERIAL: 817

4шт.

3

2155-1306A

LINK;GUIDE(R)

SERIAL: 1-953

1шт.

3

2155-1306B

LINK;GUIDE(R)

SERIAL: 954

1шт.

4

2155-1307A

LINK;GUIDE(L)

SERIAL: 1-953

1шт.

4

2155-1307B

LINK;GUIDE(L)

SERIAL: 954

1шт.

6

2123-2209C

PIN

desc: GOUJON

1шт.

7

2123-2225C

PIN

desc: GOUJON

1шт.

8

2123-2211B

PIN

SERIAL: 1-953

2шт.

8

2123-2211C

PIN

SERIAL: 954

2шт.

9

2123-2212C

PIN

desc: GOUJON

2шт.

10

2180-1106BD4

SEAL;DUST

desc: PARE-POUSSIERES

4шт.

11

2180-1106BD3

SEAL;DUST

desc: PARE-POUSSIERES

14шт.

12

2114-1058D12

SHIM

desc: CALE

8шт.

13

2114-1059D127

SHIM

desc: CALE

2шт.

14

2116-1060D6

STOPPER

desc: TAQUET D'ARRET

2шт.

15

S0521361

BOLT M16X2.0X35

SERIAL: 1-2440

2шт.

15

S0521366

BOLT M16X2.0X35

SERIAL: 2441

2шт.

16

S5102901

WASHER;SPRING M16

SERIAL: 1-2440

2шт.

16

S5102903

WASHER;SPRING M16

SERIAL: 2441

2шт.

17

S4012933

NUT M16X2.0

desc: ECROU

8шт.

18

S0566761

BOLT M16X2.0X125

SERIAL: 1-2440

4шт.

18

S0566766

BOLT M16X2.0X125

SERIAL: 2441

4шт.

19

S6710041

FITTING

desc: GRAISSEUR

9шт.

20

2180-1105D7

O-RING

desc: JOINT TORIQUE

2шт.

22

2114-1059D89

SHIM

desc: CALE

8шт.

23

2114-1059D129

SHIM

desc: CALE

2шт.

24

2114-1994

SPACER

SERIAL: 1-953

2шт.

24

2114-1994A

SPACER

SERIAL: 954

2шт.

25

2114-1995

SPACER

SERIAL: 1-953

2шт.

25

2114-1995A

SPACER

SERIAL: 954

2шт.

Выбрано товаров: 51