Качественные детали и логистика
Оригинальные и аналоговые запчасти с доставкой по России, Казахстану и Беларуси
©2022 PartSell ООО "Система" ИНН 2463123282 ОГРН 1212400004838
Центральный офис: г. Красноярск, Академика Киренского, д.87, пом.4
Телефон: 8 (800) 777-65-74 Email: zakaz@partsell.ru
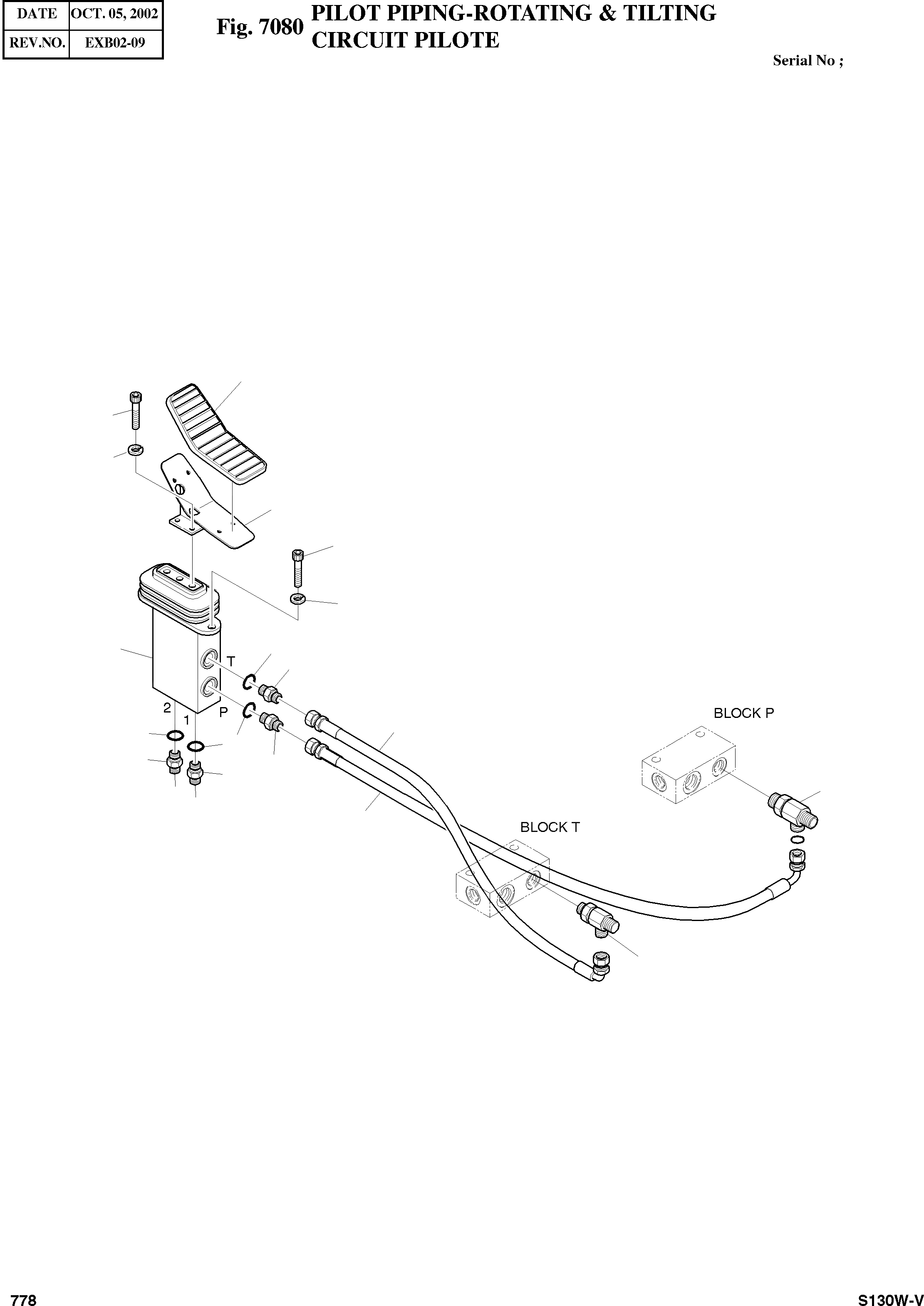
PILOT PIPING-ROTATION & TILTING
№
Артикул
Название
Примечание
Количество
-
400-00658
SC: D
-2шт.
1
420-00160
VALVE;PEDAL
desc: VANNE
1шт.
2
S2212266
BOLT;SOCKET M10X1.5X30
desc: BOULON A 6 PANS CREUX
2шт.
3
S5110603
WASHER
desc: RONDELLE ELASTIQUE
4шт.
4
2197-1817
BRACKET;PEDAL(R.H)
desc: SUPPORT
5
S2211866
BOLT;SOCKET M10X1.5X20
6
2161-2257
RUBBER;PEDAL
desc: CAOUTCHOUC
7
2181-1126D14
ADAPTER PFO1/4-PF1/4
desc: ADAPTEUR
8
S8000111
O-RING
desc: JONT TORIQUE
9
2181-1951D19
TEE
desc: TE
10
2184-1046D44
HOSE PF1/4-460L
desc: TUYAU FLEXIBLE
11
2184-1046D68
HOSE PF1/4-600L
Выбрано товаров: 0