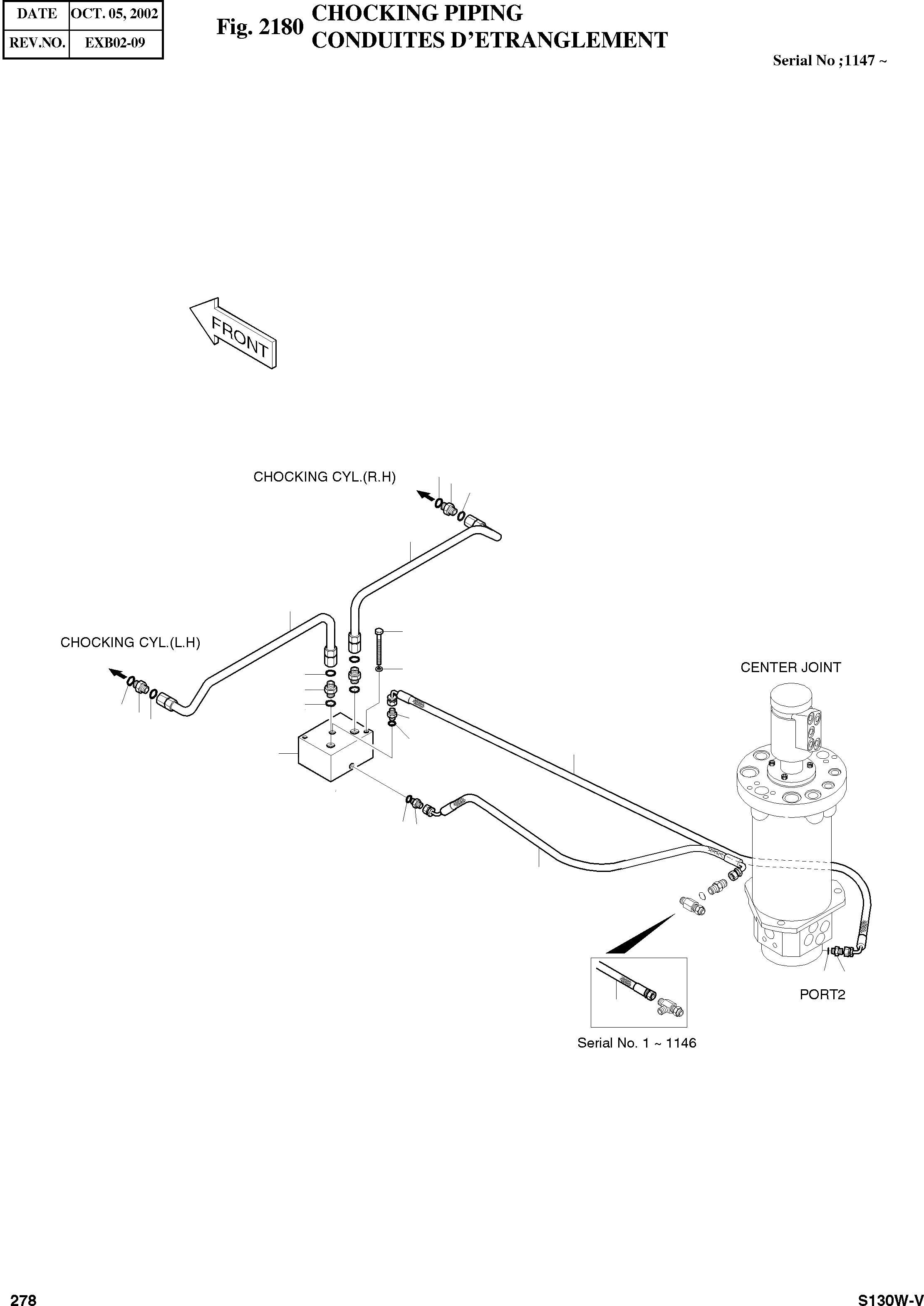
Запчасти Doosan Daewoo CHOCKING PIPING POWER TRAIN

22
23
13
15
14
17
18
13
12
7
22
8
23
13
9
10
16
9
8
11
9
8
11
FIT
1:1
100%

Артикул

Название

Примечание

Количество

-

2400-2034

STEER & CHOCK PIPING

SERIAL: 1147

-2шт.

7

S8000141

O-RING

desc: JOINT TORIQUE

2шт.

8

2181-1126D14

ADAPTER PFO1/4-PF1/4

desc: RACCORD ADAPTATEUR

3шт.

9

S8000111

O-RING

desc: JOINT TORIQUE

3шт.

10

2184-1061D299

HOSE PF1/4-1850L

desc: TUYAU FLEXIBLE

1шт.

11

2184-1062D76

HOSE PF1/4-1480L

SERIAL: 1147-1558

1шт.

11

2184-1062D90

HOSE PF1/4-1430L

SERIAL: 1559

1шт.

12

2181-4133D2

ADAPTER UNF11/16-PFO3/8

desc: RACCORD ADAPTATEUR

2шт.

13

S8030061

O-RING

desc: JOINT TORIQUE

4шт.

14

2140-1231B

PIPE;CHOCKING(L.H.)

desc: TUYAU

1шт.

15

2140-1232B

PIPE;CHOCKING(R.H.)

desc: TUYAU

1шт.

16

2423-9007

VALVE;CHOCKING

desc: VANNE

1шт.

17

S0557053

BOLT M8X1.25X85

desc: BOULON A 6 PANS

2шт.

18

S5102503

WASHER;SPRING M8

desc: RONDELLE ELASTIQUE

2шт.

22

2180-1026D13

O-RING

desc: JOINT TORIQUE

2шт.

23

2181-4133D33

ADAPTER UNF11/16-UNF3/4

desc: RACCORD ADAPTATEUR

2шт.

Выбрано товаров: 16