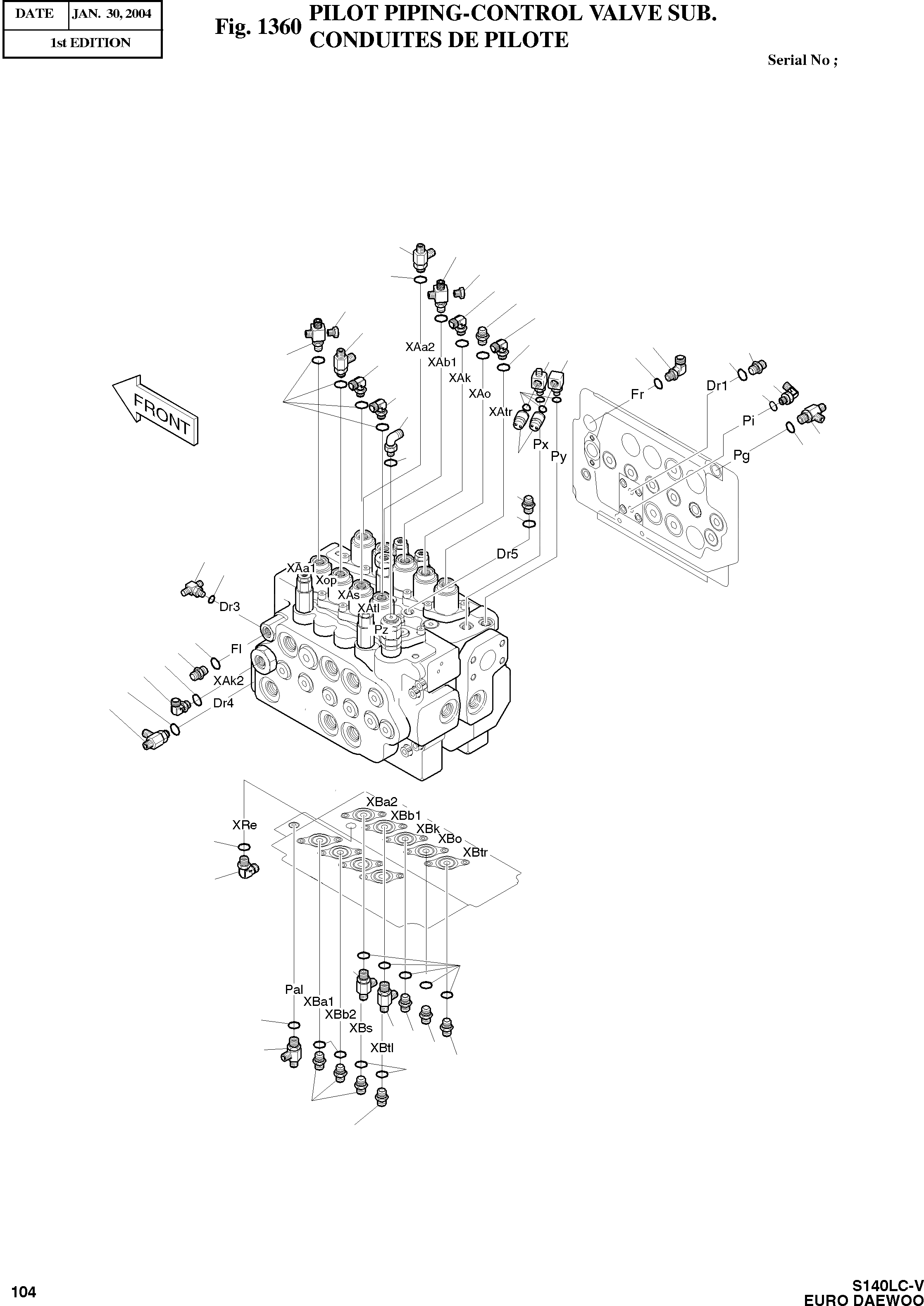
Запчасти Doosan Daewoo PILOT PIPING-CONTROL VALVE SUB BODY PARTS

22
11
20
1
15
18
20
21
12
3
1
5
6
2
17
19
2
15
3
2
2
21
1
3
13
2
2
16
9
2
10
2
2
9
2
3
2
13
2
3
1
14
2
14
1
7
13
8
18
1
4
18
FIT
1:1
100%

Артикул

Название

Примечание

Количество

-

400-01358

PILOT PIPING;CONTROL VALVE SUB

SC: D

-2шт.

1

S8000141

O-RING

desc: JOINT TORIQUE

18шт.

2

S8000111

O-RING

desc: JOINT TORIQUE

15шт.

3

2181-1702D4

ELBOW

desc: COUDE

5шт.

4

2181-1126D27

ADAPTER

desc: ADAPTEUR

3шт.

5

2181-1126D89

ADAPTER

desc: ADAPTEUR

1шт.

6

2181-2295D4

ELBOW

desc: COUDE

1шт.

7

2181-1126D7

ADAPTER

desc: ADAPTEUR

1шт.

8

2181-1126D96

ADAPTER

desc: ADAPTEUR

1шт.

9

2181-1126D14

ADAPTER

desc: ADAPTEUR

2шт.

10

2181-2281D1

TEE

desc: TE

1шт.

11

DS2463001

TEE

desc: TE

1шт.

12

2181-1951D7

TEE

desc: TE

1шт.

13

2181-1951D1

TEE

desc: TE

3шт.

14

2181-1951D16

TEE

desc: TE

2шт.

15

2181-1702D5

ELBOW

desc: COUDE

2шт.

16

2549-9112

SWITCH

desc: INTERUPTEUR

2шт.

17

2181-2635

ADAPTER

desc: ADAPTEUR

1шт.

18

2181-1126D36

ADAPTER

desc: ADAPTEUR

3шт.

19

DS2462001

TEE

desc: TE

1шт.

20

2181-2047A

PLUG M10X1.0

desc: BOUCHON

2шт.

21

2181-1702D10

ELBOW

desc: COUDE

2шт.

22

2181-1951D11

TEE

desc: TE

1шт.

Выбрано товаров: 23