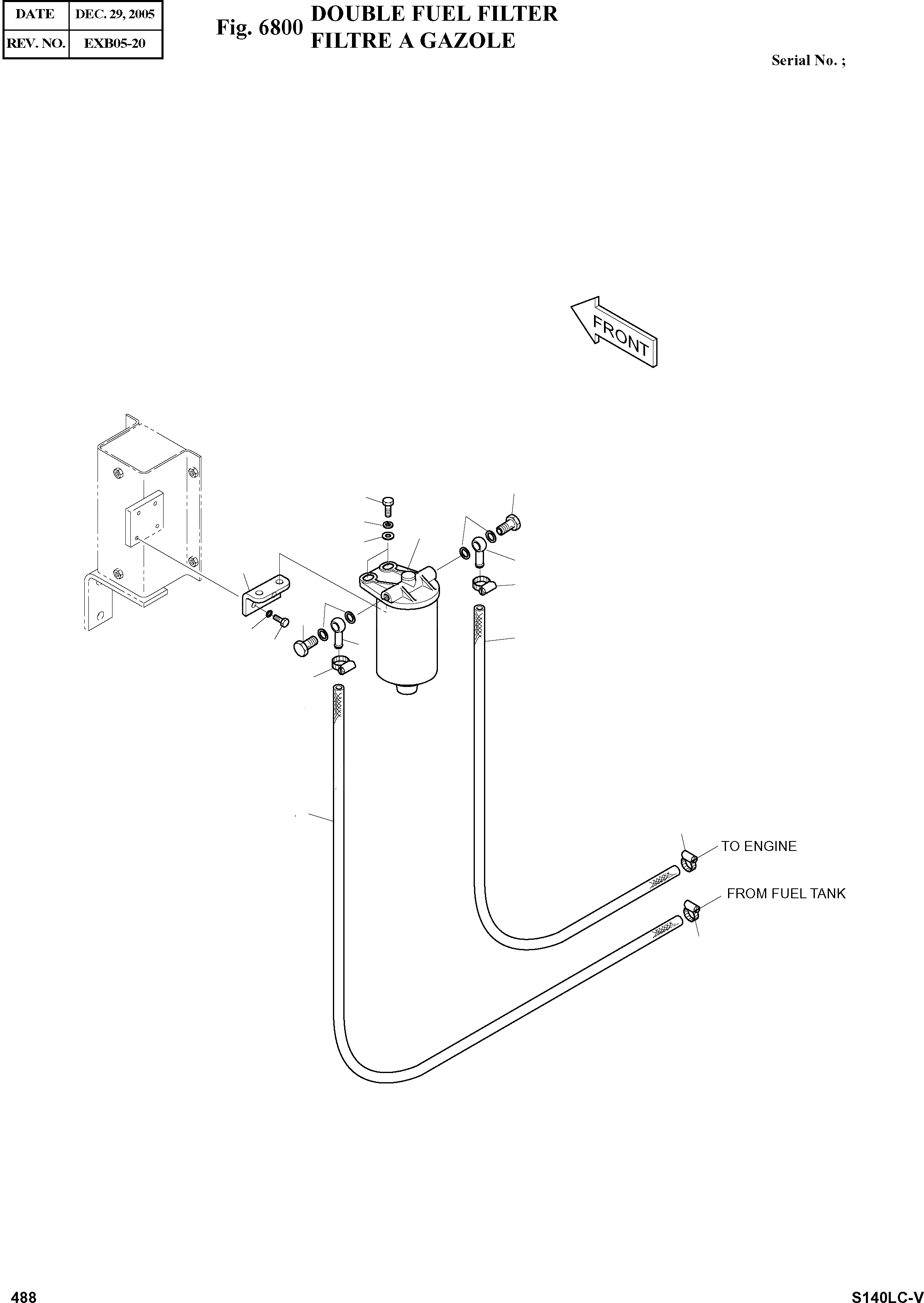
Запчасти Doosan Daewoo DOUBLE FUEL FILTER OPTION PARTS

6
2
7
3
1
4
5
11
10
7
6
15
9
5
14
10
8
10
10
FIT
1:1
100%

Артикул

Название

Примечание

Количество

-

K1002960

DOUBLE FUEL FILTER ASS'Y

SERIAL: 1142

-2шт.

1

2471-9053

FUEL FILTER ASS'Y

desc: FILTRE

1шт.

2

S0515353

BOLT M12X1.75X35

desc: BOULON A 6 PANS

2шт.

3

S5102703

WASHER;SPRING M12

desc: RONDELLE ELASTIQUE

2шт.

4

S5010713

WASHER;PLAIN M12

desc: RONDELLE PLATE

2шт.

5

2181-9015

PIPE;FUEL

desc: TUYAU

2шт.

6

2120-9013

SCREW;HOLLOW M14X1.5X26

desc: VIS

2шт.

7

S8180221

WASHER;COPPER

desc: RONDELLE

4шт.

8

2185-1247D26

HOSE;FUEL 3500L

desc: TUYAU FLEXIBLE

1шт.

9

2185-1247D25

HOSE;FUEL 2100L

desc: TUYAU FLEXIBLE

1шт.

10

S8450012

CLAMP;HOSE

desc: ATTACHE

4шт.

11

2197-2561

BRACKET

desc: SUPPORT

1шт.

14

S0509053

BOLT M8X1.25X25

desc: BOULON A 6 PANS

2шт.

15

S5102503

WASHER;SPRING M8

desc: RONDELLE ELASTIQUE

2шт.

Выбрано товаров: 0