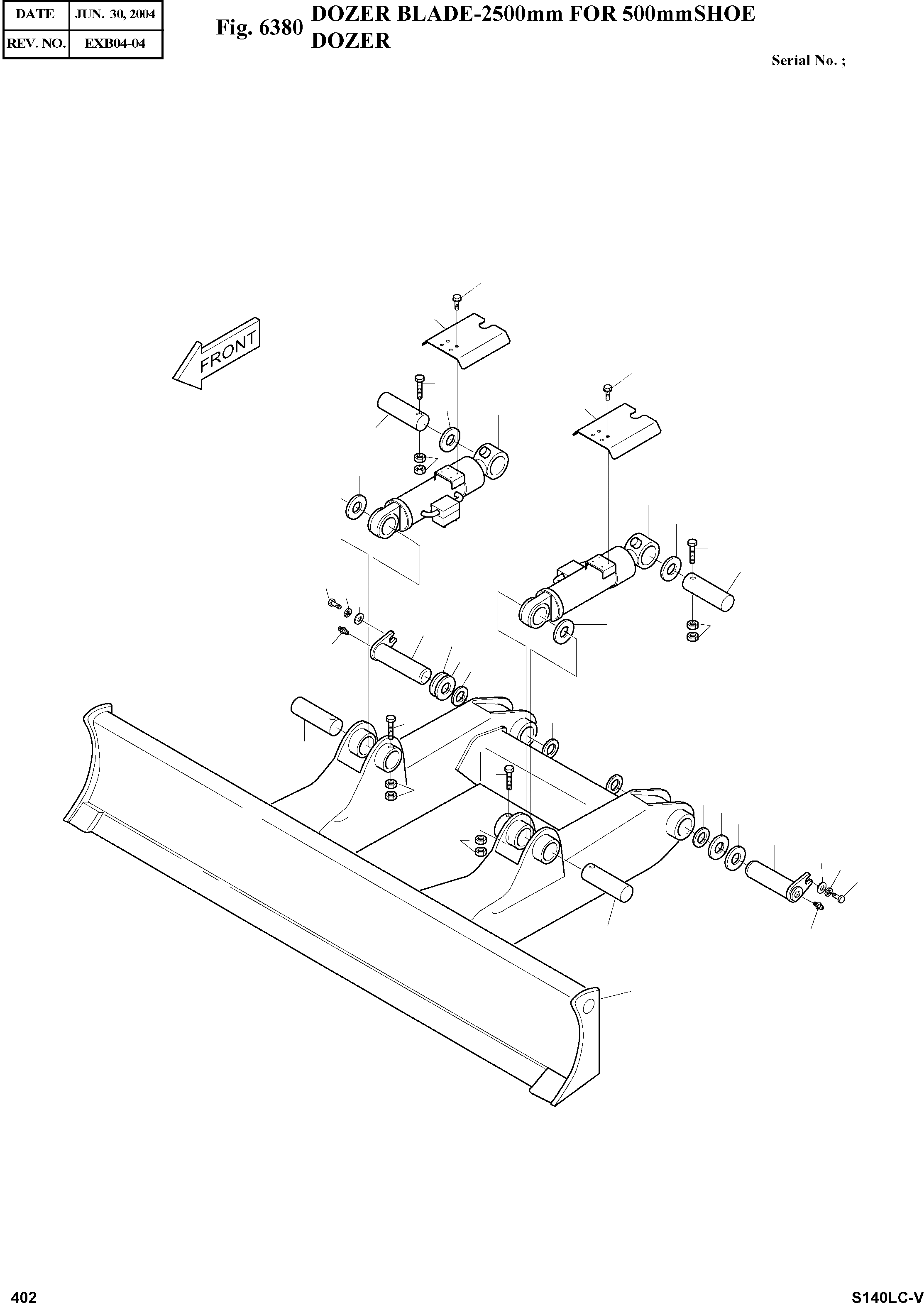
Запчасти Doosan Daewoo DOZER BLADE-2500MM FOR 500MM SHOE OPTION PARTS

12
11
12
7
15
11
3
16
9
15
2
15
7
16
6
17
18
15
9
4
14
10
13
8
8
7
5
8
7
9
8
13
14
4
9
18
17
6
5
10
1
FIT
1:1
100%

Артикул

Название

Примечание

Количество

-

608-00019

DOZER BLADE ASS'Y

SC: D

-2шт.

1

608-00018C

BLADE;DOZER

desc: DOZER

1шт.

2

440-00152A

CYLINDER;DOZER(L.H)

desc: VERIN DE DOZER

1шт.

3

440-00153A

CYLINDER;DOZER(R.H)

desc: VERIN DE DOZER

1шт.

4

123-00397

PIN

desc: GOUJON

2шт.

5

123-00172A

PIN

desc: GOUJON

2шт.

6

S0565051

BOLT M16X2.0X40

desc: BOULON A 6 PANS

2шт.

7

S0566666

BOLT M16X2.0X120

desc: BOULON A 6 PANS

4шт.

8

2180-1106BD4

SEAL;DUST

desc: PARE-POUSSIERES

4шт.

9

S4012933

NUT

desc: ECROU

8шт.

10

S6710042

NIPPLE;GREASE(PT1/8)

desc: GRAISSEUR

2шт.

11

621-00712A

COVER

desc: COUVERCLE

2шт.

12

2120-2196D5

BOLT;SET M10X1.5X20

desc: BOULON A 6 PANS

8шт.

13

2114-1059D127

SHIM

desc: CALE

2шт.

14

2114-1059D130

SHIM

desc: CALE

2шт.

15

2114-1059D74

SHIM

desc: CALE

4шт.

16

123-00336A

PIN

desc: GOUJON

2шт.

17

S5102901

WASHER;SPRING

desc: RONDELLE ELASTIQUE

2шт.

18

2116-1060D6

STOPPER

desc: TAQUET D'ARRET

2шт.

Выбрано товаров: 19