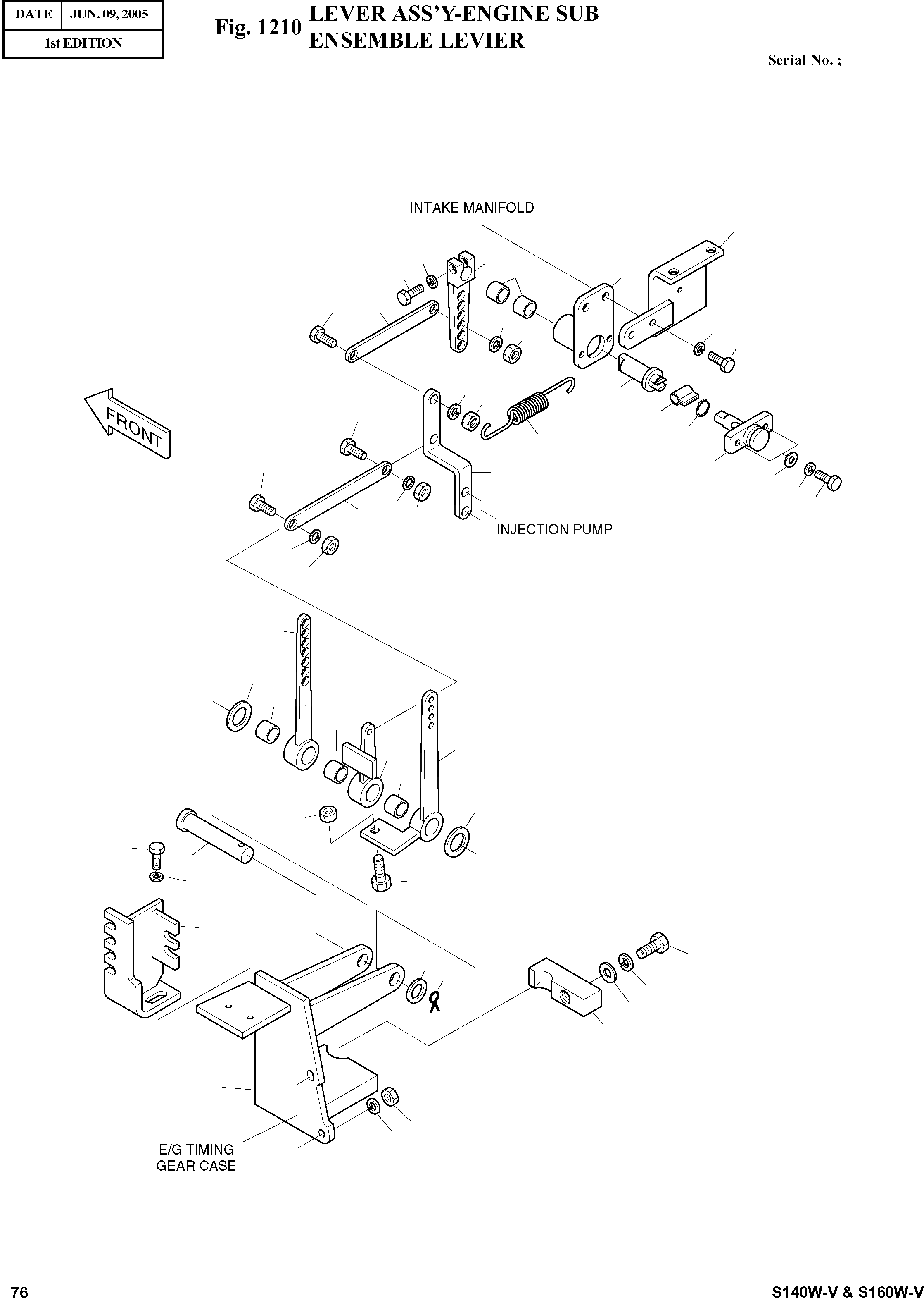
Запчасти Doosan Daewoo LEVER ASSY-ENGINE SUB BODY PARTS

2
26
19
37
25
36
23
18
26
8
22
35
26
28
22
21
29
30
24
21
31
17
33
34
32
26
22
16
26
22
15
12
20
20
13
14
20
12
7
38
9
27
39
40
4
11
10
6
5
3
1
7
8
FIT
1:1
100%

Артикул

Название

Примечание

Количество

-

133-00187B

LEVER ASS'Y

desc: ENSEMBLE LEVIER

1шт.

1

195-02224B

BRACKET

desc: SUPPORT

1шт.

2

195-02225

BRACKET

desc: SUPPORT

1шт.

3

2124-1288

CLAMP

desc: ATTACHE

1шт.

4

S0560853

BOLT M12X1.75X55

desc: BOULON

1шт.

5

S5010713

WASHER M12

desc: RONDELLE

1шт.

6

S5102703

WASHER;SPRING M12

desc: RONDELLE ELASTIQUE

1шт.

7

S4012533

NUT M8X1.25

desc: ECROU

3шт.

8

S5102503

WASHER;SPRING M8

desc: RONDELLE ELASTIQUE

4шт.

9

2123-2315

PIN

desc: GOUPILLE

1шт.

10

S5735471

PIN;SPLIT

desc: GOUPILLE

1шт.

11

S5010913

WASHER M16

desc: RONDELLE

1шт.

12

2114-1699

WASHER

desc: RONDELLE

2шт.

13

2133-2073

LEVER

desc: LEVIER

1шт.

14

2133-2074

LEVER

desc: LEVIER

1шт.

15

2133-2075

LEVER

desc: LEVIER

1шт.

16

2133-2004B

LEVER

desc: LEVIER

1шт.

17

133-00189

LEVER

desc: LEVIER

1шт.

18

2133-1933

LEVER

desc: LEVIER

1шт.

19

2133-2077

LEVER

desc: LEVIER

1шт.

20

2110-1184D27

BUSH;DU

desc: DOUILLE

3шт.

21

2120-2145

BOLT M6X1.0X20

desc: BOULON

2шт.

22

S4012333

NUT M6X1.0

desc: ECROU

4шт.

23

2120-1497

BOLT M6X1.0X26

desc: BOULON

2шт.

24

2129-1404

SPRING

desc: RESSORT

1шт.

25

S0505253

BOLT M6X1.0X30

desc: BOULON

1шт.

26

S5102303

WASHER;SPRING M6

desc: RONDELLE ELASTIQUE

5шт.

27

2120-1490

BOLT M8X1.25X30

desc: BOULON

1шт.

28

2112-1214

SHAFT

desc: ARBRE

1шт.

29

2124-1501

CLIP

desc: CLIP

1шт.

30

S6500120

RING;RETAINING

desc: JONC D'ARRET

1шт.

31

2552-9005

POTENTIOMETER

desc: POTENTIOMETRE

1шт.

32

S3450853

SCREW M4X0.7X12

desc: VIS

2шт.

33

S5100103

WASHER M4

desc: RONDELLE

2шт.

34

S5000113

WASHER;SPRING M4

desc: RONDELLE ELASTIQUE

2шт.

35

S0508853

BOLT M8X1.25X20

desc: BOULON

2шт.

36

2237-1068

BOSS

desc: PATRON

1шт.

37

2110-1184D26

BUSH;DU

desc: DOUILLE

2шт.

38

S0511853

BOLT M10X1.5X20

desc: BOULON A 6 PANS

2шт.

39

S5010613

WASHER;PLAIN

desc: RONDELLE

2шт.

40

195-02440

BRACKET

desc: SUPPORT

1шт.

Выбрано товаров: 41