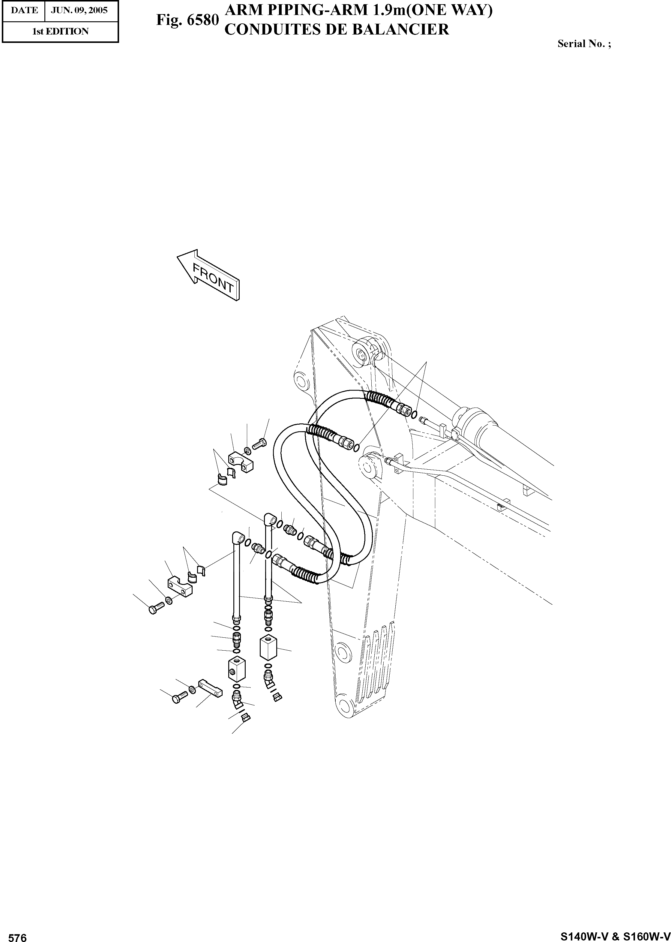
Запчасти Doosan Daewoo ARM PIPING-ARM 1.9M(ONE WAY) OPTION PARTS

7
11
13
9
15
6
14
6
7
15
7
9
14
13
11
2
1
6
3
7
8
13
12
6
4
10
7
5
FIT
1:1
100%

Артикул

Название

Примечание

Количество

-

2400-2170

ARM PIPING-ARM 1.9m

SC: D

-2шт.

1

2140-1719A

PIPE

desc: TUYAU

2шт.

2

2184-1196D5

HOSE-1450L

desc: TUYAU FLEXIBLE

2шт.

3

2181-2566D10

ADAPTER

desc: ADAPTEUR

2шт.

4

2181-2816D1

ELBOW

desc: COUDE

2шт.

5

2181-2817D1

CAP

desc: CHAPEAU

2шт.

6

S8000231

O-RING

desc: JOINT TORIQUE

6шт.

7

S8030121

O-RING

desc: JOINT TORIQUE

8шт.

8

2420-9629A

VALVE;STOP

desc: VANNE

2шт.

9

2124-1694

CLAMP;PIPE

desc: FIXATION DE TUYAU

2шт.

10

2124-1695

CLAMP;STOP VALVE

desc: ATTACHE DE TUYAU

2шт.

11

S0560753

BOLT M12X1.75X50

desc: BOULON A 6 PANS

4шт.

12

S0561253

BOLT M12X1.75X75

desc: BOULON A 6 PANS

4шт.

13

S5102703

WASHER;SPRING M12

desc: RONDELLE ELASTIQUE

8шт.

14

2181-2627D1

ADAPTER

desc: ADAPTEUR

2шт.

15

2161-2250A

RUBBER

desc: CAOUTCHOUC

4шт.

Выбрано товаров: 16