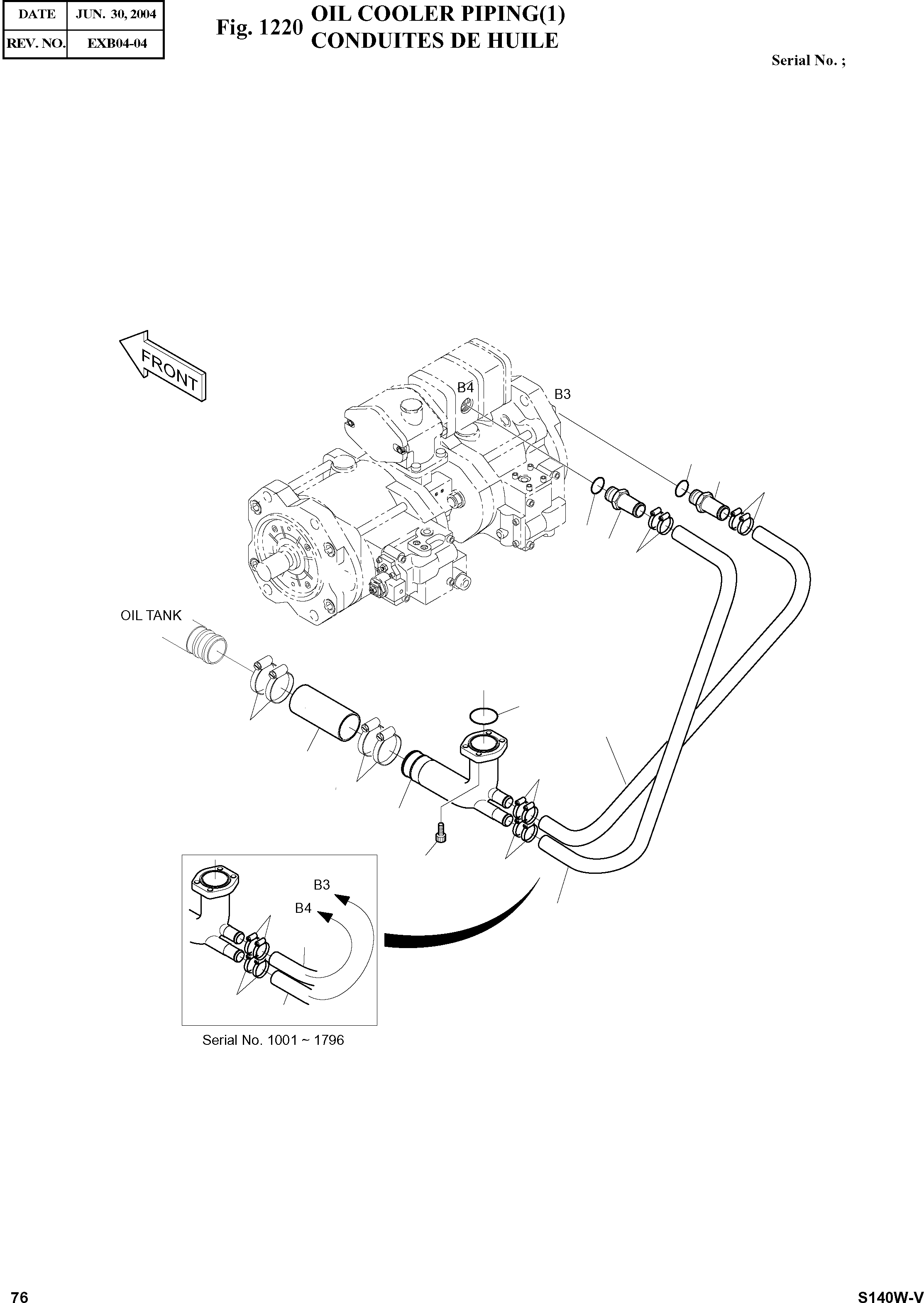
Запчасти Doosan Daewoo OIL COOLER PIPING(1) BODY PARTS

28
29
24
48
49
24
27
12
38
8
24
38
1
26
24
24
11
11
24
12
FIT
1:1
100%

Артикул

Название

Примечание

Количество

-

400-01232

OIL COOLER PIPING

SC: D

-2шт.

1

2140-1536

PIPE;SUCTION

desc: TUYAU

1шт.

8

2185-1002D105

HOSE 375L

desc: TUYAU FLEXIBLE

1шт.

11

2185-1002D122

HOSE 740L

SERIAL: 1001-1796

1шт.

11

2185-1002D107

HOSE 800L

SERIAL: 1797

1шт.

12

2185-1002D109

HOSE 680L

desc: TUYAU FLEXIBLE

1шт.

24

S8450035

CLAMP;HOSE

desc: FIXATION DE TUYAU

8шт.

26

S2215366

BOLT;SOCKET M12X1.75X35

desc: BOULON A 6 PANS CREUX

4шт.

27

2180-1026D31

O-RING

desc: JOINT TORIQUE

1шт.

28

S8000241

O-RING

desc: JOINT TORIQUE

1шт.

29

2181-2693A

ADAPTER

desc: ADAPTEUR

1шт.

38

S8450082

CLAMP;HOSE

desc: FIXATION DE TUYAU

4шт.

48

S8040121

O-RING

desc: JOINT TORIQUE

1шт.

49

181-00722

ADAPTER

SERIAL: 1001-2559

1шт.

49

K1002269

ADAPTER

SERIAL: 2560

1шт.

Выбрано товаров: 15