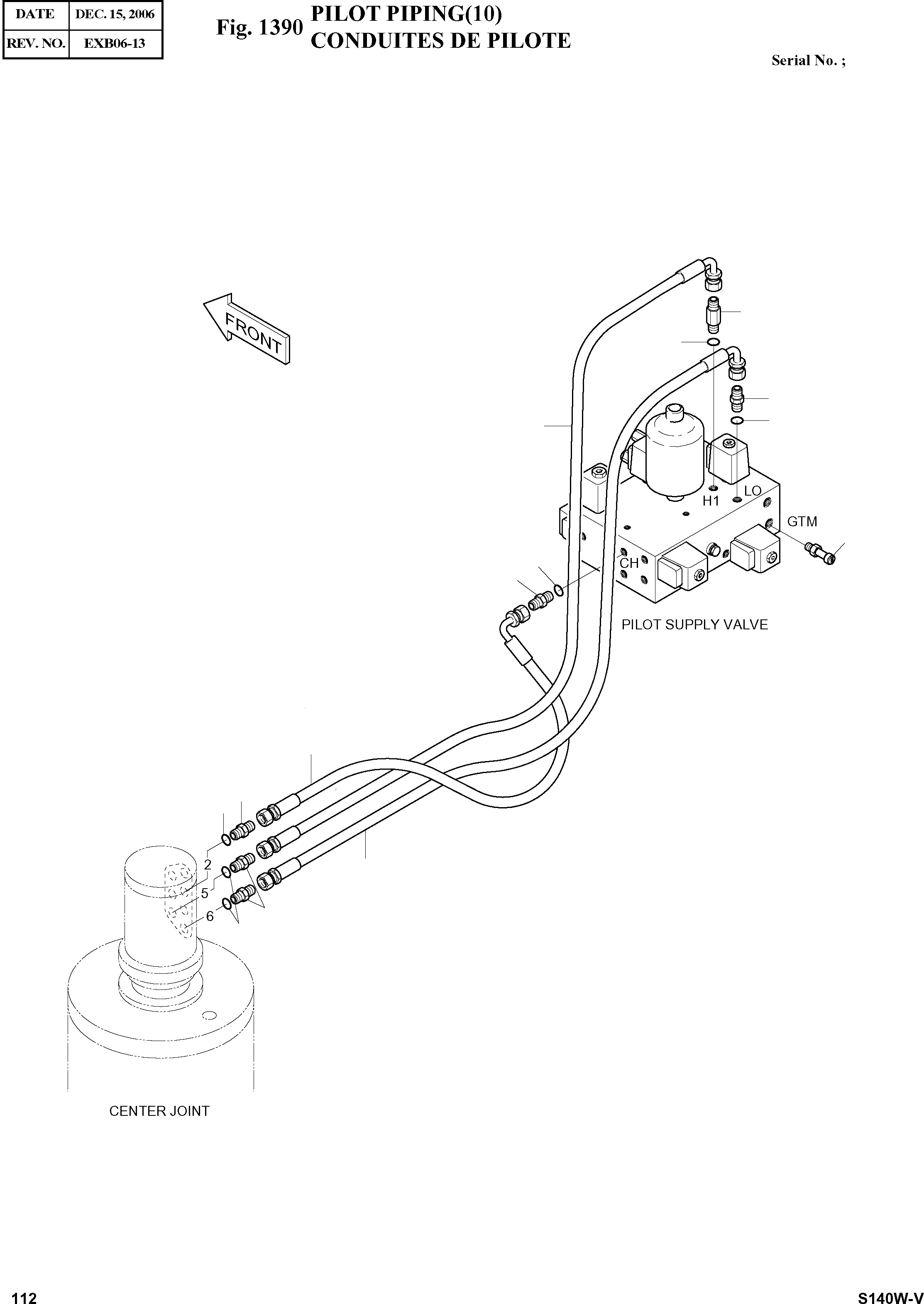
Запчасти Doosan Daewoo PILOT PIPING(10) BODY PARTS

30
8
10
8
80
34
13
14
79
14
13
81
10
8
FIT
1:1
100%

Артикул

Название

Примечание

Количество

-

400-01165A

PILOT PIPING

SC: D

-2шт.

8

S8000141

O-RING

desc: JOINT TORIQUE

4шт.

10

2181-1126D7

ADAPTER PFO3/8-PF3/8

desc: ADAPTEUR

3шт.

13

S8000111

O-RING

desc: JOINT TORIQUE

2шт.

14

2181-1126D14

ADAPTER PFO1/4-PF1/4

desc: ADAPTEUR

2шт.

30

2181-1126D28

ADAPTER PFO3/8-PF3/8

desc: ADAPTEUR

1шт.

34

547-00001

SENSOR;PRESSURE

desc: CAPTEUR

1шт.

79

2184-1046D53

HOSE PF1/4-730L

desc: TUYAU FLEXIBLE

1шт.

80

2184-1036D134

HOSE PF3/8-900L

desc: TUYAU FLEXIBLE

1шт.

81

2184-1036D134

HOSE PF3/8-900L

desc: TUYAU FLEXIBLE

1шт.

Выбрано товаров: 10