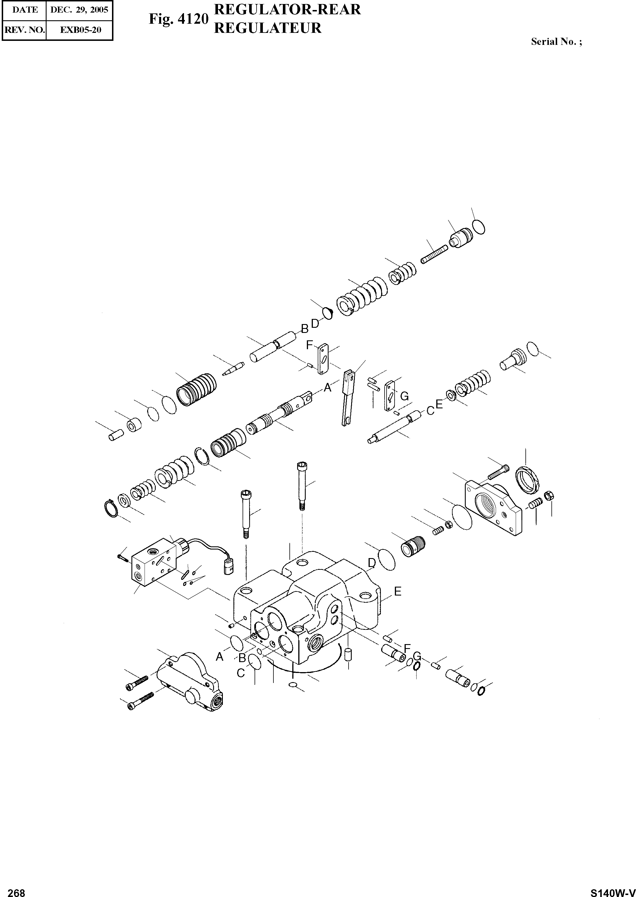
Запчасти Doosan Daewoo REGULATOR-REAR HYDRAULIC PARTS

652
875
653
755
755
732
627
674
626
625
624
623
612
621
611
728
874
622
613
875
645
733
732
646
631
644
897
898
643
630
438
651
629
836
412
655
763
413
801
654
925
801
814
628
79
924
601
756
405
735
722
753
699
496
734
876
641
876
614
438
615
887
858
708
858
725
730
724
436
FIT
1:1
100%

Артикул

Название

Примечание

Количество

-

720945A

REGULATOR-REAR

desc: REGULATEUR

1шт.

79

720228

EPPR VALVE

desc: VANNE

1шт.

405

232105

BOLT;SOCKET

desc: BOULON A 6 PANS CREUX

2шт.

412

200852

BOLT;SOCKET

desc: BOULON A 6 PANS CREUX

2шт.

413

205526

BOLT;SOCKET

desc: BOULON A 6 PANS CREUX

2шт.

436

200833

BOLT;SOCKET

desc: BOULON A 6 PANS CREUX

2шт.

438

200830

BOLT;SOCKET

desc: BOULON A 6 PANS CREUX

10шт.

496

134596

PLUG

desc: BOUCHON

5шт.

601

140783

CASING

SC: D

1шт.

611

140789

LEVER;FEEDBACK

SC: D

1шт.

612

140787

LEVER(1)

SC: D

1шт.

613

140788

LEVER(2)

SC: D

1шт.

614

140795

PLUG;CENTER

SC: D

1шт.

615

140796

PLUG;ADJUST

SC: D

1шт.

621

113413A

PISTON;COMPENSATOR

SC: D

1шт.

622

113414A

CASE;PISTON

SC: D

1шт.

623

113415

ROD;COMPENSATOR

SC: D

1шт.

624

113416

SEAT;SPRING(C)

SC: D

1шт.

625

133587

SPRING;OUTER

SC: D

1шт.

626

131657

SPRING;INNER

SC: D

1шт.

627

120009

STEM;ADJUST(C)

SC: D

1шт.

628

120010

SCREW;ADJUST(C)

SC: D

1шт.

629

140785

COVER(C)

SC: D

1шт.

630

113396

NUT;LOCK

SC: D

1шт.

631

138816

SLEEVE;PF

SC: D

1шт.

641

115804

COVER;PILOT

SC: D

1шт.

643

113406

PISTON;PILOT

SC: D

1шт.

644

113431

SEAT;SPRING(Q)

SC: D

1шт.

645

113437

STEM;ADJUST(Q)

SC: D

1шт.

646

136486

SPRING;PILOT

SC: D

1шт.

651

113440

SLEEVE

SC: D

1шт.

652

140786

SPOOL

SC: D

1шт.

653

113442

SEAT;SPRING

SC: D

1шт.

654

131664

SPRING;RETURN

SC: D

1шт.

655

131665

SPRING;SET

SC: D

1шт.

674

120055

PISTON

SC: D

1шт.

699

137728

CASING;VALVE

SC: D

1шт.

708

201673

O-RING 1BG75

SC: K

1шт.

722

201757

O-RING 1BP6

SC: K

3шт.

724

201765

O-RING 1BP8

SC: K

9шт.

725

201685

O-RING 1BP10

SC: K

1шт.

728

201710

O-RING 1BP18

SC: K

1шт.

730

201718

O-RING 1BP22

SC: K

1шт.

732

201706

O-RING 1BP16

SC: K

2шт.

733

201713

O-RING 1BP20

SC: K

1шт.

734

201654

O-RING 1BP25

SC: K

1шт.

735

204458

O-RING 1BP12.5

SC: K

1шт.

753

201768

O-RING 1BP11

SC: K

2шт.

755

201689

O-RING 1BP11

SC: K

2шт.

756

201723

O-RING 1BP26

SC: K

1шт.

763

201660

O-RING 1BG35

SC: K

1шт.

801

212035

NUT;HEX

desc: ECROU 6 PANS

2шт.

814

204956

RING;SNAP

desc: BAGUE D'ARRET

1шт.

836

215018

RING;STOP

SC: D

1шт.

858

212036

RING;SNAP

desc: BAGUE

2шт.

874

217841

PIN

SC: D

1шт.

875

140793

PIN

SC: D

2шт.

876

140792

PIN

SC: D

2шт.

887

113394

PIN

SC: D

1шт.

897

140794

PIN

SC: D

1шт.

898

138817

PISTON;PF

SC: D

1шт.

924

202523

SCREW;SET

desc: VIS

1шт.

925

113395

SCREW;ADJUST(Q)

SC: D

1шт.

Выбрано товаров: 63