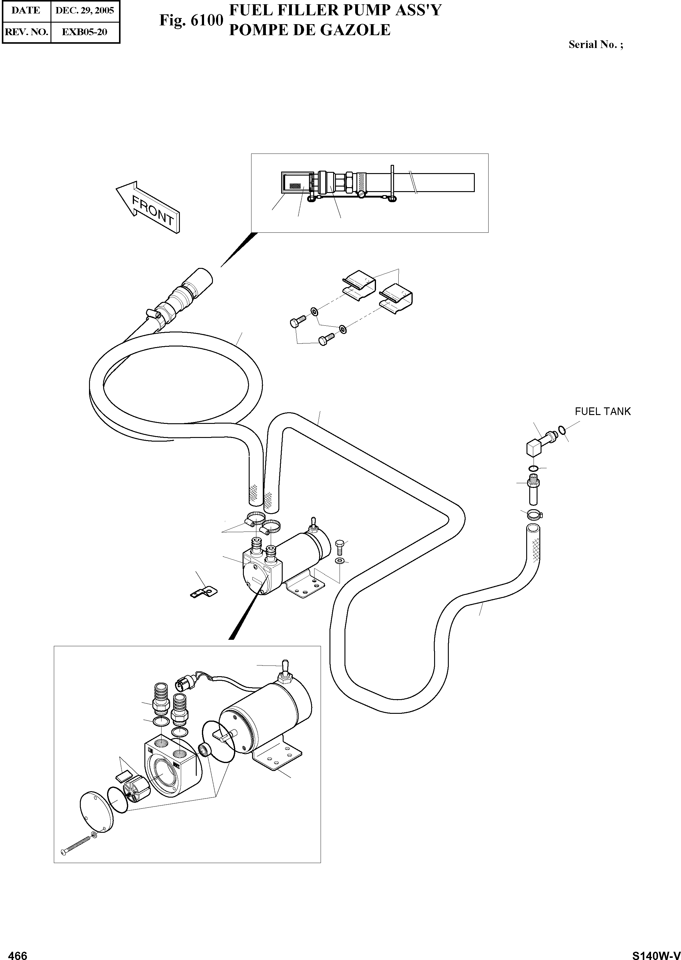
Запчасти Doosan Daewoo FUEL FILLER PUMP ASSY OPTION PARTS

4C
4B
4A
1F
1A
1B
1D
1E
1C
21
4
23
22
3
20
19
19
18
2
2
8
1
9
24
3
FIT
1:1
100%

Артикул

Название

Примечание

Количество

-

401-00371

PUMP ASS'Y

SERIAL: 1001-3234

-2шт.

-

401-00371A

PUMP ASS'Y

SERIAL: 3235

-2шт.

1

401-00373

PUMP;FUEL

desc: POMPE A GAZOLE

1шт.

1A

2181-2755B

ADAPTER

desc: . ADAPTEUR

2шт.

1B

S8180321

SEAL;WASHER

desc: . BAGUE D'ETANCHEITE

2шт.

1C

523-00002A

MOTOR;FUEL TRANSFER PUMP

desc: . MOTEUR

1шт.

1D

407-00001

VANE KIT

desc: . KIT DE VANE

1шт.

1E

2401-1276KT

SEAL KIT

desc: . KIT D'ETANCHEITE

1шт.

1F

2549-9096

SWITCH;TOGGLE

desc: . INTERRUPTEUR

1шт.

2

S8450023

CLAMP;HOSE

desc: FIXATION DE TUYAU

3шт.

3

2185-1353D29

HOSE PF3/4-2200L

SERIAL: 1001-3234

1шт.

3

2185-1247D84

HOSE PF3/4-2500L

SERIAL: 3235

1шт.

4

185-00167D3

HOSE ASS'Y 4000L

desc: TUYAU FLEXIBLE

1шт.

4A

2420-1258

VALVE;CHECK

desc: . CLAPET DE RETENUE

1шт.

4B

2471-1152

STRAINER

desc: . CREPINE

1шт.

4C

2160-1336

CAP;STRAINER

desc: . CHAPEAU

1шт.

8

S0508553

BOLT M8X1.25X14

desc: BOULON A 6 PANS

4шт.

9

S5010513

WASHER;PLAIN M8

desc: RONDELLE PLATE

4шт.

18

2181-2104D6

ADAPTER

desc: ADAPTEUR

1шт.

19

S8000181

O-RING

desc: JOINT TORIQUE

2шт.

20

2181-2295D15

ELBOW PFO1/2-PFO1/2

desc: COUDE

1шт.

21

124-00152A

CLAMP;HOSE

desc: FIXATION DE TUYAU

2шт.

22

S2208471

BOLT;SOCKET M10X1.25X12

desc: BOULON A 6 PANS CREUX

2шт.

23

S5110501

WASHER;SPRING M8

desc: RONDELLE ELASTIQUE

2шт.

24

195-02154

BRACKET;HOUSING

desc: SUPPORT

1шт.

Выбрано товаров: 25