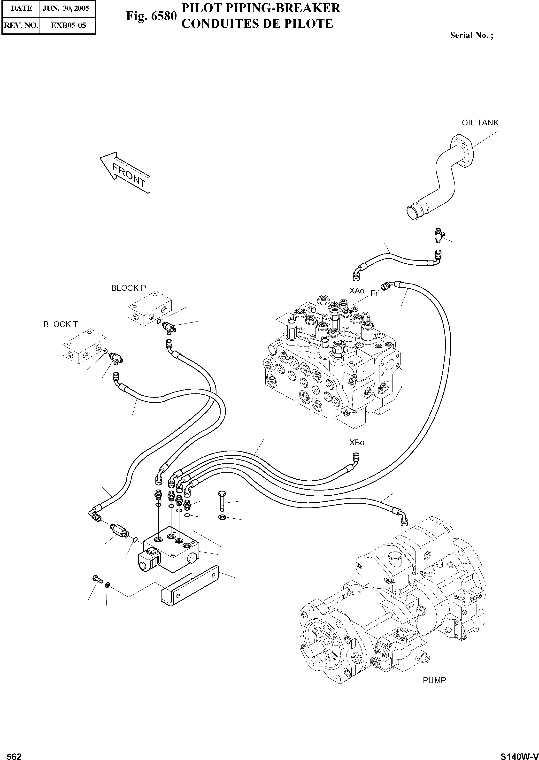
Запчасти Doosan Daewoo PILOT PIPING-BREAKER OPTION PARTS

17
16
9
14
10
9
10
12
15
11
13
4
7
6
3
8
1
6
2
5
3
FIT
1:1
100%

Артикул

Название

Примечание

Количество

-

400-01168

PILOT PIPING;BREAKER

SC: D

-2шт.

1

420-00340

VALVE;PACKAGE

SERIAL: 1001-2564

1шт.

1

420-00340A

VALVE;PACKAGE

SERIAL: 2565-2634

1шт.

1

420-00340B

VALVE;PACKAGE

SERIAL: 2635

1шт.

2

2891-1403

PLATE

desc: PLAQUE

1шт.

3

S5102603

WASHER;SPRING M10

desc: RONDELLE ELASTIQUE

4шт.

4

S0558953

BOLT M10X1.5X70

desc: BOULON A 6 PANS

2шт.

5

S0512053

BOLT M10X1.5X25

desc: BOULON A 6 PANS

2шт.

6

S8000111

O-RING

desc: JOINT TORIQUE

5шт.

7

2181-1126D14

ADAPTER PFO1/4-PF1/4

desc: ADAPTEUR

4шт.

8

2181-1126D34

ADAPTER PFO1/4-PF1/4

desc: ADAPTEUR

1шт.

9

S8000141

O-RING

desc: JOINT TORIQUE

2шт.

10

2181-1951D6

TEE PFO3/8-PF3/8-PF1/4

desc: TE

2шт.

11

2184-1061D247

HOSE PF1/4-1750L

desc: TUYAU FLEXIBLE

1шт.

12

2184-1061D248

HOSE PF1/4-1850L

desc: TUYAU FLEXIBLE

1шт.

13

2184-1061D8

HOSE PF1/4-2700L

SERIAL: 1001-3198

1шт.

13

DS2059497

HOSE PF1/4-2600L

SERIAL: 3199

1шт.

14

2184-1046D61

HOSE PF1/4-1750L

SERIAL: 1001-3198

1шт.

14

2184-1046D117

HOSE PF1/4-1700L

SERIAL: 3199

1шт.

15

2184-1061D47

HOSE PF1/4-1100L

desc: TUYAU FLEXIBLE

1шт.

16

DS2349013

TEE PFO3/4-PF3/4-PF1/4

desc: TE

1шт.

17

2184-1061D245

HOSE PF1/4-430L

desc: TUYAU FLEXIBLE

1шт.

18

530-00330

HARNESS;BREAKER

desc: HARNAIS

1шт.

Выбрано товаров: 23