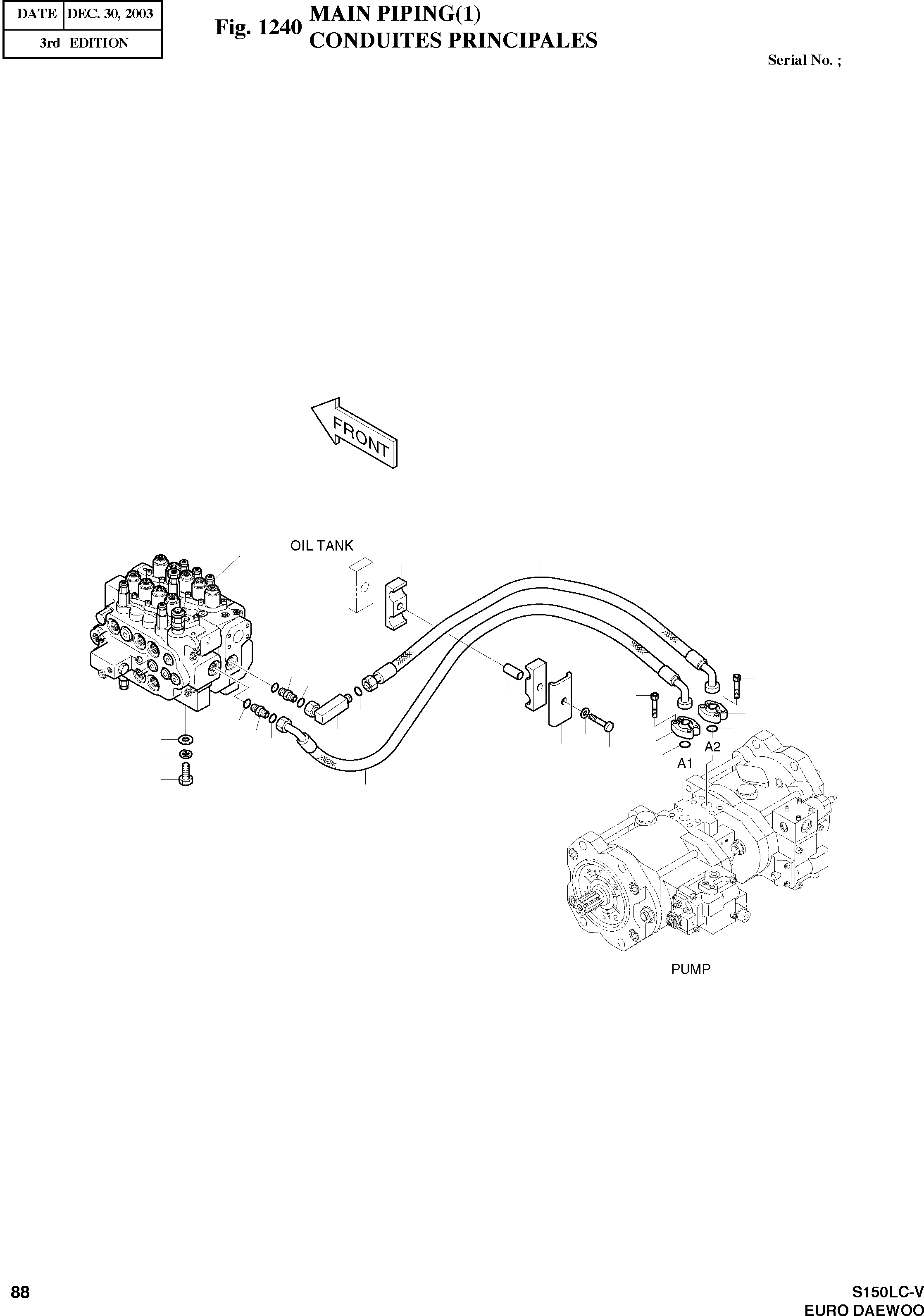
Запчасти Doosan Daewoo MAIN PIPING(1) BODY PARTS

1
17
46
25
56
21
24
21
37
48
24
25
19
46
26
23
14
38
48
24
47
10
13
19
12
18
FIT
1:1
100%

Артикул

Название

Примечание

Количество

-

2400-1800A

MAIN PIPING

SC: D

-2шт.

-

9400-1122A

MAIN PIPING

SC: D

-2шт.

1

2426-1225A

VALVE;CONTROL

SERIAL: 1-50125

1шт.

1

2426-1225C

VALVE;CONTROL

SERIAL: 50126-50143

1шт.

1

426-E0078

VALVE;CONTROL

SERIAL: 50144-50168

1шт.

1

426-E0078A

VALVE;CONTROL

SERIAL: 50169-50280

1шт.

1

426-E0078B

VALVE;CONTROL

SERIAL: 50281

1шт.

10

S0565861

BOLT M16X2.0X80

desc: BOULON A 6 PANS

1шт.

12

S0515353

BOLT M12X1.75X35

desc: BOULON A 6 PANS

4шт.

13

S5102703

WASHER;SPRING M12

desc: RONDELLE GROWER

4шт.

14

S5010713

WASHER M12

desc: RONDELLE

4шт.

17

2184-1200D28

HOSE;PUMP 3/4-1050L

desc: TUYAU FLEXIBLE

1шт.

18

2184-1202D39

HOSE;PUMP 3/4-1200L

desc: TUYAU FLEXIBLE

1шт.

19

2180-1026D2

O-RING 3/4

desc: JOINT TORIQUE

2шт.

21

S2212266

BOLT;SOCKET M10X1.5X30

desc: BOULON A 6 PANS CREUX

8шт.

23

2181-2627D1

ADAPTER; ORSPFO3/4-ORS3/4

desc: RACCORD

1шт.

24

S8030121

O-RING 1 3/16-12

desc: JOINT TORIQUE

3шт.

25

S8000231

O-RING 3/4

desc: JOINT TORIQUE

2шт.

26

2181-2686

ELBOW UNF1 3/16-12

desc: COUDE

1шт.

37

2114-1808

SPACER

desc: BAGUE D'ECARTEMENT

1шт.

38

S5010913

WASHER M6; PLAIN

desc: RONDELLE PLATE

1шт.

46

2124-1548

CLAMP;HOSE

desc: COLLIER

2шт.

47

2191-3705B

PLATE

SERIAL: 1-50125

1шт.

47

2191-3705C

PLATE

SERIAL: 50126

1шт.

48

2181-9080

FLANGE;SPLIT

desc: FLASQUE EN DEUX PARTIES

4шт.

56

2181-2720A

ADAPTER PFO3/4-ORS3/4

desc: RACCORD

1шт.

Выбрано товаров: 26