Запчасти Doosan Daewoo ELECTRIC PARTS(6)-ENGINE BODY PARTS

44
53
54
55
45
48
49
47
46
51
18
17
51
19
52
50
16
21
22
20
40
39
FIT
1:1
100%

Артикул

Название

Примечание

Количество

-

500-00262

ELECTRIC PARTS

SC: D

-2шт.

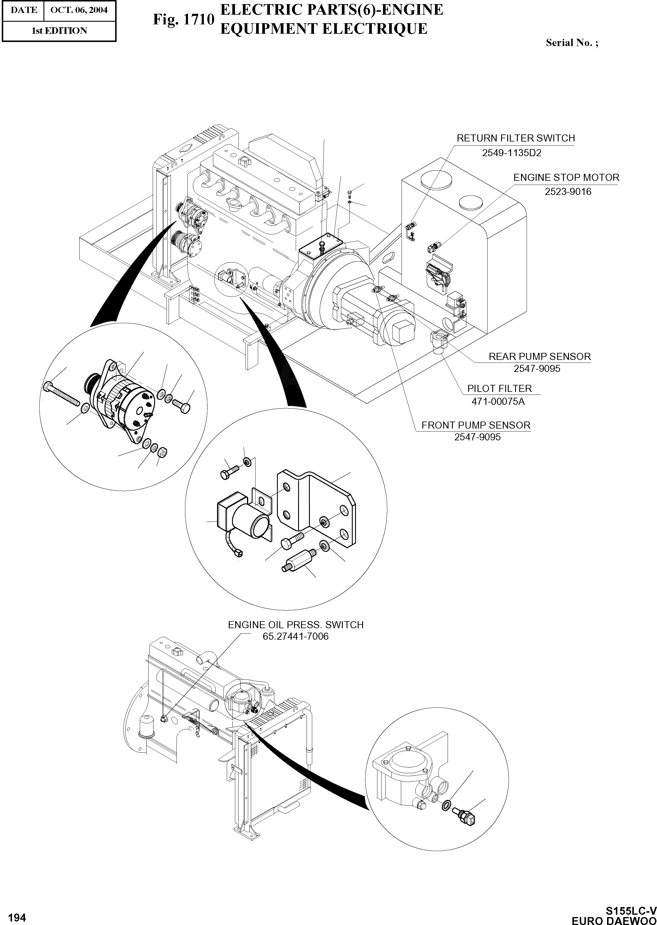
16

544-00007

RELAY;PREHEAT

desc: RELAIS

1шт.

17

S0504653

BOLT M6X1.0X12

desc: BOULON A 6 PANS

2шт.

18

S5102303

WASHER;SPRING

desc: RONDELLE ELASTIQUE

2шт.

19

195-02193

BRACKET;RELAY PL 4.5

desc: SUPPORT

1шт.

20

2120-2235

BOLT;STUD M10X1.25X15

desc: BOULON A 6 PANS

1шт.

21

S0711853

BOLT M10X1.25X20

desc: BOULON A 6 PANS

1шт.

22

S5102603

WASHER;SPRING M10

desc: RONDELLE ELASTIQUE

2шт.

39

2547-9038B

SENSOR;WATER TEMP

desc: CAPTEUR

1шт.

40

S8180251

PACKING M16/D22

desc: EMBALLAGE

1шт.

44

2547-1015

SENSOR;ENGINE SPEED

desc: CAPTEUR

1шт.

45

2502-9007B

ALTERNATOR 24V 60A

desc: ALTERNATEUR

1шт.

46

S0760853

BOLT M12X1.25X55

desc: BOULON A 6 PANS

1шт.

47

S5102703

WASHER;SPRING

desc: RONDELLE ELASTIQUE

1шт.

48

2114-1058D54

WASHER

desc: RONDELLE

1шт.

49

S0562653

BOLT M12X1.75X160

desc: BOULON A 6 PANS

1шт.

50

S5102703

WASHER;SPRING

desc: RONDELLE ELASTIQUE

1шт.

51

S5010713

WASHER;PLAIN

desc: RONDELLE PLATE

2шт.

52

S4012733

NUT M12

desc: ECROU

1шт.

53

2197-1793

BRACKET;SPEED SENSOR

desc: SUPPORT

1шт.

54

S0512053

BOLT M10X1.5X25

desc: BOULON A 6 PANS

3шт.

55

S5102603

WASHER;SPRING M10

desc: RONDELLE ELASTIQUE

3шт.

Выбрано товаров: 22