Качественные детали и логистика
Оригинальные и аналоговые запчасти с доставкой по России, Казахстану и Беларуси
©2022 PartSell ООО "Система" ИНН 2463123282 ОГРН 1212400004838
Центральный офис: г. Красноярск, Академика Киренского, д.87, пом.4
Телефон: 8 (800) 777-65-74 Email: zakaz@partsell.ru
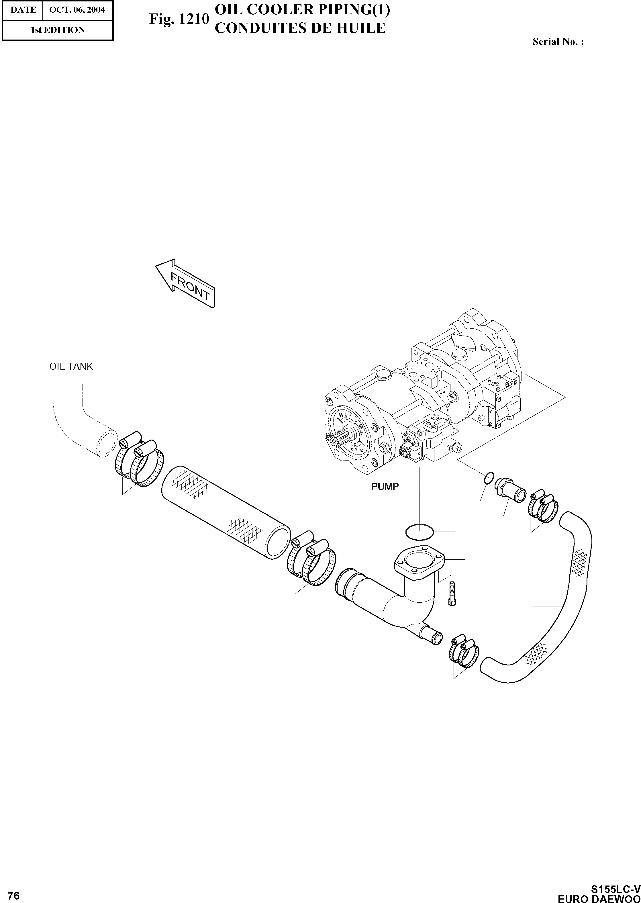
OIL COOLER PIPING(1)
№
Артикул
Название
Примечание
Количество
-
2400-1799A
OIL COOLER PIPING
SC: D
-2шт.
1
2140-1275B
PIPE;SUCTION
desc: TUYAU
1шт.
8
2185-1002D105
HOSE
desc: TUYAU FLEXIBLE
27
2180-1026D31
O-RING
desc: JOINT TORIQUE
28
S2215366
BOLT;SOCKET M12X1.75X35
desc: BOULON A 6 PANS CREUX
4шт.
29
2185-1002D122
HOSE 740L
38
S8450082
CLAMP;HOSE
desc: COLLIER
45
S8450035
46
S8000241
49
2181-2693A
ADAPTER
desc: ADAPTEUR
Выбрано товаров: 0