Качественные детали и логистика
Оригинальные и аналоговые запчасти с доставкой по России, Казахстану и Беларуси
©2022 PartSell ООО "Система" ИНН 2463123282 ОГРН 1212400004838
Центральный офис: г. Красноярск, Академика Киренского, д.87, пом.4
Телефон: 8 (800) 777-65-74 Email: zakaz@partsell.ru
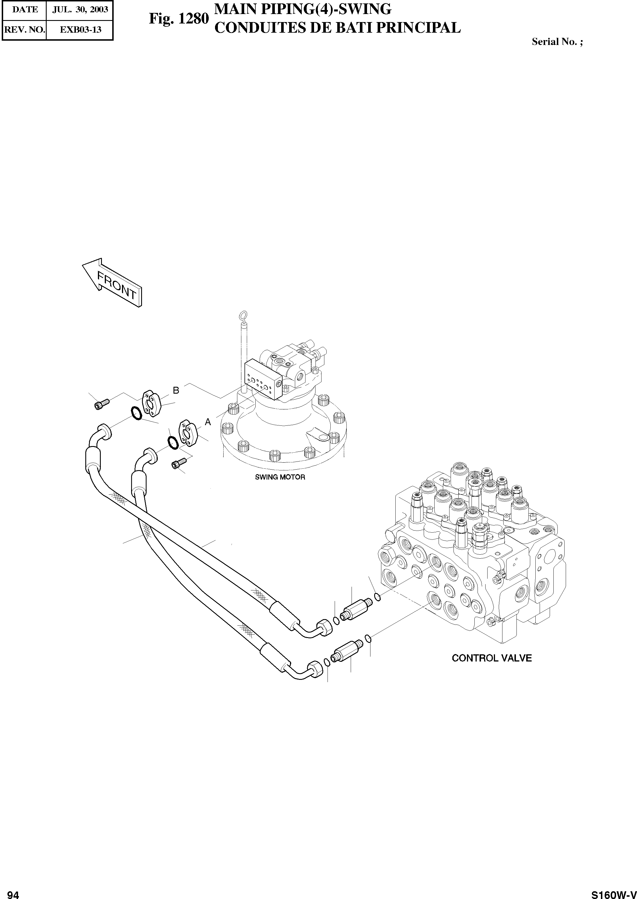
MAIN PIPING(4)-SWING
№
Артикул
Название
Примечание
Количество
-
400-01166
MAIN PIPING
SC: D
-2шт.
7
2181-2627D8
ADAPTER PFO3/4-ORS1/2
desc: ADAPTEUR
2шт.
25
S8000231
O-RING
desc: JOINT TORIQUE
27
S8030081
33
2184-1216D17
HOSE PF1/2-420L
desc: TUYAU FLEXIBLE
1шт.
34
2184-1216D18
HOSE PF1/2-500L
62
2181-9089
FLANGE;SPLIT
desc: BRIDE
4шт.
63
S2209966
BOLT;SOCKET M8X1.25X65
desc: BOULON A 6 PANS CREUX
8шт.
64
2180-1026D30
Выбрано товаров: 0