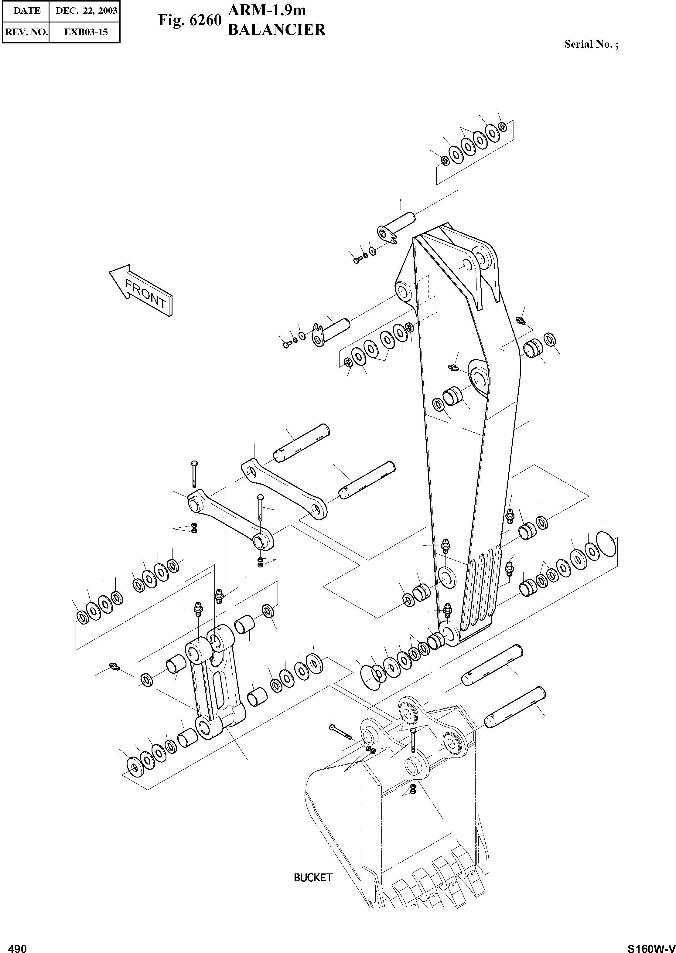
Запчасти Doosan Daewoo ARM-1.9M OPTION PARTS

2C
2C
2C
2C
1C
1C
1D
1D
1B
1B
10
23
13
23
10
6
14
16
15
19
7
14
16
15
19
11
10
22
12
22
11
1
8
10
3
8
18
19
4
11
18
20
17
22
24
11
12
22
19
19
12
11
17
11
11
12
11
22
19
11
19
19
11
11
25
12
24
22
22
20
12
11
9
19
11
18
9
11
12
22
25
18
2
17
17
FIT
1:1
100%

Артикул

Название

Примечание

Количество

-

2701-1454E

ARM ASS'Y-1.9m

SC: D

-2шт.

1

2701-1455K

ARM SUB ASS'Y-1.9m

desc: BALANCIER

1шт.

1B

2110-1328A

BUSHING

desc: . MANCHON

2шт.

1C

2110-1329A

BUSHING

desc: . MANCHON

2шт.

1D

2110-1330A

BUSHING

desc: . MANCHON

2шт.

2

2155-1339E

LINK;PUSH ASS'Y

desc: ARTICULATION

1шт.

2C

2110-1366A

BUSHING

desc: . MANCHON

4шт.

3

2155-1306B

LINK;GUIDE(R)

desc: ARTICULATION

1шт.

4

2155-1307B

LINK;GUIDE(L)

desc: ARTICULATION

1шт.

6

2123-2209C

PIN

desc: GOUPILLE

1шт.

7

2123-2225C

PIN

desc: GOUPILLE

1шт.

8

2123-2211C

PIN

desc: GOUPILLE

2шт.

9

2123-2212C

PIN

desc: GOUPILLE

2шт.

10

2180-1106BD4

SEAL;DUST

desc: JOINT DE LA POUSSIERE

4шт.

11

2180-1106BD3

SEAL;DUST

desc: JOINT DE LA POUSSIERE

14шт.

12

2114-1058D12

SHIM

desc: CALE

8шт.

13

2114-1059D127

SHIM

desc: CALE

2шт.

14

2116-1060D6

STOPPER

desc: TAQUET D'ARRET

2шт.

15

S0521366

BOLT M16X2.0X35

desc: BOULON A 6 PANS

2шт.

16

S5102903

WASHER;SPRING M16

desc: RONDELLE ELASTIQUE

2шт.

17

S4012933

NUT M16X2.0

desc: ECROU

8шт.

18

S0566766

BOLT M16X2.0X125

desc: BOULON A 6 PANS

4шт.

19

S6710041

FITTING

desc: GRAISSEUR

9шт.

20

180-00077D3

O-RING

desc: JOINT TORIQUE

2шт.

22

2114-1059D89

SHIM

desc: CALE

8шт.

23

2114-1059D129

SHIM

desc: CALE

2шт.

24

2114-1994A

SPACER

SERIAL: 1001-2063

2шт.

24

2114-1994B

SPACER

SERIAL: 2064

2шт.

25

2114-1995A

SPACER

SERIAL: 1001-2063

2шт.

25

2114-1995B

SPACER

SERIAL: 2064

2шт.

Выбрано товаров: 0