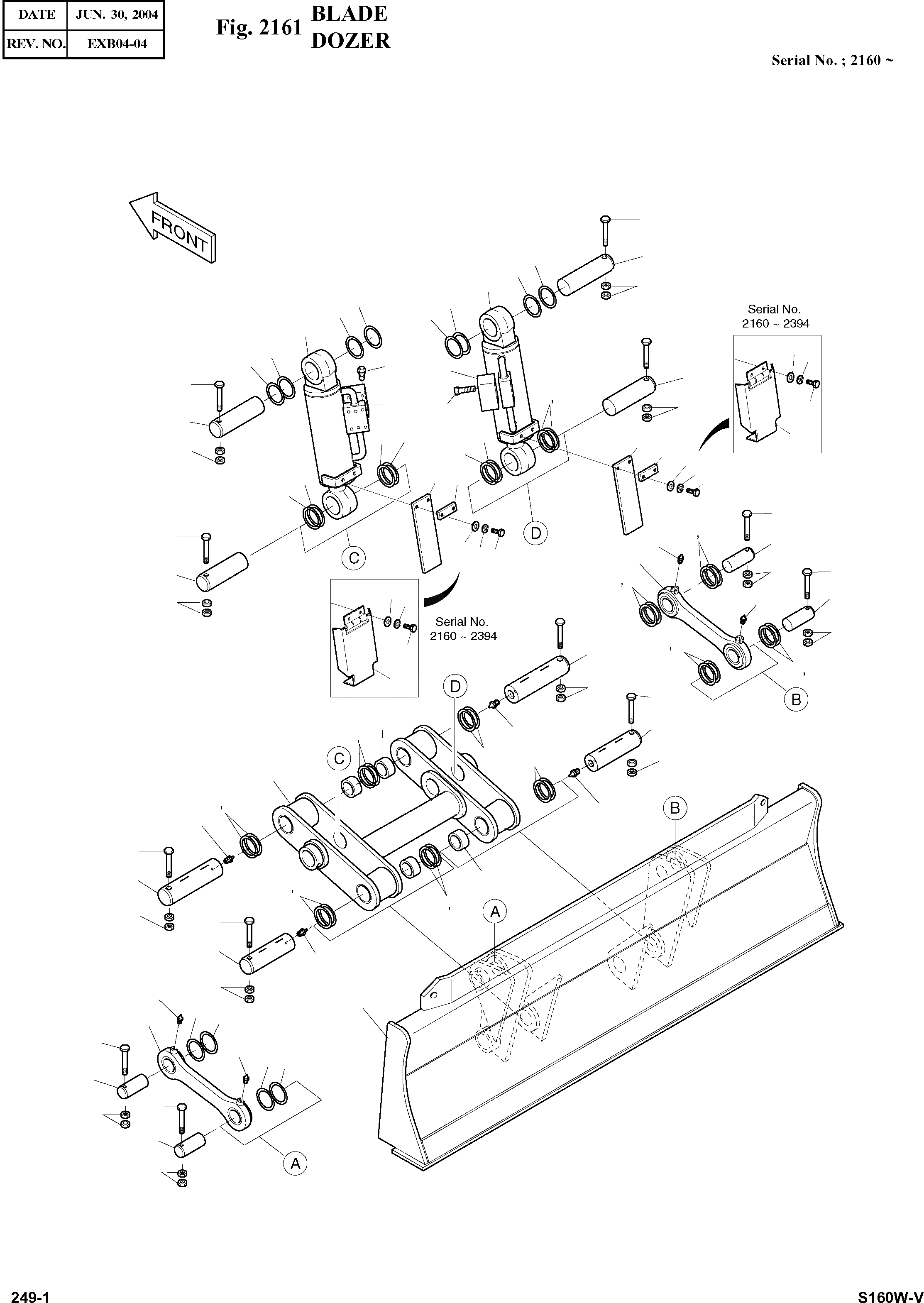
Запчасти Doosan Daewoo BLADE POWER TRAIN

2-1
2-2
3-1
3-2
4A
4A
12
6
20
11
2
13
20
11
11
20
3
12
19
11
18
20
9
12
11
20
13
17
6
11
11
20
16
16
20
13
21
19
18
11
16
21
17
20
12
11
20
12
14
7
19
18
5
17
13
12
9
11
20
19
7
18
14
13
12
13
11
20
8
17
11
20
16
13
12
8
14
11
20
11
11
13
4
11
20
14
14
12
8
11
20
11
20
13
12
8
14
13
14
1
20
11
5
12
14
20
11
7
12
13
7
13
FIT
1:1
100%

Артикул

Название

Примечание

Количество

-

2608-1048A

BLADE ASS'Y

SERIAL: 2160

-2шт.

1

2608-1047K

BLADE

SERIAL: 2160-2394

1шт.

1

2608-1047L

BLADE

SERIAL: 2395

1шт.

2

2440-9164H

CYLINDER;DOZER(R.H)

desc: CYLINDRE

1шт.

2-1

2426-9021C

VALVE;CHECK

desc: . VANNE

1шт.

2-2

S2212961

BOLT;SOCKET

desc: . BOULON A 6 PANS CREUX

4шт.

3

2440-9165H

CYLINDER;DOZER(L.H)

desc: CYLINDRE

1шт.

3-1

2426-9021C

VALVE;CHECK

desc: . VANNE

1шт.

3-2

S2212961

BOLT;SOCKET

desc: . BOULON A 6 PANS CREUX

4шт.

4

2155-1301G

LINK

desc: ARTICULATION

1шт.

4A

2110-1027D29

BUSHING

desc: . MANCHON

8шт.

5

2155-1193B

LINK

desc: ARTICULATION

2шт.

6

2123-1833A

PIN

SERIAL: 2160-2394

2шт.

6

2123-1833B

PIN

SERIAL: 2395

2шт.

7

2123-1529B

PIN

desc: GOUPILLE

4шт.

8

2123-1835

PIN

desc: GOUPILLE

4шт.

9

2123-1530A

PIN

SERIAL: 2160-2394

2шт.

9

2123-1530B

PIN

SERIAL: 2395

2шт.

11

2114-1059D74

SHIM

desc: CALE

24шт.

12

S0566651

BOLT M16X2.0X120

desc: BOULON A 6PANS

12шт.

13

S4012933

NUT M16X2.0

desc: ECROU

24шт.

14

S6710043

NIPPLE;GREASE

desc: GRAISSEUR

8шт.

16

2627-1681

COVER

SERIAL: 2160-2394

2шт.

16

K1000052

PLATE

SERIAL: 2395

2шт.

17

S0511853

BOLT M10X1.5X20

SERIAL: 2160-2394

4шт.

17

S0512353

BOLT M10X1.5X35

SERIAL: 2395

4шт.

18

S5102603

WASHER;SPRING

desc: RONDELLE ELASTIQUE

4шт.

19

S5010613

WASHER;PLAIN

desc: RONDELLE ELASTIQUE

4шт.

20

2114-1059D270

SHIM

desc: CALE

24шт.

21

DS7821017

PLATE

SERIAL: 2395

2шт.

Выбрано товаров: 0