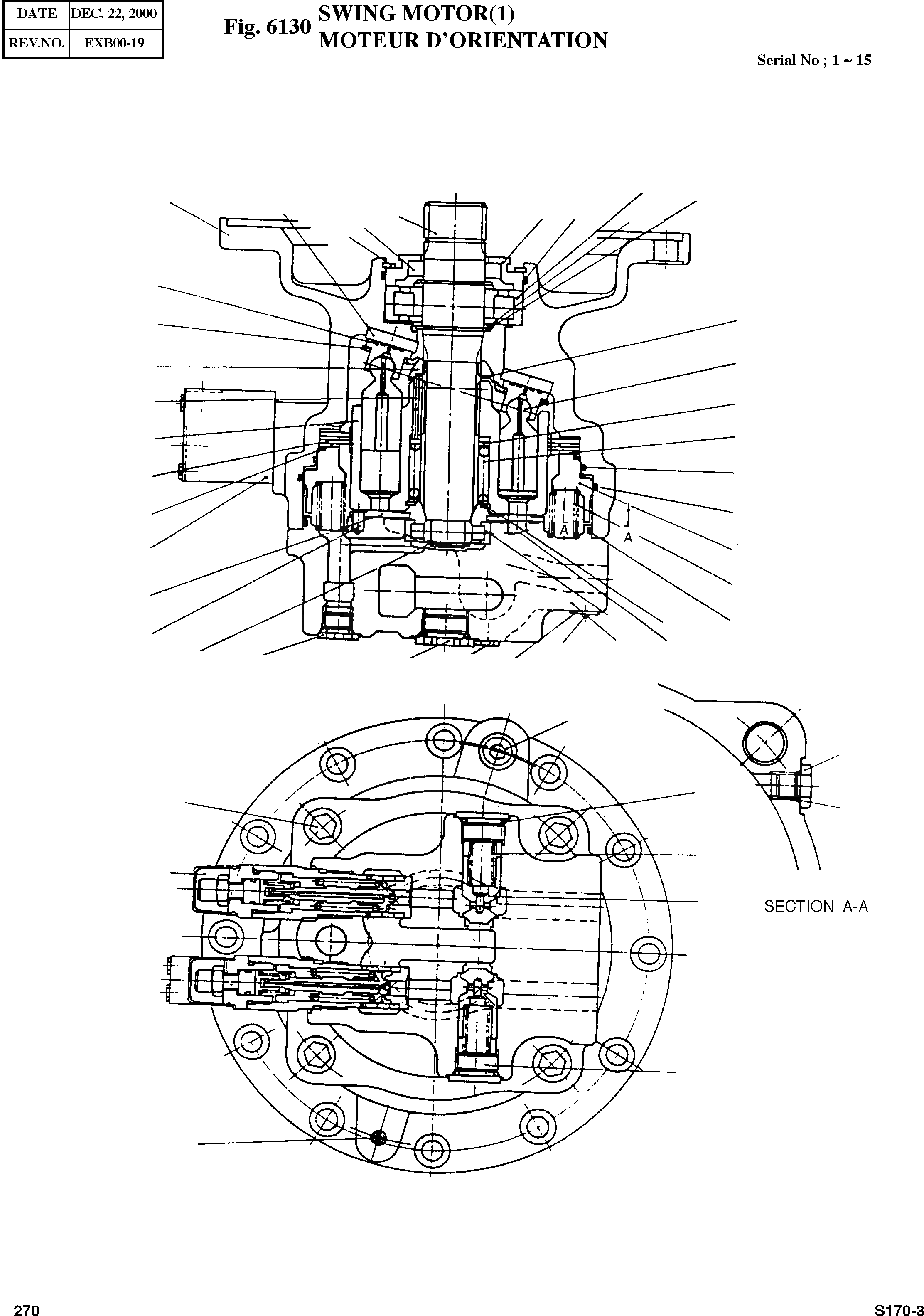
Запчасти Doosan Daewoo SWING MOTOR(1) HYDRAULIC PARTS

443
432
301
124
471
304
101
106
491
437
122
117
123
121
113
116
118
114
111
706
742
707
743
702
31
712
131
472
444
106
451
303
438
747
433
487
744
746
745
468
994
464
488
401
485
355
51
351
469
993
FIT
1:1
100%

Артикул

Название

Примечание

Количество

-

2401-9159C

SWING MOTOR

SERIAL: 1-15

1шт.

31

710413

VALVE;RELIEF

desc: VANNE DE FREIN

2шт.

51

225418

VALVE;BREAK

desc: VANNE

1шт.

101

118531B

SHAFT;DRIVE

desc: ARBRE D'ENTRAINEMENT

1шт.

106

113372

SPACER

REP_PNO: 3753700450

3шт.

111

116635A

BLOCK;CYLINDER

REP_PNO: 3733700449

1шт.

113

113374B

BUSH;SPHERICAL

REP_PNO: 3753700454

1шт.

114

211949

SPRING;CYLINDER

REP_PNO: 3753700452

1шт.

116

113375A

ROD;PUSH

REP_PNO: PJR424

12шт.

117

113376

SPACER(F)

REP_PNO: 3753700464

1шт.

118

113350

SPACER(R)

REP_PNO: 3753700465

1шт.

121

113351

PISTON

REP_PNO: 37S3C001-11

9шт.

122

113352B

SHOE

REP_PNO: 3743700378

9шт.

123

113353

RETAINER

REP_PNO: 3743700406

1шт.

124

113354A

PLATE;SHOE

REP_PNO: 3753700402

1шт.

131

116634A

PLATE;VALVE

REP_PNO: 3733700533

1шт.

301

113357A

CASING

REP_PNO: 23700430

1шт.

303

115297A

CASING;VALVE H1

REP_PNO: 3723700521

1шт.

304

113360

COVER;FRONT

REP_PNO: 53700451

1шт.

351

115298

PLUNGER H

REP_PNO: 377CAOAA-351

2шт.

355

214337

SPRING

REP_PNO: 53700548

2шт.

401

200741

BOLT;SOCKET M20X2.5X45

REP_PNO: OSBM2045

4шт.

432

202608

RING;STOP

REP_PNO: OSR45

2шт.

433

202599

RING;STOP

REP_PNO: OSR25

1шт.

437

202558

RING;LOCK

REP_PNO: ORR100

1шт.

438

212014

RING;LOCK

desc: ANNEAU DE VERROUILLAGE

1шт.

443

218224

BEARING;ROLLER

REP_PNO: PNUP309V

1шт.

444

218223

BEARING;ROLLER

REP_PNO: PNU305EV

1шт.

451

212881

PIN;SPRING D8X16L

REP_PNO: OSPV16

2шт.

464

108844

PLUG;VP

REP_PNO: OVP14

1шт.

468

108844

PLUG;VP

REP_PNO: OVP14

2шт.

469

108892

PLUG;RO

REP_PNO: PROM30

2шт.

471

201630

O-RING

REP_PNO: OORBG100

1шт.

472

202009

O-RING

SC: K

1шт.

485

201689

O-RING 1BP11

REP_PNO: OORBP11

1шт.

487

201689

O-RING 1BP11

REP_PNO: OORBP11

2шт.

488

201727

O-RING 1BP28

REP_PNO: OORBG28

2шт.

491

211952

SEAL;OIL

REP_PNO: PTCN45M

1шт.

702

113363

PISTON;BRAKE

REP_PNO: 3733700399

1шт.

706

212008

O-RING

REP_PNO: OORWG42

1шт.

707

202010

O-RING

SC: K

1шт.

712

211953

SPRING;BRAKE

REP_PNO: 3753700453

18шт.

742

125812

PLATE;FRICTION

desc: RESSORT EXTERIEUR

2шт.

743

113365

PLATE;SEPARATION

REP_PNO: 3743700415

3шт.

744

220494

CAP;DUST

desc: BOUCHON

1шт.

745

220496

CAP;DUST

desc: BOUCHON

1шт.

746

119597A

PLATE;NAME

desc: PLAQUE D'IDENTIFICATION

1шт.

747

212030

SCREW D2.5X4.8L

desc: VIS

2шт.

993

206699

PLUG PT OBP34

REP_PNO: OBP14

1шт.

994

208276

PLUG PT OBP14

REP_PNO: OBP34

1шт.

*

2401-9159K

KIT;SEAL

SC: S

1шт.

Выбрано товаров: 0