Запчасти Doosan Daewoo ELECTRIC PARTS(3)-STAND L.H UPPER STRUCTURE

22
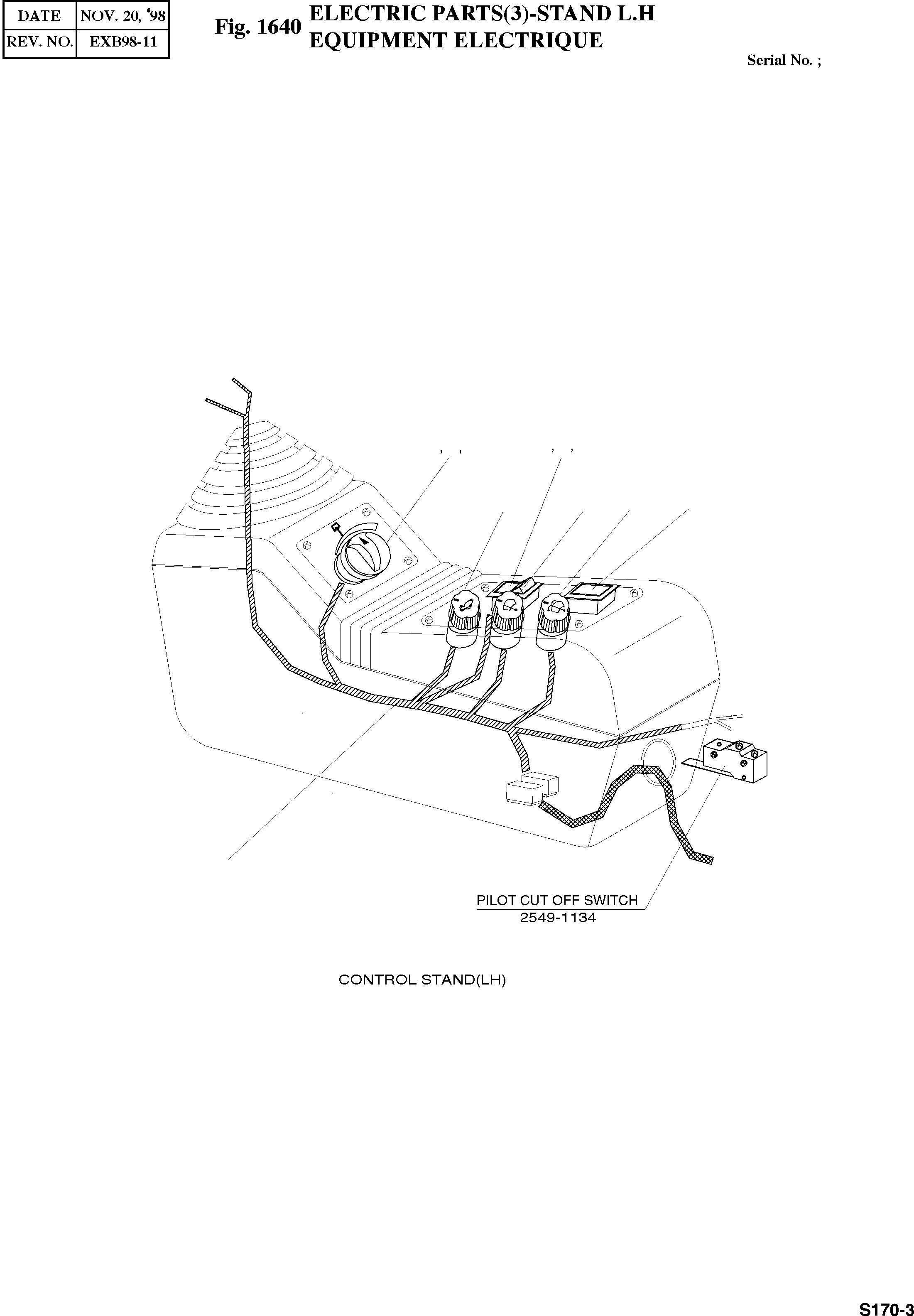
23
65
16
17
18
21
24
20
19
53
FIT
1:1
100%

Артикул

Название

Примечание

Количество

-

2500-1129

ELECTRIC PARTS(3)

desc: EQUIPMENT ELECTRIQUE

16

2552-1001A

DIAL;SWING CONTROL

desc: CADRAN

1шт.

17

S3450583

SCREW M4X0.7X12

desc: VIS

2шт.

18

S5100103

WASHER;SPRING M4

desc: RONDELLE ELASTIQUE

2шт.

19

2549-1132D4

SWITCH;AUTO SPEED

desc: INTERRUPTEUR

1шт.

20

2549-1132D5

SWITCH;WIPER

desc: COMMUTATEUR ESSUIE-GLACE

1шт.

21

2549-1132D6

SWITCH;WASHER

desc: COMMUTATEUR ESSUIE-GLACE

1шт.

22

2549-9098

SWITCH;ROCKER

desc: COMMUTATEUR

1шт.

23

2190-2036D1

INSERT;BREAKER SW

desc: INSERTION

1шт.

24

2621-9002

COVER

desc: COUVERCLE

1шт.

53

2530-1389A

HARNESS;STAND(L.H.)

desc: FAISCEAU

1шт.

65

2190-2459

PLATE;NAME(POWER MAX)

desc: PLAQUE SIGNALETIQUES

1шт.

Выбрано товаров: 12