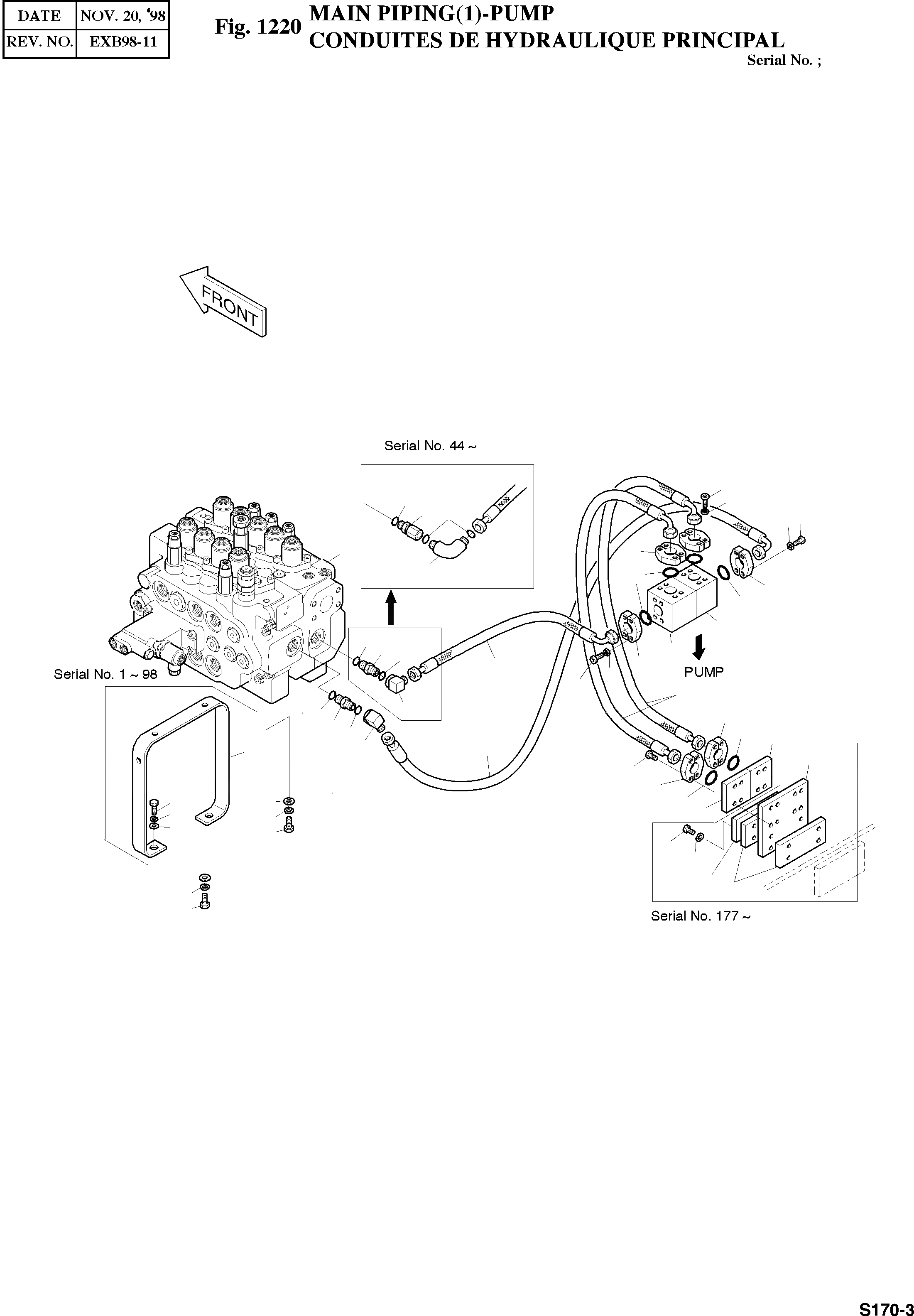
Запчасти Doosan Daewoo MAIN PIPING(1)-PUMP UPPER STRUCTURE

54
24
19
67
23
20
19
1
21
68
18
21
18
57
24
22
57
23
21
17
19
20
53
25
24
21
22
18
23
56
25
3
16
75
55
21
4
18
13
56
5
12
6
11
77
78
13
76
74
12
11
FIT
1:1
100%

Артикул

Название

Примечание

Количество

-

2400-1842

MAIN PIPING

SC: D

1

2426-1209

VALVE;CONTROL DX22-55

desc: DISTRIBUTEUR

1шт.

3

2295-1078

BRACKET

SERIAL: 1-98

1шт.

4

S0565251

BOLT M16X2.0X50

SERIAL: 1-98

2шт.

5

S5102901

WASHER;SPRING M16

SERIAL: 1-98

2шт.

6

S5010913

WASHER;PLAIN M16

SERIAL: 1-98

2шт.

11

S0515353

BOLT M12X1.75X35

desc: BOULON A 6 PANS

4шт.

12

S5102703

WASHER;SPRING M12

desc: RONDELLE ELASTIQUE

4шт.

13

S5010713

WASHER;PLAIN M12

SERIAL: 1-98

4шт.

13

S5010713

WASHER;PLAIN M12

SERIAL: 99

6шт.

16

2184-1200D25

HOSE 3/4 1150L

SERIAL: 1-43

1шт.

16

2184-1200D26

HOSE 3/4 1250L

SERIAL: 44

1шт.

17

2184-1200D22

HOSE 3/4 950L

SERIAL: 1-43

1шт.

17

2184-1200D30

HOSE 3/4 900L

SERIAL: 44

1шт.

18

2180-1026D2

O-RING SAE3/4

desc: JOINT TORIQUE

6шт.

19

S5110603

WASHER;SPRING M10

desc: RONDELLE ELASTIQUE

8шт.

20

S2212361

BOLT;SOCKET M10X1.5X35

desc: BOULON A 6 PANS CREUX

8шт.

21

2181-9080

FLANGE;SPLIT 3/4"-6000PSI

desc: FLASQUE EN DEUX PARTIES

12шт.

22

2181-4133D5

ADAPTER PFO. ORS 3/4

SERIAL: 1-43

2шт.

22

2181-4133D5

ADAPTER PFO. ORS 3/4

SERIAL: 44-143

1шт.

22

2181-2627D1

ADAPTER PFO3/4. UNF1 3/16-12

SERIAL: 144

1шт.

23

S8030121

O-RING 3/16-12

desc: JOINT TORIQUE

4шт.

24

S8000231

O-RING 3/4

REP_PNO: 0207-001

2шт.

25

2181-2522

ELBOW UNF 1 3/16-12

SERIAL: 1-43

2шт.

25

2181-2522

ELBOW UNF 1 3/16-12

SERIAL: 44

1шт.

53

2184-1100D110

HOSE PF3/4-1350L

desc: TUYAU FLEXIBLE

2шт.

54

S2214261

BOLT;SOCKET M10X1.5X130

desc: BOULON A 6 PANS CREUX

8шт.

55

S2212561

BOLT;SOCKET M10X1.5X45

desc: BOULON A 6 PANS CREUX

8шт.

56

2159-1166

PLATE

desc: PLAQUE

2шт.

57

2423-1489

BLOCK

desc: BLOC

2шт.

67

2181-2687

ADAPTER PFO.ORS3/4

SERIAL: 44

1шт.

68

2181-2686

ELBOW UNF 1 3/16-12

SERIAL: 44

1шт.

74

2161-2489

PLATE;RUBBER

SERIAL: 177

2шт.

75

2891-1750

PLATE

SERIAL: 177

1шт.

76

2891-1743

PLATE

SERIAL: 177

1шт.

77

S2212861

BOLT;SOCKET M10X1.5X60

SERIAL: 177

4шт.

78

S5110601

WASHER;SPRING M10

SERIAL: 177

4шт.

Выбрано товаров: 37