Запчасти Doosan Daewoo AIRCONDITIONER(2)-AIRCON UNIT BODY PARTS

27I
27H
27L
27F
27K
27B
27A
27J
27E
27G
27C
27C
27D
27N
27M
FIT
1:1
100%

Артикул

Название

Примечание

Количество

-

920-00005A

COOLER & HEATER ASS'Y

SC: D

-2шт.

27

2920-9044C

UNIT;AIRCON 4100 Kcal/h

SERIAL: 1-50260

1шт.

27

2920-9044G

UNIT;AIRCON

SERIAL: 50261

1шт.

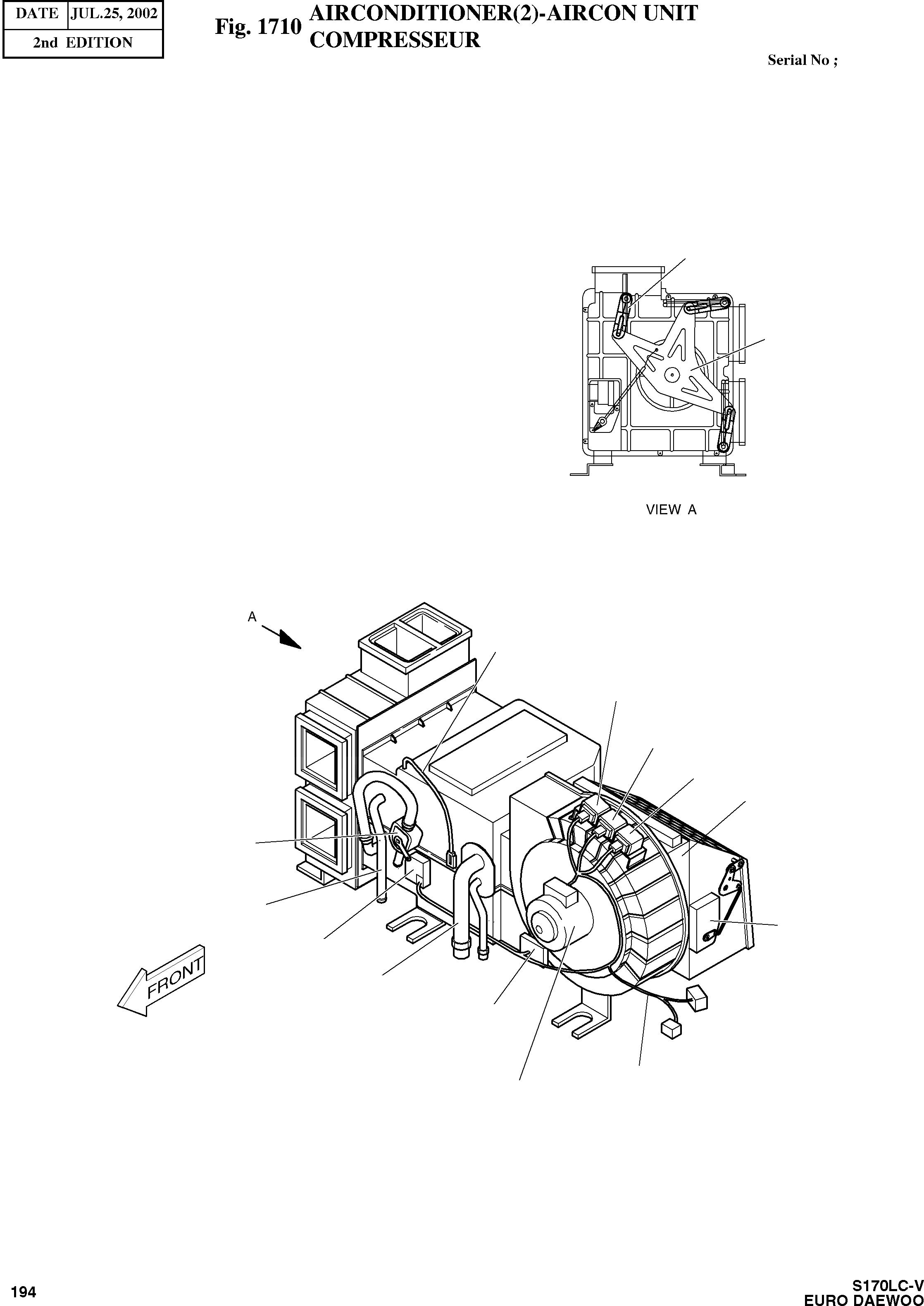
27A

2538-6015

MOTOR;BLOWER 24V 15A

desc: . MOTEUR

1шт.

27B

545-00003

RESISTOR

desc: . RESISTOR

1шт.

27C

2544-6023

RELAY 24V 10A 4P

desc: . RELAIS DEMARREUR

2шт.

27D

2544-6024

RELAY 24V 20A 5P

desc: . RELAIS DEMARREUR

1шт.

27E

2538-6016

ACT MOTOR;INTAKE 24V

desc: . MOTEUR

1шт.

27F

2538-6017

ACT MOTOR;MIX 12V

desc: . MOTEUR

1шт.

27G

2471-6050

FILTER;AIRCON GSB-30NA

desc: . FILTRE

1шт.

27H

2426-6048

VALVE;STEM

desc: . VANNE

1шт.

27I

2547-6033

SENSOR;TEMPERATURE

desc: . CAPTEUR REGIME

1шт.

27J

2530-6005

HARNESS;AIRCON UNIT

desc: . FAISCEAU

1шт.

27K

2920-6111

EVAPORATOR 235HX224WX74T

desc: . CHAUFFAGE

1шт.

27L

2920-6112

CORE;HEATER 186HX163WX29T

desc: . CHAUFFAGE

1шт.

27M

2431-6002

LEVER;MAIN SCP1 1.2T

desc: . LEVIER

1шт.

27N

2431-6003

LEVER;SUB POLY ACETAL

desc: . LEVIER

3шт.

Выбрано товаров: 17