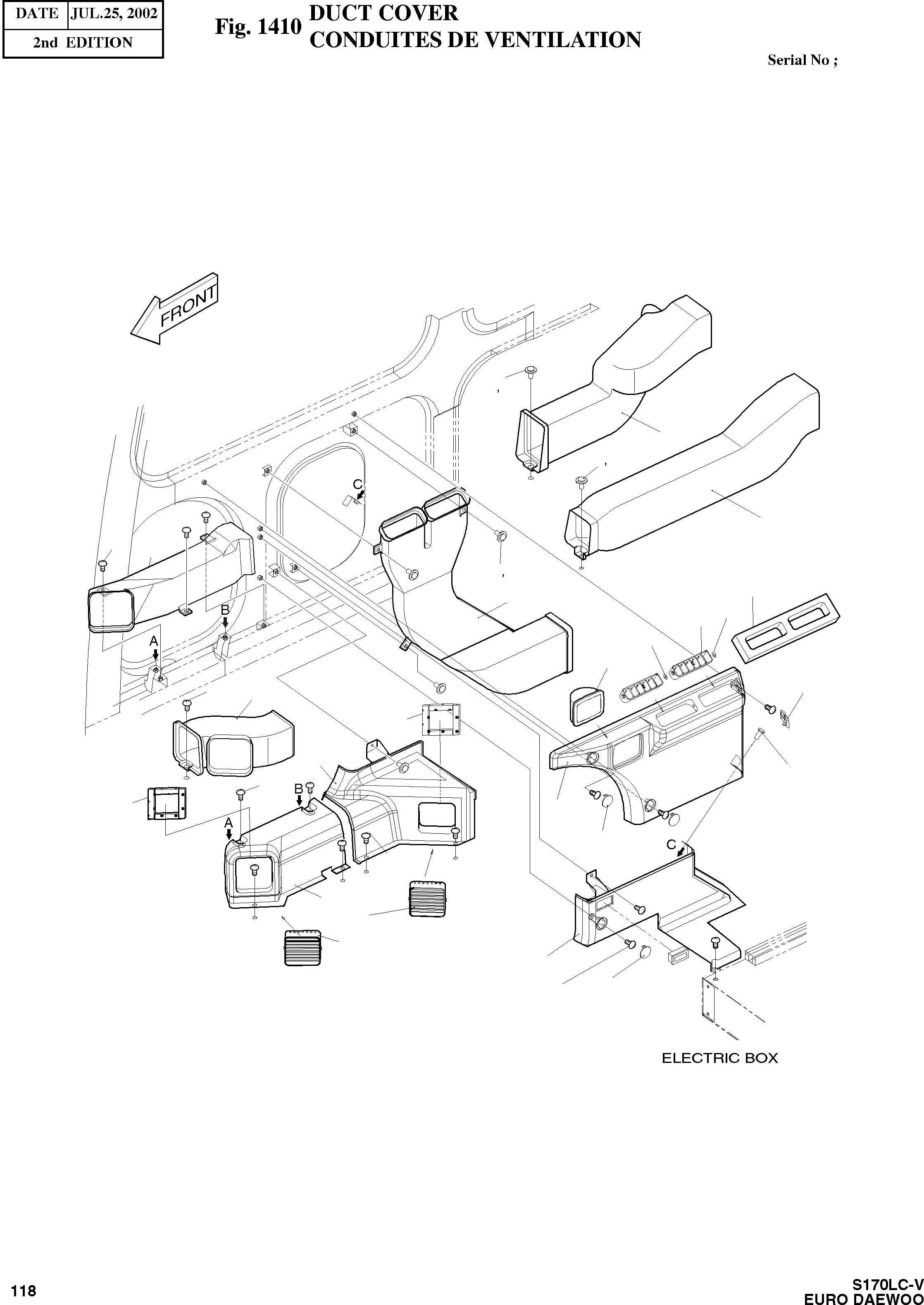
Запчасти Doosan Daewoo DUCT COVER BODY PARTS

22
17
2
22
17
1
16
4
16
23
26
3
24
12
24
10
13
16
5
25
7
16
16
25
9
14
16
6
11
11
8
14
16
FIT
1:1
100%

Артикул

Название

Примечание

Количество

-

2621-3877B

DUCT COVER ASS'Y

SC: D

-2шт.

1

2213-1097

DUCT;FOOT REAR

desc: CAPOT

1шт.

2

2213-1095

DUCT;FACE REAR

desc: CAPOT

1шт.

3

2213-1096A

DUCT;FACE UPPER

desc: CAPOT

1шт.

4

2213-1094A

DUCT;DEFROST

desc: CAPOT

1шт.

5

2213-9002

DUCT;FOOT

desc: CAPOT

1шт.

6

2621-3777A

COVER;DUCT

desc: CAPOT

1шт.

7

2621-3776A

COVER;DUCT

desc: CAPOT

1шт.

8

2621-3779

COVER;DUCT

desc: CAPOT

1шт.

9

2621-3778A

COVER;DUCT

desc: CAPOT

1шт.

10

2906-9005

ASHTRAY

desc: CENDRIER

1шт.

11

2415-1014

LOUVER;DEF & FOOT

desc: CAPOT

2шт.

12

2415-1015A

LOUVER;FACE & VENT

desc: CAPOT

2шт.

13

2621-3781

COVER;HOLE

desc: CAPOT

1шт.

14

2621-3780

COVER;HOLE

desc: CAPOT

3шт.

16

2120-2166D10

SCREW M6X1.0X16

desc: VIS

21шт.

17

2114-1898D3

WASHER M6

desc: RONDELLE

2шт.

22

2120-2166D6

BOLT M6X1.0X16

desc: BOULON A 6 PANS

2шт.

23

2114-1898D5

WASHER M6

desc: RONDELE

3шт.

24

2160-1329

BUSHING

desc: GARNISSAGE CAOUTCHOUC

2шт.

25

2161-2398

RUBBER;CUSHION

desc: CAOUTCHOUC

2шт.

26

2161-2397

RUBBER;CUSHION

desc: CAOUTCHOUC

1шт.

Выбрано товаров: 22