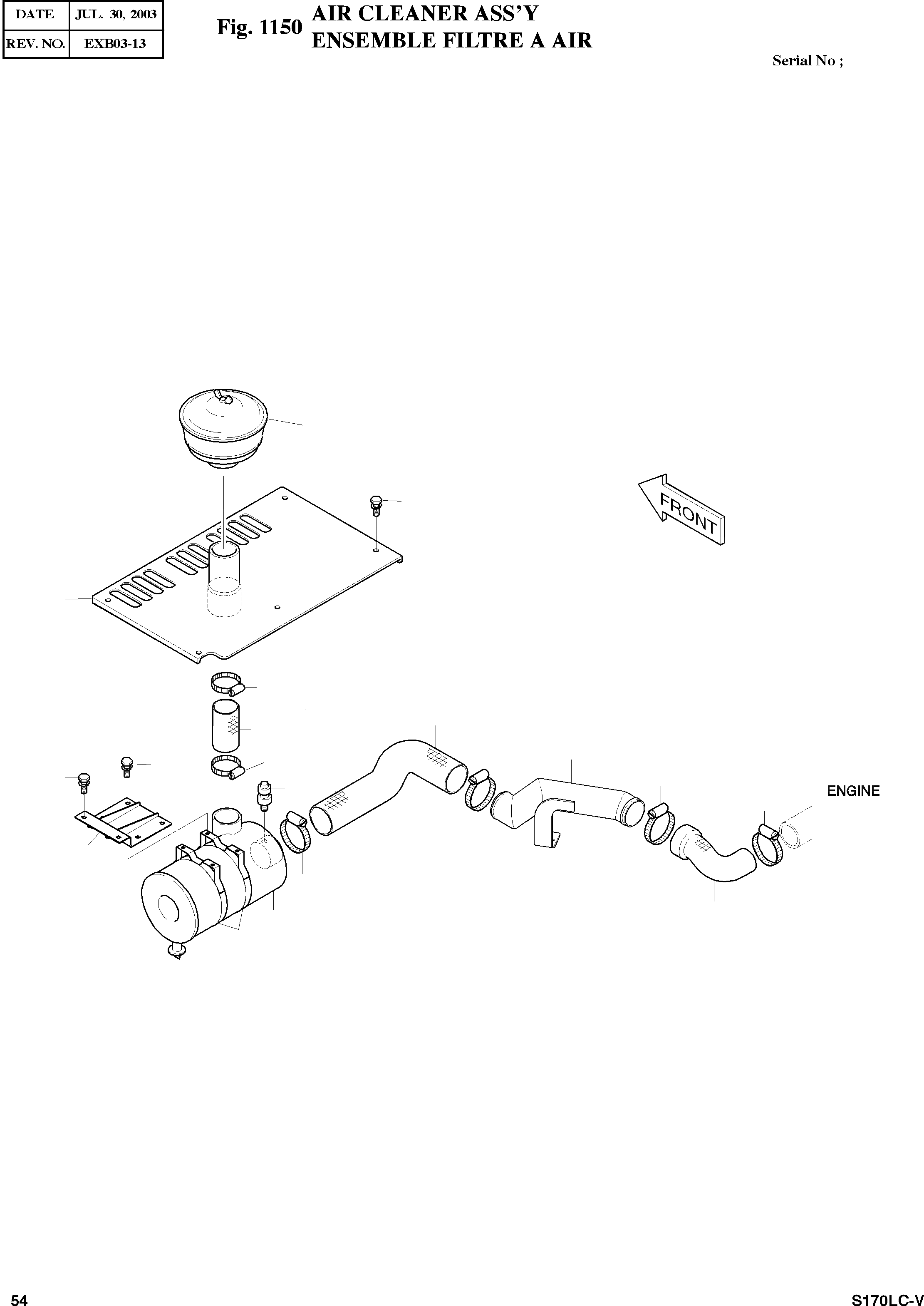
Запчасти Doosan Daewoo AIR CLEANER ASSY BODY PARTS

5
3
4
8
7
6
8
9
8
3
3
8
13
11
12
8
10
1
2
FIT
1:1
100%

Артикул

Название

Примечание

Количество

-

204-00005A

AIR CLEANR ASS'Y

SC: D

-2шт.

1

2204-9039A

CLEANER;AIR

desc: FILTRE A AIR

1шт.

2

2124-1593A

BAND;AIR CLEANER

desc: ATTACHE DE TUYAU

2шт.

3

2120-2196D3

BOLT;SET M10X1.5X25

desc: BOULON A 6 PANS

11шт.

4

621-00228A

COVER

desc: COUVERCLE

1шт.

5

2204-9042

PRE CLEANER

desc: FILTRE A AIR

1шт.

6

185-00020

HOSE;AIR

desc: TUYAU FLEXIBLE

1шт.

7

185-00021A

HOSE;AIR

desc: TUYAU FLEXIBLE

1шт.

8

S8450105

CLAMP;HOSE

desc: COLLIER

5шт.

9

2193-1374C

PIPE;AIR

desc: TUYAU

1шт.

10

2185-1646A

HOSE;AIR

desc: TUYAU FLEXIBLE

1шт.

11

S8450082

CLAMP;HOSE

desc: COLLIER

1шт.

12

2197-1517

BRACKET

SERIAL: 1001-1124

1шт.

12

2197-1517A

BRACKET

SERIAL: 1125

1шт.

13

2170-9005

INDICATOR

desc: INDICATEUR

1шт.

Выбрано товаров: 15